电脑桌面
添加小米粒文库到电脑桌面
安装后可以在桌面快捷访问

多位LED-显示器动态扫描驱动电路设计VIP免费

多位LED-显示器动态扫描驱动电路设计_第1页
1/13
多位LED-显示器动态扫描驱动电路设计_第2页
2/13
多位LED-显示器动态扫描驱动电路设计_第3页
3/13
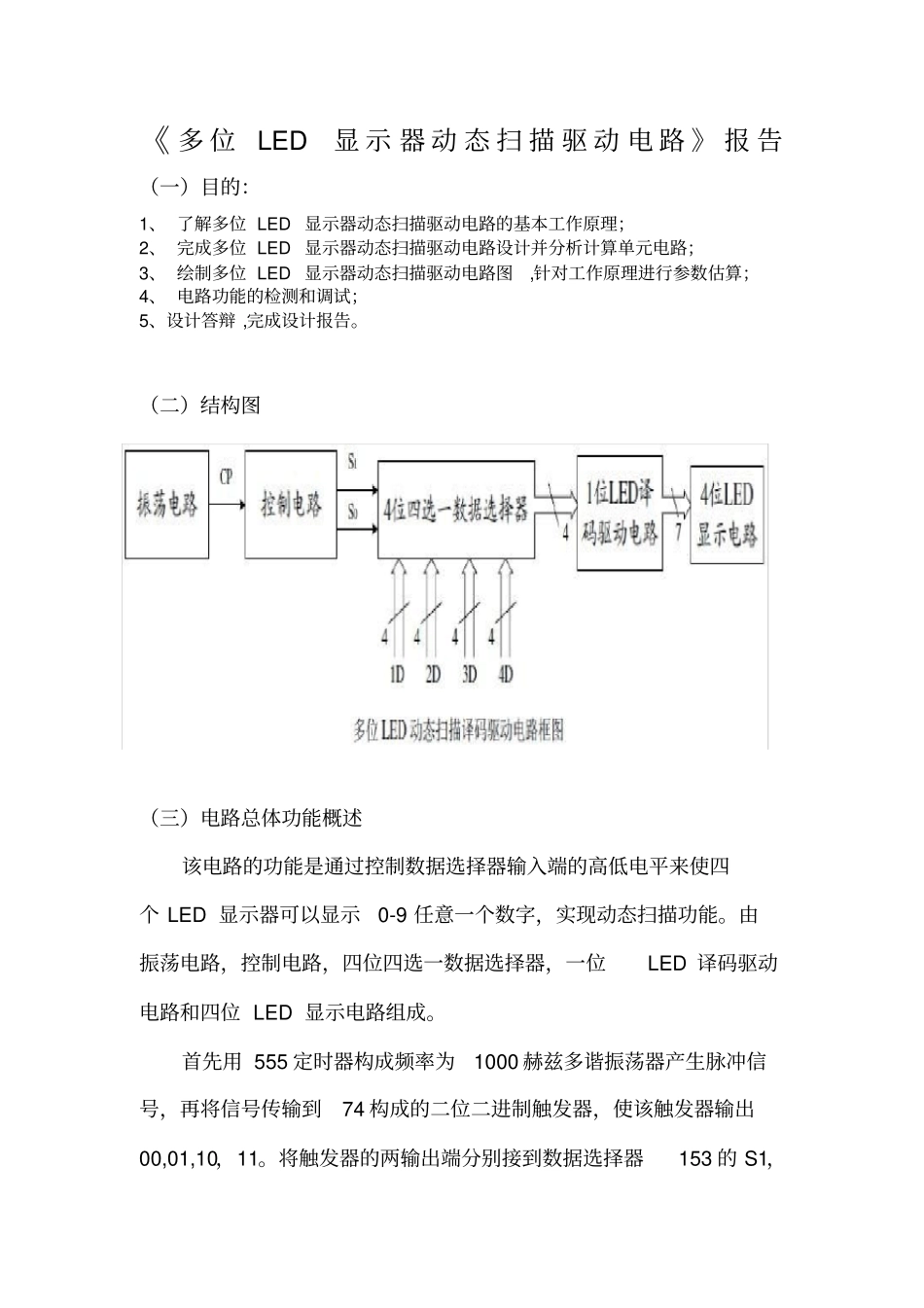
《多位LED显示器动态扫描驱动电路》报告(一)目的:1、了解多位LED显示器动态扫描驱动电路的基本工作原理;2、完成多位LED显示器动态扫描驱动电路设计并分析计算单元电路;3、绘制多位LED显示器动态扫描驱动电路图,针对工作原理进行参数估算;4、电路功能的检测和调试;5、设计答辩,完成设计报告。(二)结构图(三)电路总体功能概述该电路的功能是通过控制数据选择器输入端的高低电平来使四个LED显示器可以显示0-9任意一个数字,实现动态扫描功能。由振荡电路,控制电路,四位四选一数据选择器,一位LED译码驱动电路和四位LED显示电路组成。首先用555定时器构成频率为1000赫兹多谐振荡器产生脉冲信号,再将信号传输到74构成的二位二进制触发器,使该触发器输出00,01,10,11。将触发器的两输出端分别接到数据选择器153的S1,S0,将四个输入D0或D1D2D3信号传输到LED显示电路,使LED显示不同数字,将触发器的两输出端接到138的A1,A0(A2接0),再将138的输出Y0,Y1,Y2,Y3接到四个LED的共阴极,控制LED的显示状态,把74ls153的输出端与cc4511的四个输入端相连,把LED显示器的a,b,c,d,e,f,g与cc4511的输出端相连,这样便可以通过555定时器产生的脉冲控制四个LED的显示顺序,同时调整153的输入端的高低电位,这样便实现了对四个LED的显示控制,可随意现实0至9的数字。振荡电路由555定时器构成的多谐振荡电路组成,有振荡电路提供脉冲,振荡周期T=Tpl+Tph=R1*C*ln2+(R1+R2)*C*ln2=0.001s,则其振荡频率为1000Hz,多谐振荡器在接通电源后无需外接触发信号就可以产生矩形脉冲或方波。控制电路是一片74LS74构成的两位二进制触发器,它接收到控制电路的振荡脉冲,产生00,01,10,11的输出信号。数据选择器由两片74LS153构成,其功能为四选一数据选择器,接收控制电路的输出信号,分别选择四个输入D0或D1或D2或D3信号传输到LED显示电路,使LED显示不同数字译码驱动电路由一片八选一的数据选择器74LS138组成,它接受控制电路输出的信号同时将自身的输出信号分别连接到4片LED的共阴极控制LED显示器的工作状态.显示电路由一片4511构成,其接收74LS153输出的信号分别使四个LED显示器显示8421BCD码所代表的十进制数。(四)元器件表CD45111片,NE5551片,74LS1381片,七段共阴极数码管4只,74LS1532片,74LS741片,0.1μF电容2个,5.1KΩ电阻1个,4.7KΩ电阻1个,面包板1块,5V稳压电源1台。(五)芯片功能(1)NE555芯片①NE555各脚主要功能如下:1地GND2触发3输出4复位5控制电压6门限(阈值)7放电8电源电压VCC②NE555芯片功能555芯片是定时器,是一种模拟和数字功能相结合的中规模集成器件。555定时器成本低,性能可靠,只需要外接几个电阻、电容,就可以实现多谐振荡器、单稳态触发器及施密特触发器等脉冲产生与变换电路。它内部包括两个电压比较器,三个等值串联电阻,一个RS触发器,一个放电管T及功率输出级。它提供两个基准电压VCC/3和2VCC/3。555定时器的功能主要由两个比较器决定。两个比较器的输出电压控制RS触发器和放电管的状态。在电源与地之间加上电压,当5脚悬空时,则电压比较器A1的反相输入端的电压为2VCC/3,A2的同相输入端的电压为VCC/3。若触发输入端TR的电压小于VCC/3,则比较器A2的输出为1,可使RS触发器置1,使输出为1。如果阈值输入端TH的电压大于2VCC/3,同时TR端的电压大于VCC/3,则A1的输出为1,A2的输出为0,可将RS触发器置0,使输出为0。(2)74LS74芯片功能:74LS74是一个双D触发器,其功能比较的多,可用作寄存器,移位寄存器,振荡器,单稳态,分频计数器等功能。此电路中,74LS74作分频器使电路产生四分频。用,将脉冲信号进行四分频。(3)74LS153芯片74LS153是一个双4选1数据选择器,S1、S2为两个独立的使能端,低电平有效;A1、A0为公用的地址输入端;1D0~1D3和2D0~2D3分别为两个4选1数据选择器的数据输入端;1Y、2Y为两个输出端。(1)当使能端S1(S2)=1时,多路开关被禁止,无输出,Y=0。(2)当使能端S1(S2)=0时,多路开关正常工作,根据地址码A1A0的状态,将相应的数据D0~D3送到输出端Y。(4)74LS138芯片74ls138引脚图3线-8线译码器74LS138的功能表7...

1、当您付费下载文档后,您只拥有了使用权限,并不意味着购买了版权,文档只能用于自身使用,不得用于其他商业用途(如 [转卖]进行直接盈利或[编辑后售卖]进行间接盈利)。
2、本站所有内容均由合作方或网友上传,本站不对文档的完整性、权威性及其观点立场正确性做任何保证或承诺!文档内容仅供研究参考,付费前请自行鉴别。
3、如文档内容存在违规,或者侵犯商业秘密、侵犯著作权等,请点击“违规举报”。

碎片内容

多位LED-显示器动态扫描驱动电路设计

文库响当当+ 关注
实名认证
内容提供者

该用户很懒,什么也没介绍

确认删除?
VIP
微信客服
  • 扫码咨询
会员Q群
  • 会员专属群点击这里加入QQ群
客服邮箱
回到顶部