电脑桌面
添加小米粒文库到电脑桌面
安装后可以在桌面快捷访问

[GB50397-XXXX]电气安装工程验收表格汇总VIP专享VIP免费

[GB50397-XXXX]电气安装工程验收表格汇总_第1页
1/39
[GB50397-XXXX]电气安装工程验收表格汇总_第2页
2/39
[GB50397-XXXX]电气安装工程验收表格汇总_第3页
3/39
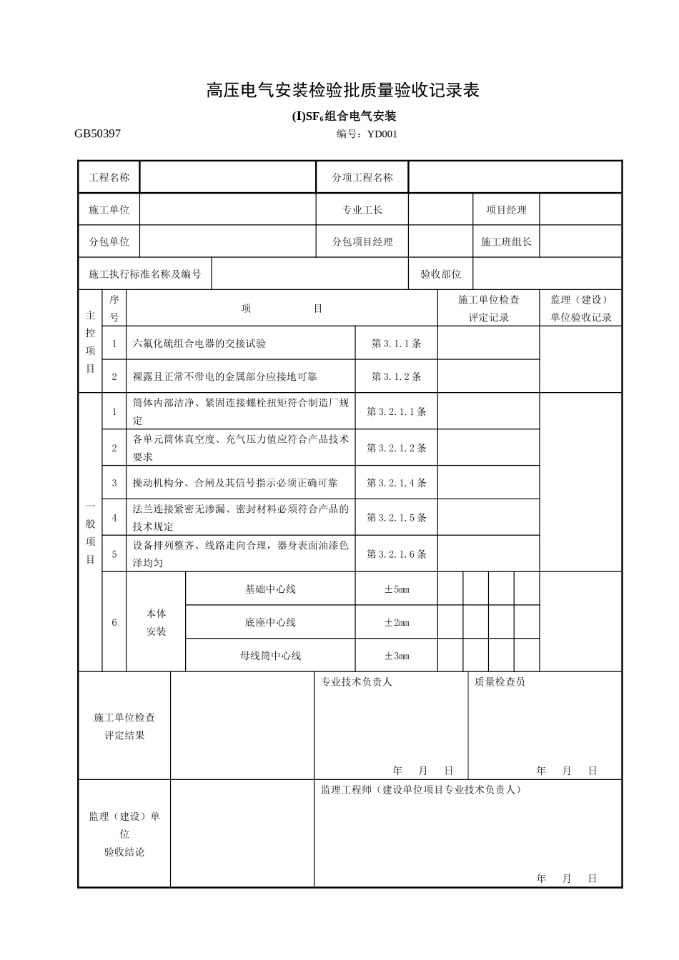
电 气 目 录1高压电气安装检验批质量验收记录表( )SFⅠ6组合电气安装32 高压电气安装检验批质量验收记录表( )Ⅱ 高压开关安装..................................................................................43 电力变压器安装检验批质量验收记录表...........................................................................................................54 互感器、电抗器、避雷器、电容器安装检验批质量验收记录表...................................................................65 电机安装检验批质量验收记录表(表 1)........................................................................................................76 电机安装检验批质量验收记录表(表 2)........................................................................................................87 成套配电柜(盘)及动力开关柜安装检验批质量验收记录表.......................................................................98 蓄电池安装检验批质量验收记录表.................................................................................................................109 低压电器安装检验批质量验收记录表.............................................................................................................1110 起重机电气设备安装检验批质量验收记录表...............................................................................................1211 滑触线和移动式软电缆检验批质量验收记录表...........................................................................................1312 母线装置安装检验批质量验收记录表...........................................................................................................1413 电缆线路检验批质量验收记录表...................................................................................................................1514 露天采矿场线路敷设检验批质量验收记录表...............................................................................................1615 矿井下电缆敷设检验批质量验收记录表.................................................................

1、当您付费下载文档后,您只拥有了使用权限,并不意味着购买了版权,文档只能用于自身使用,不得用于其他商业用途(如 [转卖]进行直接盈利或[编辑后售卖]进行间接盈利)。
2、本站所有内容均由合作方或网友上传,本站不对文档的完整性、权威性及其观点立场正确性做任何保证或承诺!文档内容仅供研究参考,付费前请自行鉴别。
3、如文档内容存在违规,或者侵犯商业秘密、侵犯著作权等,请点击“违规举报”。

碎片内容

[GB50397-XXXX]电气安装工程验收表格汇总

确认删除?
VIP
微信客服
  • 扫码咨询
会员Q群
  • 会员专属群点击这里加入QQ群
客服邮箱
回到顶部