电脑桌面
添加小米粒文库到电脑桌面
安装后可以在桌面快捷访问

喷淋降温操作方法VIP免费

喷淋降温操作方法_第1页
1/10
喷淋降温操作方法_第2页
2/10
喷淋降温操作方法_第3页
3/10
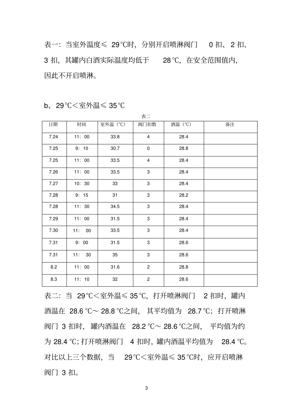
1 为防止夏季室外罐区罐内白酒温度升高,造成安全生产事故。为此,对白酒罐进行喷淋降温,确保罐内白酒保持在一定温度范围内,合理有效利用喷淋系统,减少喷淋用水量及白酒挥发,降低安全生产风险,达到节能降耗的要求。通过对比在同一时刻酒罐内白酒温度、室外温度和开启喷淋阀门扣数间的关系,总结得出在不同室外温度段开启不同扣数喷淋阀门,使喷淋用水量与酒温达到一个最佳值。检测初期每半小时现场取样检测罐内白酒温度,几天检测过后发现室外温度与酒温均趋于平稳且缓慢上升,变化值不大。后定为每天的9:00、11:00、14:00 和 16:00 进行检测。工作方法如下:1、开启喷淋降温前,应检查喷淋蓄水池蓄水量,确保水量充足,补水充分,应保证蓄水池水位淹过抽水泵顶部且在黄线(蓄水池控制水位基线)以下。安全技术部门当班人员需每1 小时对蓄水池水位进行检查。如发现水量不足,应立即关泵加大补水,待水量充足后在开启喷淋。补水大小要很据水处理间排水量而定。2、开启喷淋降温,应保证喷淋水均匀,如发现喷淋管道堵塞、喷水孔出水大小不一,应立即查明原因并处理。3、开启喷淋阀门以旋转360 ° 为1 扣计算。4、安全技术部负责喷淋管道的清理(细铁丝清通喷水孔)。2 5、七月、八月室外温度高,早晨7 点多的时候室外温就已经达到 28℃以上,但罐内实际酒温并未达到28℃,所以要推迟开启喷淋降温系统的时间,应在上午8:30~9:00 开启喷淋降温系统;下午18:00~18:30 分关闭。正常开启喷淋,应按照以下检测情况调节喷淋阀门大小。6、开启喷淋降温,需以室外温度、天气情况以及白酒浓度作为参考条件。不同的温度段开启喷淋阀门扣数不同;大风大雨天不宜开启喷淋(如大风,喷淋水无法沿罐壁下流,不能达到降温目的) ;因白酒浓度不同,开启喷淋阀门时的室外温度和扣数也不同,分为高度罐和低度罐 (白酒浓度≥ 60%为高度;白酒浓度<60% 为低度),参照下面方法开启。检测数据 : (1)、低度酒源罐(检测罐469 #,罐容 1738824kg 白酒浓度 59.6% )a、室外温度≤ 29℃表一日期时间室外温(℃)阀门扣数酒温(℃)备注7.26 9:30 29 0 28 7.29 9:10 28.4 0 27.9 7.30 9:10 28.3 3 27.8 刚开启喷淋8.1 9:00 27.8 0 28 8.2 9:10 27.6 2 27.8 刚开启喷淋8.3 9:30 29 2 27.9 刚开启喷淋3 表一:当室外温度≤ 29℃时,分别开启喷淋阀门0 扣、 2 扣、3 扣,其罐内白酒实际温度...

1、当您付费下载文档后,您只拥有了使用权限,并不意味着购买了版权,文档只能用于自身使用,不得用于其他商业用途(如 [转卖]进行直接盈利或[编辑后售卖]进行间接盈利)。
2、本站所有内容均由合作方或网友上传,本站不对文档的完整性、权威性及其观点立场正确性做任何保证或承诺!文档内容仅供研究参考,付费前请自行鉴别。
3、如文档内容存在违规,或者侵犯商业秘密、侵犯著作权等,请点击“违规举报”。

碎片内容

喷淋降温操作方法

爱的疯狂+ 关注
实名认证
内容提供者

该用户很懒,什么也没介绍

相关文档

确认删除?
VIP
微信客服
  • 扫码咨询
会员Q群
  • 会员专属群点击这里加入QQ群
客服邮箱
回到顶部