电脑桌面
添加小米粒文库到电脑桌面
安装后可以在桌面快捷访问

汽车空调维修相关问题VIP免费

汽车空调维修相关问题_第1页
1/8
汽车空调维修相关问题_第2页
2/8
汽车空调维修相关问题_第3页
3/8
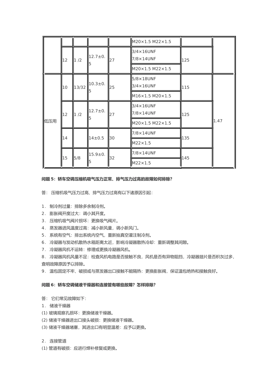
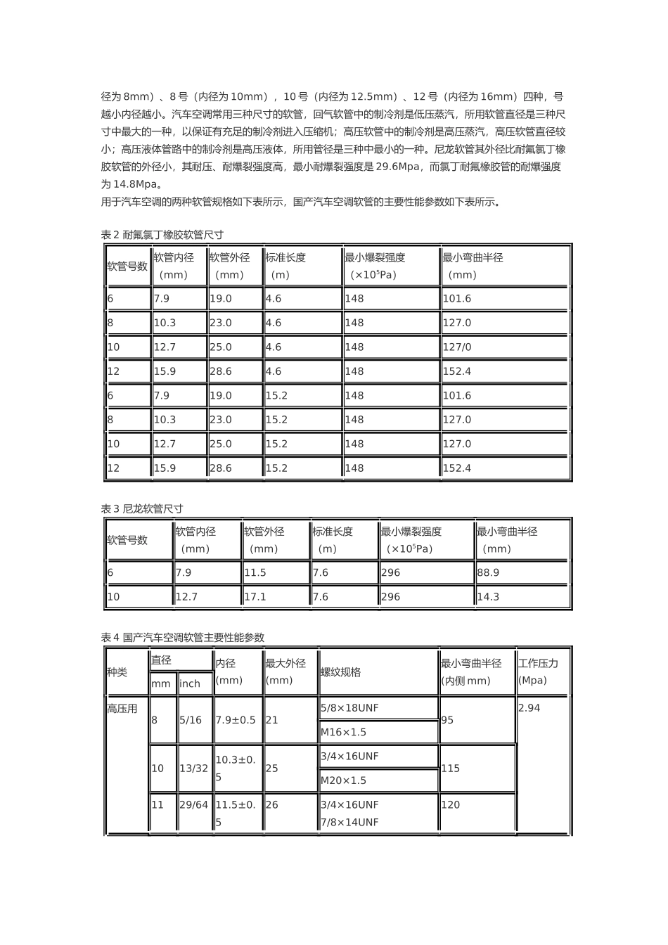
1 :在汽车空调制冷系统中为什么要用 R134a 代替 R12? 答:R134a 之所以用来代替 R12,是因为其热力性质与与 R12 相似,它是一种不含氯的氟利昂,其臭氧破坏系数为零,下表为 R134a 与 R12 热力性质的比较。表 1 R134a 与 R12 热力性质比较 制冷剂R134nR12化学式CH2FCF3CCl2F2分子量102.03120.91沸点(℃)-26.18-29.79临界温度(℃)101.15111.80饱和液体密度(25℃时)(kg/m3)1206.01310.9临界压力(Mpa)4.0654.125饱和蒸汽比容(25℃时)(m3/kg)0.0310090.027285蒸发潜热(kJ/kg)(0℃时)198.44152.51臭氧破坏系数01.0导热系数(W/K·℃)饱和液体(25℃)0.08150.0694蒸汽(25℃,1atm)0.01310.00962:汽车空调冷凝器、蒸发器采用何种型式的风机?答: 汽车空调冷凝器采用轴流式风机,将热量吹送到周围环境;而蒸发器采用离心式风机,将冷风吹送到车室内。轴流式风机风量大、风压小、噪音大,而冷凝器正需要这种大风量将其周围的热空气吹走。至于风压小、噪音大,对冷凝器来说不是主要问题,因为冷凝器只要求将其四周的热空气吹走,并不要求吹出很远。噪音虽大但不会影响车室内的乘客。离心式风机的特点是风压高、风量小、噪音小。风压高可将冷空气吹到车室内每位乘客身上,噪音小可使乘客不至于感到不适或疲劳。对于风量小,在设计中可根据需要选用多个离心风机并用。问题 3:汽车空调制冷系统中高、低开关是如何工作的?答: 高低压开关主要对汽车空调系统起保护作用。高压压力开关是用来防止系统在异常高压下工作,保护系统不受损坏。如果系统高压过高,它将自动切断电磁离合器电路。低压压力开关主要是保护压缩机不在缺少制冷剂的情况下空转,以免压缩机因缺乏润滑油而遭受破坏。问题 4:汽车空调软管有哪几种规格?其软管接头又是如何密封的?答: 汽车空调的压缩机、冷凝器、膨胀阀、蒸发器是靠软管连接成一个制冷系统的。软管必须具有吸收振动能力,不能泄漏制冷剂,并能承受一定的重量。汽车空调中常用的有耐氟氯丁橡胶软管和尼龙软管。用于汽车空调的耐氟橡胶软管常用编号有:6 号(内径为 8mm)、8 号(内径为 10mm),10 号(内径为 12.5mm)、12 号(内径为 16mm)四种,号越小内径越小。汽车空调常用三种尺寸的软管,回气软管中的制冷剂是低压蒸汽,所用软管直径是三种尺寸中最大的一种,以保证有充足的制冷剂进入压缩机;高压软管中的制冷剂是高压蒸汽,高压软管直径较小;高压液体管...

1、当您付费下载文档后,您只拥有了使用权限,并不意味着购买了版权,文档只能用于自身使用,不得用于其他商业用途(如 [转卖]进行直接盈利或[编辑后售卖]进行间接盈利)。
2、本站所有内容均由合作方或网友上传,本站不对文档的完整性、权威性及其观点立场正确性做任何保证或承诺!文档内容仅供研究参考,付费前请自行鉴别。
3、如文档内容存在违规,或者侵犯商业秘密、侵犯著作权等,请点击“违规举报”。

碎片内容

汽车空调维修相关问题

状元书店+ 关注
实名认证
内容提供者

热爱教学事业,对互联网知识分享很感兴趣

确认删除?
VIP
微信客服
  • 扫码咨询
会员Q群
  • 会员专属群点击这里加入QQ群
客服邮箱
回到顶部