电脑桌面
添加小米粒文库到电脑桌面
安装后可以在桌面快捷访问

0022某电厂扩建工程施工组织设计VIP免费

0022某电厂扩建工程施工组织设计_第1页
1/44
0022某电厂扩建工程施工组织设计_第2页
2/44
0022某电厂扩建工程施工组织设计_第3页
3/44
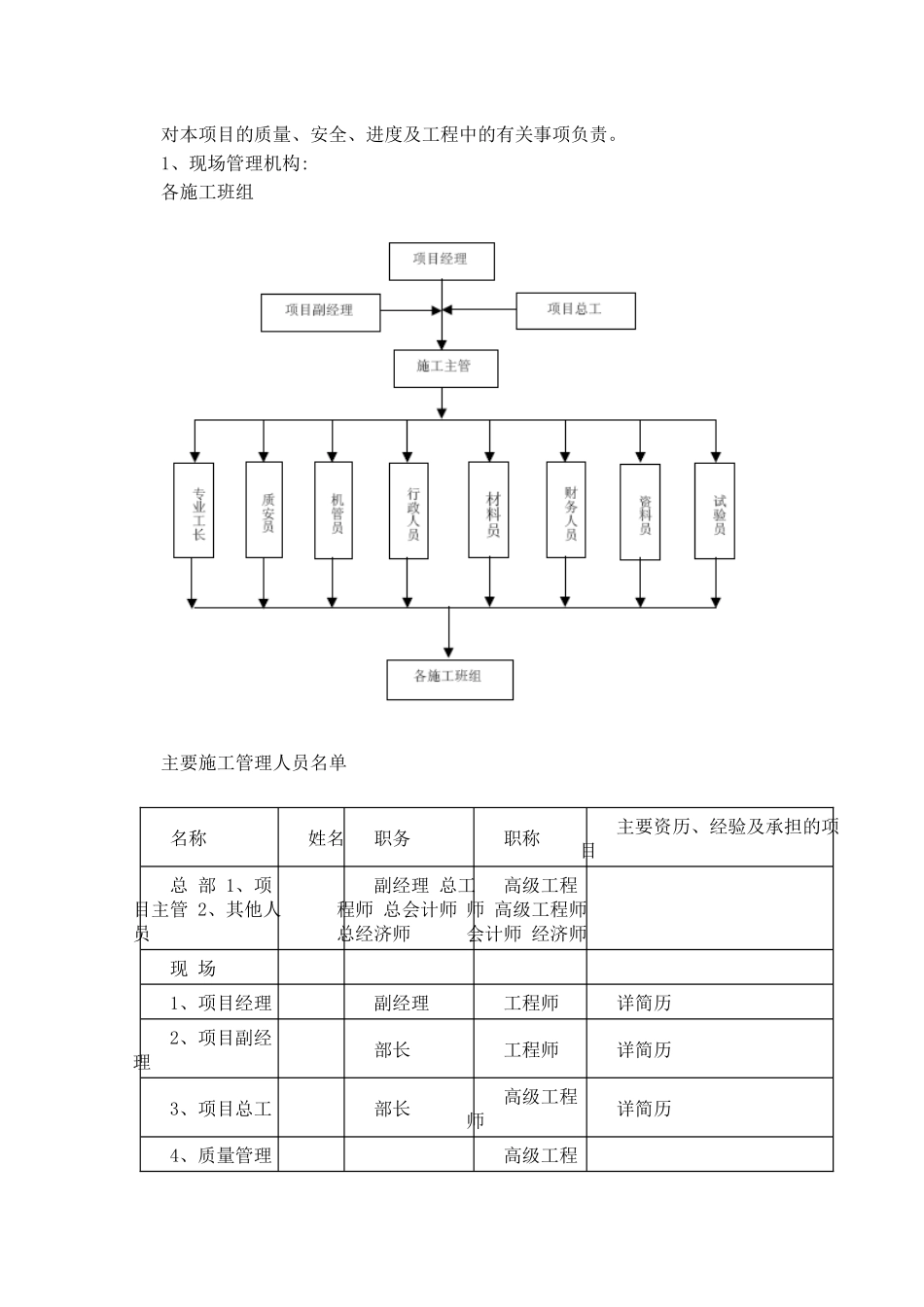
第一卷 某电厂扩建工程施工组织设计.........................................................................................2第 1 章 工程概况.....................................................................................................................2第 2 章 施工现场管理机构及人员职责.................................................................................2第 3 章 施工现场机械设备配置.............................................................................................5第 4 章 劳动力计划.................................................................................................................5第 5 章 施工进度计划及工期保证措施.................................................................................5第 6 章 施工现场平面布置.....................................................................................................8第 7 章 主要施工方案.............................................................................................................9第 8 章 特殊季节施工措施...................................................................................................20第 9 章 质量保证体系及质量保证措施...............................................................................21第 10 章 运用 P3 软件对工程进度的控制...........................................................................29第 11 章 物资管理体系及代保管措施.................................................................................32第 12 章 安全施工措施.........................................................................................................37第 13 章 文明施工与环境管理.............................................................................................40第一卷 某电厂扩建工程施工组织设计第1章 工程概况**电厂新建烟气脱硫工程位于贵州**地区**侗族自治县,该项目土建工程主要包括电气控制楼、石膏脱水车间、废水处理车间、吸收剂制备车间、石灰石磨制车间、GGH 支架系统、增压风机基础及检修支架、吸收...

1、当您付费下载文档后,您只拥有了使用权限,并不意味着购买了版权,文档只能用于自身使用,不得用于其他商业用途(如 [转卖]进行直接盈利或[编辑后售卖]进行间接盈利)。
2、本站所有内容均由合作方或网友上传,本站不对文档的完整性、权威性及其观点立场正确性做任何保证或承诺!文档内容仅供研究参考,付费前请自行鉴别。
3、如文档内容存在违规,或者侵犯商业秘密、侵犯著作权等,请点击“违规举报”。

碎片内容

0022某电厂扩建工程施工组织设计

确认删除?
VIP
微信客服
  • 扫码咨询
会员Q群
  • 会员专属群点击这里加入QQ群
客服邮箱
回到顶部