电脑桌面
添加小米粒文库到电脑桌面
安装后可以在桌面快捷访问

四等水准测量方法VIP免费

四等水准测量方法_第1页
1/4
四等水准测量方法_第2页
2/4
四等水准测量方法_第3页
3/4
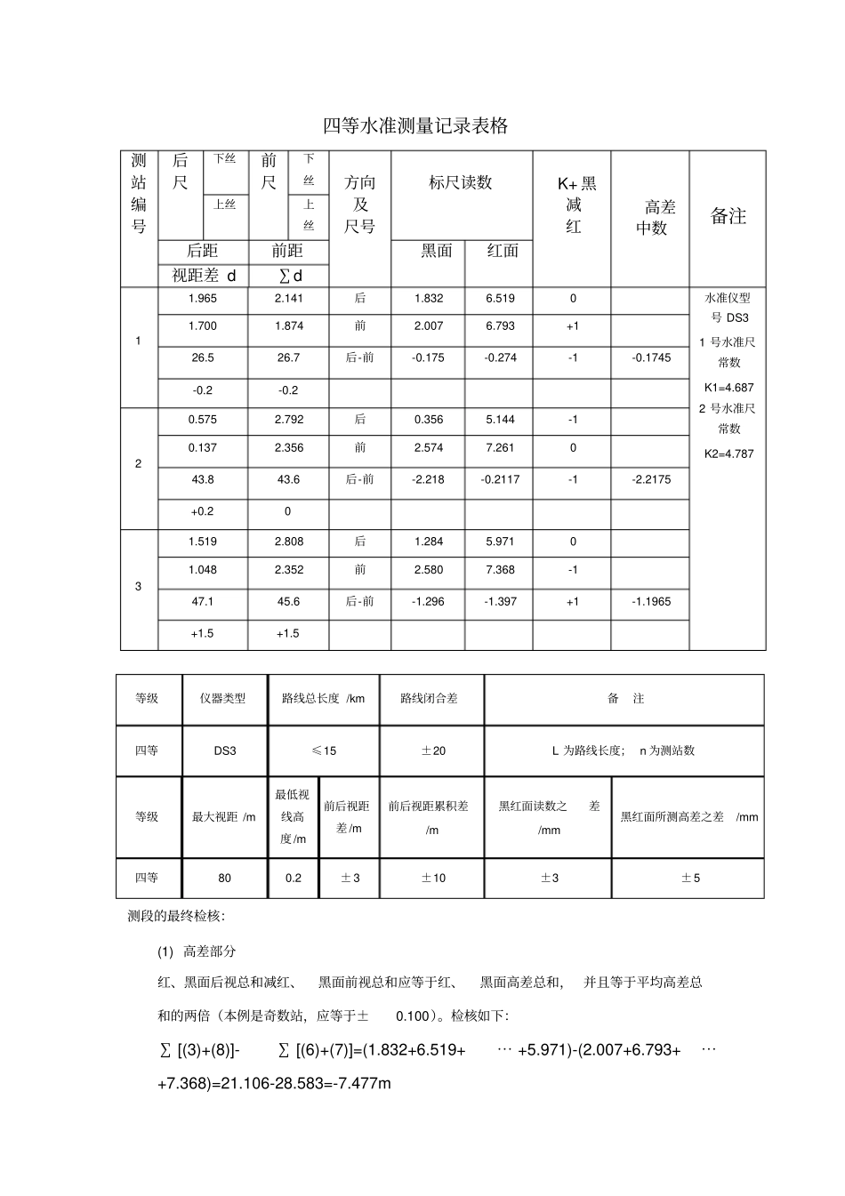
一、观测方法三四等水准测量仍采用DS3水准仪,水准尺可用双面尺, 观测程序可简述为后前前后,即在每个测站上的观测顺序为:1,后视黑面,依次读取下丝、上丝和中丝读数;2,前视黑面,依次读取下丝、上丝和中丝读数;3,前视红面,读取中丝读数;4,后视红面,读取中丝读数。三、四等水准测量的观测和计算次序(表1)测站编号后尺下丝前尺下丝方向及尺号标尺读数K+黑减红高差中数(mm)备注上丝上丝后 视 距前 视 距黑面红面视距差 (d)Σ d(1) (4) 后(3) (8) (14) K 为水准尺常数, 即尺底 红 面 分划读数(2) (5) 前(6) (7) (13) (9) (10) 后— 前(15) (16) (17) (18) (11) (12) 四等水准测量观测顺序也可以采用后后前钱,四等水准测量还可采用单面尺进行观测,其观测顺序为后—前—变更仪器高—前—后二、计算与检核的方法1,三等和四等水准测量的技术要求四等水准测量的主要技术指标(表2)等级水准仪型号视线长度(m)前后视距差(m)前后视距累积差(m)视线离地面最低高度( m) 基本分划、辅助分划(黑红面)读数差( mm)基本分划、辅助分划(黑红面)所测高差之差( mm)三DS3 75 3 6 0.3 2 3 DS1 1 1.5 四DS3 80 5 10 0.2 3 5 2、计算与检核(1)视距计算后视距离:(9)=[(1)- (2)]X100 前视距离: (10)=[(4)-(5)]X100 前、后视距差:(11)=(9)- (10)前、后视距差( 11)之值应符合表 2 中之规定前、后视距累积差:(12)=前一站的( 12)+本站的( 11)(12)之值应符合表 2 中前、后视距累积差的限差要求。(2)高差计算①同一水准差红面、黑面中丝读数的校核红、黑面中丝读数差按下式计算:前尺:(13)=(6)+K 前- (7)后尺:(14)=(3)+K 后-(8) 其中: K前、 K后为水准尺红、黑面的常数差,分别为4.687m和 4.787m。(13)、(14)之值应符合表 2 中红、黑面读数差限差的要求。②计算黑面、红面的高差黑面:(15)=(3)- (6)红面: (16)=(8)-(7) 由于两尺的红面常数差K 分别为 4.687m 和 4.787m,因此 (16) ±0.100 后才是红面测得的高差。若后尺为4.687m, 前尺为 4.787m,应取“ +“号,反之,后尺为4.787m,前尺为 4.687m,则应取” - “号。校核: (17)=(15)-(16)±0.100=(14)-(13) (17) 之值应符合表 2 中红、黑面所测高差之差的限差要求。③计算平均高差平均高差: (18)=21 [(15)+(16)±0.100]=(15)- 21 (17)...

1、当您付费下载文档后,您只拥有了使用权限,并不意味着购买了版权,文档只能用于自身使用,不得用于其他商业用途(如 [转卖]进行直接盈利或[编辑后售卖]进行间接盈利)。
2、本站所有内容均由合作方或网友上传,本站不对文档的完整性、权威性及其观点立场正确性做任何保证或承诺!文档内容仅供研究参考,付费前请自行鉴别。
3、如文档内容存在违规,或者侵犯商业秘密、侵犯著作权等,请点击“违规举报”。

碎片内容

四等水准测量方法

文库响当当+ 关注
实名认证
内容提供者

该用户很懒,什么也没介绍

确认删除?
VIP
微信客服
  • 扫码咨询
会员Q群
  • 会员专属群点击这里加入QQ群
客服邮箱
回到顶部