电脑桌面
添加小米粒文库到电脑桌面
安装后可以在桌面快捷访问

隧道防排水施工技术交底书(武广项目)VIP免费

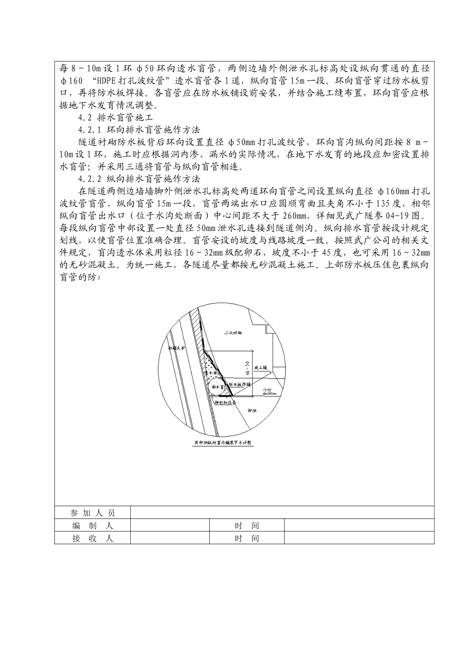
隧道防排水施工技术交底书(武广项目)_第1页
1/16
隧道防排水施工技术交底书(武广项目)_第2页
2/16
隧道防排水施工技术交底书(武广项目)_第3页
3/16
中铁十六局集团武广客运专线 XXTJIII标项目经理部第一项目队技 术 交 底 书单位工程名称隧道工程施工里程DK1593+322.64~ K1619+165.3分部/分项工程名称隧道防排水编制部门施工技术部交底内容:隧道防排水施工技术交底1.目的明确隧道防排水作业工艺流程、操作要点和相应的工艺标准,指导、规范隧道防排水作业施工,杜绝隧道结构渗漏水的发生,确保衬砌表面无湿渍,满足隧道防排水设计和规范要求。2.编制依据 ⑴《客运专线铁路隧道工程施工指南》(TZ214-2005);⑵《客运专线铁路隧道工程施工质量验收标准》铁建设[2005]160 号;⑶《铁路隧道施工规范》(TB10204-2002);** Expression is faulty **《地下工程防水技术规范》(GB50108);** Expression is faulty **铁四院隧道防排水设计及施工技术交底⑹ 武广公司下发的各隧道施工图纸、参考图3.适用范围适用于武广铁路客运专线 XXTJ** Expression is faulty **标段隧道一项目队二次衬砌防排水作业,主要是防水板、纵环向排水盲管及止水带和止水条的安装作业等。4.工艺流程及技术要求4.1 防排水设计土质隧道采用“以堵为主、以排为辅”的原则,石质隧道采用“防、截、排、堵相结合,因地制宜,综合治理”的原则,达到防水可靠,经济合理,不留后患的目的。隧道防水等级必须达到国家标准《地下工程防水技术规范》(GB50108)规定的一级防水等级标准,二次衬砌结构不允许渗水,二次衬砌结构表面无湿渍。检测手段以目测方式为主,要求衬砌密实且表面观察不到湿渍为准。隧道结构防排水主要采取的措施为:** Expression is faulty **在隧道内设双侧排水沟和中心排水沟(向塘村一号、二号明洞设有中心排水沟),中心排水管与侧沟以 PVC 泄水管连接;** Expression is faulty **隧道初期支护与二次衬砌间拱墙铺设防水板加土工布防水;③防水板背后设置环向盲管,防水板下端墙脚处设置纵向盲管;④二次衬砌沉降缝及环向、纵向施工缝采用复合防水处理措施;⑤隧道衬砌采用防水混凝土(即拱墙砼掺加防水剂,仰拱砼掺加高效抗裂防水膨胀剂),抗渗等级不低于 P8;⑥隧道衬砌施工并变形完成后,进行衬砌背后回填注浆。本线隧道二次衬砌混凝土采用防水混凝土,其拱墙设置 EVA 塑料防水板加土工布,明洞外贴防水卷材;施工缝设置中埋式止水带,并涂刷混凝土界面剂;二次衬砌混凝土施工后,拱部进行充填注浆。拱墙参 加 人 员编 制 人朱国松时 间接 收 人时 间中铁十...

1、当您付费下载文档后,您只拥有了使用权限,并不意味着购买了版权,文档只能用于自身使用,不得用于其他商业用途(如 [转卖]进行直接盈利或[编辑后售卖]进行间接盈利)。
2、本站所有内容均由合作方或网友上传,本站不对文档的完整性、权威性及其观点立场正确性做任何保证或承诺!文档内容仅供研究参考,付费前请自行鉴别。
3、如文档内容存在违规,或者侵犯商业秘密、侵犯著作权等,请点击“违规举报”。

碎片内容

隧道防排水施工技术交底书(武广项目)

您可能关注的文档

确认删除?
VIP
微信客服
  • 扫码咨询
会员Q群
  • 会员专属群点击这里加入QQ群
客服邮箱
回到顶部