电脑桌面
添加小米粒文库到电脑桌面
安装后可以在桌面快捷访问

初中化学实验探究题(含答案)(同名16671)VIP免费

初中化学实验探究题(含答案)(同名16671)_第1页
1/18
初中化学实验探究题(含答案)(同名16671)_第2页
2/18
初中化学实验探究题(含答案)(同名16671)_第3页
3/18
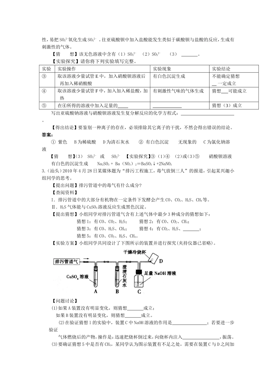
实验探究题1.(佛山)氯气(Cl2)是黄绿色气体,水溶液叫氯水。把品红试纸(染有品红的纸)伸入氯水中,品红褪色。【发现问题】氯水中的哪些成分能使品红褪色呢?【查阅资料】氯气溶于水,部分与水反应,方程式为Cl2+H2O=HCl+HClO。其中,HClO的名称叫次氯酸,是一种弱酸,具有强氧化性。【猜想】猜想1:是氯水中的水使品红褪色的;猜想2:是氯水中的(填化学式)使品红褪色的;猜想3:是氯水中的盐酸使品红褪色的;猜想1:是氯水中的次氯酸使品红褪色的。【实验探究】实验操作实验现象过程分析①把品红试纸伸入水中没有褪色猜想1不成立②把品红试纸伸入干燥的氯气中没有褪色猜想2不成立③没有褪色猜想3不成立【结论】综合分析:氯水中的(填化学式)使品红褪色,具有漂白作用(能使品红等有色物质褪色)。【反思】(1)HClO中氯元素的化合价为价。(2)氯水中加入AgNO3溶液有白色沉淀生成,化学方程式为。(3)向氯水中滴加紫色石蕊试液,观察到的现象是。答案:【猜想】Cl2【实验探究】③把品红试纸伸入到盐酸中【结论】HClO【反思】(1)+1(2)AgNO3+HCl=AgCl↓+HNO3(3)先变红色后褪色2.(揭阳)某实验小组对实验室中A、B、C、D四瓶无色溶液进行鉴别,它们分别是硫酸钠、稀硫酸、澄清石灰水、四种物质的一种。可供使用的实验用品有:稀盐酸、稀硫酸、碳酸钠、紫色石蕊溶液、硝酸钡溶液、硝酸银溶液、稀硝酸溶液、玻璃棒、试管、胶头滴管。请利用提供的实验用品,鉴别出四种物质,并完成实验报告:实验实验操作实验现象实验结论①取四支试管,各取少量的A、B、C、D溶液,分别先滴加紫色石蕊试液B溶液变红色,D溶液变成蓝色。A、C溶液都呈色。B是D是②另取二支试管,各取少量的A、C溶液,分别先滴入硝酸钡溶液后再滴入稀硝酸溶液。A是硫酸钠溶液C是【发现问题】做完实验②后,该小组在网上查阅资料的时候发现,用稀硝酸酸化的硝酸钡溶液进行检验SO42-时,亚硫酸根离子(SO32-)的存在干扰了SO42-的检验。如往亚硫酸钠(Na2SO3)溶液滴加硝酸钡溶液后有沉淀生成,再加足量的稀硝酸酸依然有白色沉淀。【提出问题】若某无色溶液中可能含有硫酸根离子(SO42-)与亚硫酸根离子(SO32-)中的一种或两种,该如何检验?【查阅资料】亚硫酸钡(Ba2SO3)是无色晶体或白色粉末,微溶于水,在水中是白色沉淀。中性或碱性条件下NO3-不能和SO32-反应,但在酸性条件下,NO3-能和H+反应相遇时(HNO3)具有强氧化性,易把SO32-氧化生成SO42-。往亚硫酸钡中加入盐酸能发生类似于碳酸钡与盐酸的反应,生成有刺激性的气体。【猜想】该无色溶液中含有(1)SO42-(2)SO32-(3)。【实验探究】请你将下列实验填写完整。实验实验操作实验现象实验结论③取该溶液少量试管E中,加入硝酸钡溶液后再加入稀硝酸酸有白色沉淀生成不能确定猜想一定成立④取该溶液少量试管F中,加入加入稀盐酸,加热有刺激性气味的气体生成猜想可能成立⑤在④所得的溶液中加入足量的猜想(3)成立写出亚硫酸钠溶液与硝酸钡溶液发生复分解反应的化学方程式:。【得出结论】要鉴别一种离子的存在,必须排除其它离子的干扰,不然会得出错误的结论。答案:①紫色B为稀硫酸D为清石灰水②有白色沉淀无现象的C为氯化钠溶液【猜想】(3)SO42-或SO32-【实验探究】③(1)④(2)或(3)⑤硝酸钡溶液有白色的沉淀生成Na2SO3+Ba(NO3)2=BaSO3↓+2NaNO33.(汕头)2010年4月28日某媒体题为“排污工程施工,毒气放倒三人”的报道,引起某兴趣小组同学的思考。【提出问题】排污管道中的毒气有什么成分?【查阅资料】I.排污管道中的大部分有机物在一定条件下发酵会产生CO、CO2、H2S、CH4等。Ⅱ.H2S气体能与CuSO4溶液反应生成黑色沉淀。【提出猜想】小组同学对排污管道气含有上述气体中最少3种成分的猜想如下:猜想1:有CO、CO2、H2S;猜想2:有CO、CO2、CH4;猜想3:有CO、H2S、CH4;猜想4:有CO2、H2S、;猜想5:有CO、CO2、H2S、CH4。【实验方案】小组同学共同设计了下图所示的装置并进行探究(夹持仪器已省略)。【问题讨论】(1)如果A装置没有明显变化,则猜想成立;如果B装置没有明显变化,则猜想成立。(2)在验证猜想l的实验中,装置C中Na...

1、当您付费下载文档后,您只拥有了使用权限,并不意味着购买了版权,文档只能用于自身使用,不得用于其他商业用途(如 [转卖]进行直接盈利或[编辑后售卖]进行间接盈利)。
2、本站所有内容均由合作方或网友上传,本站不对文档的完整性、权威性及其观点立场正确性做任何保证或承诺!文档内容仅供研究参考,付费前请自行鉴别。
3、如文档内容存在违规,或者侵犯商业秘密、侵犯著作权等,请点击“违规举报”。

碎片内容

初中化学实验探究题(含答案)(同名16671)

确认删除?
VIP
微信客服
  • 扫码咨询
会员Q群
  • 会员专属群点击这里加入QQ群
客服邮箱
回到顶部