电脑桌面
添加小米粒文库到电脑桌面
安装后可以在桌面快捷访问

NCP1608中文VIP免费

NCP1608中文_第1页
1/16
NCP1608中文_第2页
2/16
NCP1608中文_第3页
3/16
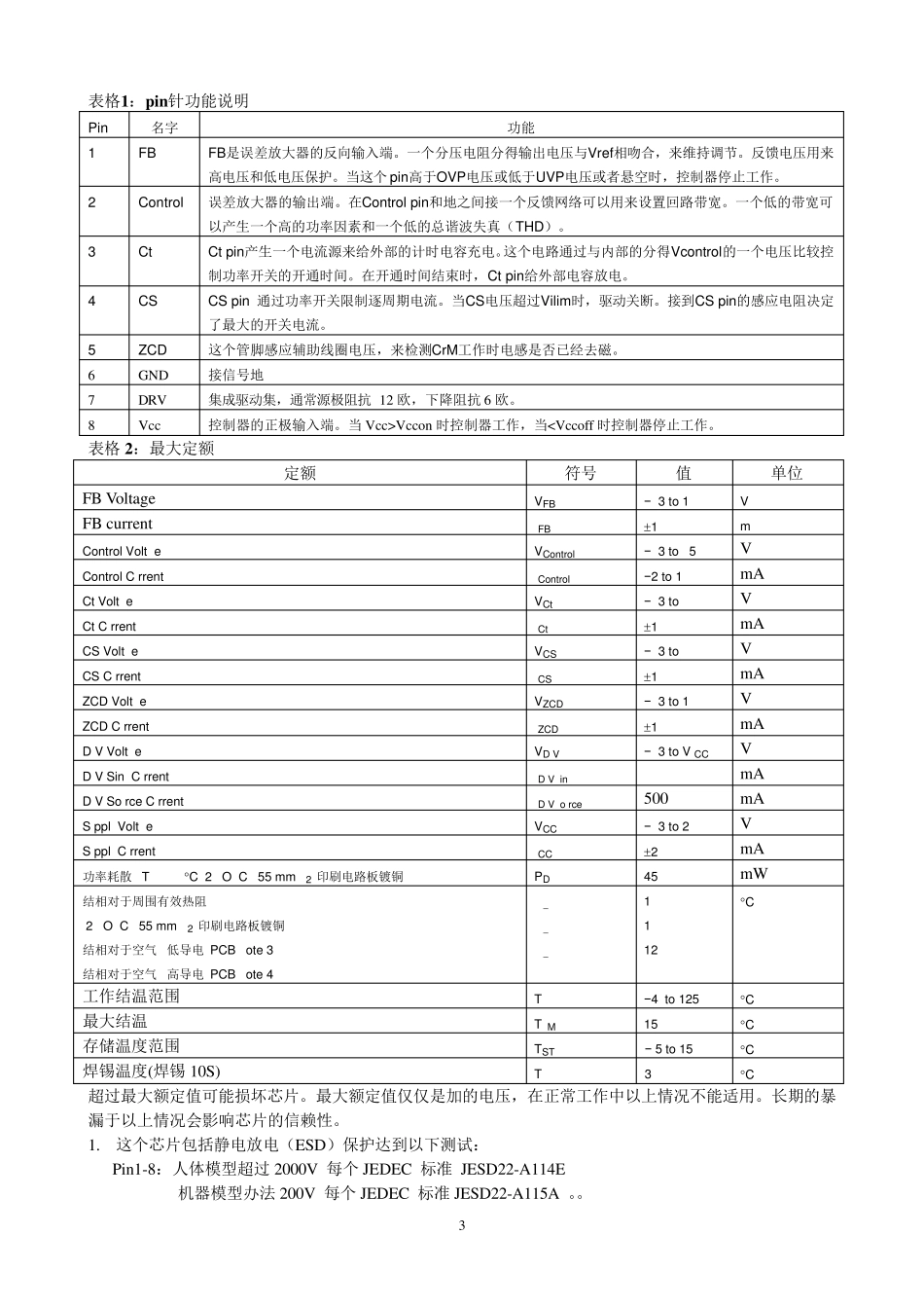
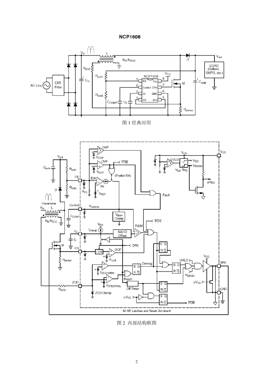
1 NCP1608 临界工作模式PFC PFC 控制器使用手册 NCP1608 是一个主动的功率因素控制器,专门设计用来在AC-DC 转换适配器,电子镇流器和其他的中等功率的离线转换器(通常功率350W 以下)。它使用临界工作模式(CrM)保证高的功率因素和一个宽的输入电压和输出功率。NCP1608 通过内部集成安全特性来最小化外围回路,使他成为一个PFC 设计的优秀的选择。它通常是SOIC-8 封装。 通用特性: ● 高的功率因素(接近 1) ● 不需要输入电压感应 ● 封闭的PWM 逐周期控制开通时间(电压模式) ● 宽的控制范围为高功率应用噪音免疫(>150W) ● 跨导放大器 ● 高精度电压参考源(1.6%任何温度下) ● 非常低的开启电压(<35u A) ● 低的工作电流(2.1mA) ● 上升 500mA/下降 800mA 图腾柱结构门驱动 ● 带有滞后功能的低电压保护 ● Pin to pin 和工业通用的标准兼容 ● PB free ,Halide free 安全特性 ● 过电压保护 ● 低电压保护 ● 反馈悬空保护 ● 过电流保护 ● 精准的可编程的最大开通时间 经典应用 ● 固体照明设备(半导体照明) ● 电子镇流器 ● AC 适配器,TV,监控器 ● 所有的离线的需要 PFC 的应用 Tape 上有卷的说明信息包括部分方向和Tape 大小,请参考我们的tape 上的包装说明手册,BRD8011/D 2 图1 经典应用 图2 内部结构框图 3 表格1:p in 针功能说明 Pin 名字 功能 1 FB FB是误差放大器的反向输入端。一个分压电阻分得输出电压与Vref相吻合,来维持调节。反馈电压用来高电压和低电压保护。当这个 pin高于OVP电压或低于UVP电压或者悬空时,控制器停止工作。 2 Control 误差放大器的输出端。在Control pin和地之间接一个反馈网络可以用来设置回路带宽。一个低的带宽可以产生一个高的功率因素和一个低的总谐波失真(THD)。 3 Ct Ct pin产生一个电流源来给外部的计时电容充电。这个电路通过与内部的分得Vcontrol的一个电压比较控制功率开关的开通时间。在开通时间结束时,Ct pin给外部电容放电。 4 CS CS pin 通过功率开关限制逐周期电流。当CS电压超过Vilim时,驱动关断。接到CS pin的感应电阻决定了最大的开关电流。 5 ZCD 这个管脚感应辅助线圈电压,来检测CrM工作时电感是否已经去磁。 6 GND 接信号地 7 DRV 集成驱动集,通常源极阻抗 12 欧,下降阻抗 6 欧。 8 Vcc 控制器的正极输入端。当 Vcc>Vcc...

1、当您付费下载文档后,您只拥有了使用权限,并不意味着购买了版权,文档只能用于自身使用,不得用于其他商业用途(如 [转卖]进行直接盈利或[编辑后售卖]进行间接盈利)。
2、本站所有内容均由合作方或网友上传,本站不对文档的完整性、权威性及其观点立场正确性做任何保证或承诺!文档内容仅供研究参考,付费前请自行鉴别。
3、如文档内容存在违规,或者侵犯商业秘密、侵犯著作权等,请点击“违规举报”。

碎片内容

您可能关注的文档

确认删除?
VIP
微信客服
  • 扫码咨询
会员Q群
  • 会员专属群点击这里加入QQ群
客服邮箱
回到顶部