电脑桌面
添加小米粒文库到电脑桌面
安装后可以在桌面快捷访问

Simtrix.simplis仿真_中文教程VIP免费

Simtrix.simplis仿真_中文教程_第1页
1/31
Simtrix.simplis仿真_中文教程_第2页
2/31
Simtrix.simplis仿真_中文教程_第3页
3/31
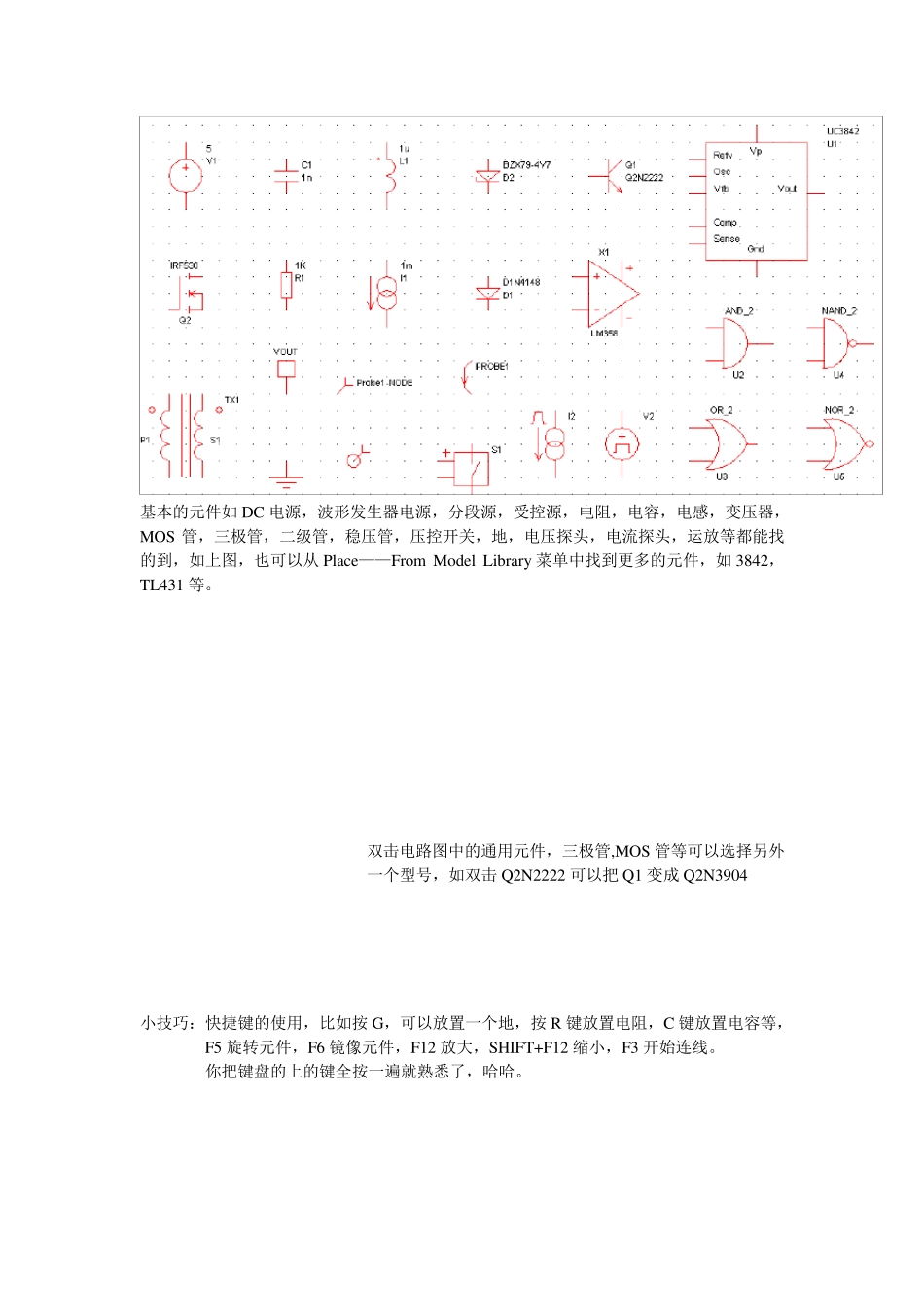
Simetrix /Simplis 仿真基础 近4 年开发电源的过程,在使用仿真软件的过程中,对仿真渐渐有了个了解,仿真不能代替实验。仿真软件显示电路不能工作,而实际确能工作,仿真不收敛,而实际电路永远不会不收敛。但是仿真软件可以测试未知电路,可以验证自己的想法,甚至大大缩短开发过程,在你仿真的过程中,也可以更深入的理解开关电源的拓扑结构,控制模式等,假如你要实验一个电路,发现库里没有现成的IC,在自己搭建IC 之后,你对整个IC 具体是如何运作的必定了解的非常清楚。 如果你的模型足够精确,你可以得到和实验室非常接近的结果。如果你的电路是错误的,你也不用担心“炸机”的危险。 Simetrix /Simplis 是我个人比较喜欢用的一款仿真软件,相对与功能强大的SABER, Simetrix /Simplis 具有操作简单,容易上手,速度快等特点,用来实验开关电源的各个功能电路非常不错,精通之后,也能进行更复杂的仿真实验,比如开关电源的损耗分析,环路分析,大信号分析,IC 设计等。 “只要你能想到的,你就可以用电路实现!” 虽然这几年一直在接触这款软件,但离“精通”还相差很远,但我想利用它简单易学的特点,让更多的人了解使用它,对实际开发有所帮助。并希望引出玉来,使大家共同提高。 我打算先说一下软件操作过程,再举几个简单的实例,供大家参考。由于水平有些,只能说这些基础的东西。 先说一下目录 1. 基础操作:放置元件 2. 导入PSPICE 模型 3. 瞬态分析,DC 分析,AC 分析,参数扫描 4. 自建子电路,元件库 5. 用SIMETRIX 仿真开环 BUCK。 6. 用SIMPLIS 仿真BUCK 电路:POP 分析,AC 分析。 7. 两个简单的实例:桥式整流带恒功率负载— 表达式的应用 填谷 PFC PF 值计算-波形的分析和处理 更深入一点的实例如 电流模式反激电路。 准谐振反激电路。 单极反激 PFC 电路。 LLC 电路等。 做好后会和大家分享。 1 . 放置元件。 先打开程序,点击File——New Schematic,建立新电路图 点这两处地方可以放置元件 基本的元件如DC 电源,波形发生器电源,分段源,受控源,电阻,电容,电感,变压器,MOS 管,三极管,二级管,稳压管,压控开关,地,电压探头,电流探头,运放等都能找的到,如上图,也可以从Place——From Model Library 菜单中找到更多的元件,如3842,TL431 等。 双击电路图中的通用元件,三极管,MOS 管等可以选择另外一个型号,如双击 Q2N2222 可以把...

1、当您付费下载文档后,您只拥有了使用权限,并不意味着购买了版权,文档只能用于自身使用,不得用于其他商业用途(如 [转卖]进行直接盈利或[编辑后售卖]进行间接盈利)。
2、本站所有内容均由合作方或网友上传,本站不对文档的完整性、权威性及其观点立场正确性做任何保证或承诺!文档内容仅供研究参考,付费前请自行鉴别。
3、如文档内容存在违规,或者侵犯商业秘密、侵犯著作权等,请点击“违规举报”。

碎片内容

Simtrix.simplis仿真_中文教程

您可能关注的文档

确认删除?
VIP
微信客服
  • 扫码咨询
会员Q群
  • 会员专属群点击这里加入QQ群
客服邮箱
回到顶部