永久模块化建筑(PMC)行业发展规划 ——20xx 年 装配式建筑是指用工厂生产的预制构件在现场装配而成的建筑。由于采用大量的预制件,其...
PMC 管理知识大全 PMC:“Product Material Control”的英文缩写形式,意思是:生产及物料控制。通常它分为两个部分: 一、PC:生产控...
应聘PC 人家可能会问你应该怎么排计划,排计划时应该注意什么? 怎么跟踪产品的生产进度,生产排期应注意什么原则? 怎么去了解生产的进...
生产计划部(PMC)组织架构和流程 一、部门简介 PMC部集生产计划、原材料采购与仓储于一体,是计划调度中心3 个职能部门之一,是连接市...
》》》》》》优质资料——欢迎下载《《《《《《 PMC运作流程 1.目的 规范公司PMC 运作流程,力求PMC 指挥系统和相关资讯的畅通无阻,...
序号建设模式详解1PPPPPP民间参与公共基础设施建设和公共事务管理的模式统称为公私(民)伙伴关系(PublicPrivatePartnership—简称PPP)。具体...
PMC 部绩效考评表 部门:PMC 岗位:生产计划员 被考评人: 考评人: 部门审核: 考评时段: 考评模块 指标名称 目标 权重 考核...
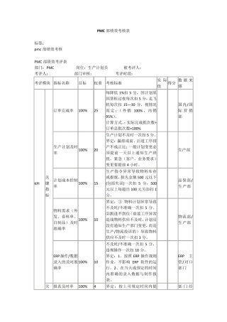
PMC 部绩效考核表 标签: PMC 部绩效考核 PMC 部绩效考评表 部门:PMC 岗位:生产计划员 被考评人: 考评人: 部门审核: 考评...
PLN-001 PMC 系列装置选型表汇编 Ver 1.02.080606 编制:胡志华 厂长审核:刘昌伟 研发审核:刘洪波 批准:曾幼松 日期:2008.6.1...
第 1 页 共 13 页 X X X 有限公司 生产物料控制部工作指引 受控状态 文件编号 版本 A 页号 2/15 生效日期 1-0 生产物料...
中 山 市 格 林 曼 光 电 科 技 有 限 公 司 绩效考核表 工作岗位: PMC部长 岗位人员: 陈贞全 考核时间: 2010年1月份...
版次:A/0 0 卓力集团吸尘器事业部 PMC 管 理 制 度 编制: 审核: 批准: 版次:A/0 1 前言 定义 目录 一、 组织架构图...
PMC窗口功能
PMC物控计划流程hy
PMC 的组织结构 一、生产管理的组织结构的作用; 二、组织的职能定位; 1、为了实现计划和目标; 2、应把所拥有的人、财、物等资源有...
PMC 物控管理系统功能 时间:2011-06-10 07:26来源:本站整理 作者:雨扬 点击: 6321 次 一、产品管理 产品管理支持自定义。建议分为...
PMC 物控工作计划 我公司当前,物料控制工作已逐步建立起“以物料供应保障为中心,物耗控制和仓储管理为基本点”的运作模式发展;今后,...
计划与物料控制部—工作手册 1 计划与物料控制部 工 作 手 册 编委:向勇志、罗能明、郭永志、胡新丰、王绍军、彭前刚、凌建明、黎...
-- SC-SC/BD---02 X X 公司 生产计划变更通知单 编号: 年 月 日 生产计划通知单编号 变更内容 变更后内容 备注 制单人: ...
1 PMC 的工作流程及职能 PMC 代表Product Material Control 的缩写形式,意思为生产及物料控制。通常它分为两个部分: PC:生产控...

