预制阳台、雨罩、通道板安装工程质量管理1、依据标准《建筑工程施工质量验收统一标准》 GB50300-2001 《钢筋混凝土结构工程施工质量验收...
文档来源为 :从网络收集整理.word 版本可编辑 .欢迎下载支持 . 1 施工组织设计一、 编制依据1、设计施工图纸2、招投标文件和施工承...
仅供参考 [整理 ] 第 1 页 共 8 页安全管理文书预制节段梁拼装施工安全技术规定日期: __________________单位: ______________...
组合式综合预制舱的应用摘 要本专题根据XX110kV 变电站工程具体条件,结合新一代智能变电站示范工程试点站中预制舱和组合预制舱的使用情...
编制依据和原则页脚内容 13 工程实施方法3.1 变电站施工流程变电站施工流程见下图。3.2 变电站土建主要施工方法(一)施工测量施工测...
预制箱梁模板安装及拆除作业指导书1、适用条件、范围为了使贵溪制梁场桥梁预制模板安装的整个施工过程处于受控状态,确保桥梁外形轮廓尺寸...
. . 预制舱式 PCS成套设备安装作业指导书编制:年月日审核:年月日审批:年月日北京能高自动化技术股份有限公司. . 目录1 编制依据 ...
预制箱梁砼自动养生工艺预制箱梁砼自动养生工艺目录一、前言 .................................................. 1 二、工法特点 ......
鄢陵南梁场预制梁混凝土浇筑技术交底书表格编号项目名称郑州至周口至阜阳铁路ZFZQ-2 标鄢陵南制梁场第页共页交底编号工程名称鄢陵南制梁场...
完美 WORD 格式专业知识 分享预制梁板首件工程施工方案一、首件工程施工目的1.1 、熟悉梁板预制施工运作程序和各种检测手段,使以后预...
技 术 交 底 书预制箱梁混凝土浇注、振捣技术交底编号页码1/8 工程名称中铁十四局集团青岛蓝色硅谷城际轨道交通工程箱梁施工班组分项/...
文档来源为 :从网络收集整理.word 版本可编辑 .欢迎下载支持 . 1 预制箱梁梁场建设方案及过程控制手册1.适用范围本手册适用于高速铁...
小箱梁预制技术交底(三级)一、工程概况本合同段共计 25m 小箱梁 2120 片/20m 小箱梁 473 片,均为简支结构, 采用后张法施工。单...
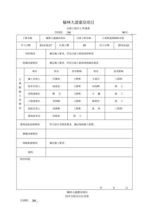
榆林大道建设项目分部工程开工申请表编号:N4 合同段:工程名称榆林大道建设项目分部工程名称上部构造预制和安装开工日期2012.03.27 计划...
仅供参考 [整理 ] 第 1 页 共 11 页安全管理文书预制箱梁安全保证措施日期: __________________单位: __________________仅供...
国家高速公路网 G85重庆至昆明高速公路嵩明(小铺)~昆明高速公路预制箱梁安装专项施工方案中国交建云南嵩昆高速公路项目一公局分部第7 ...
完美 WORD 格式专业知识 分享目录一、编制说明 .............................................................................. 1...
预制箱梁安装施工方案、工程概况我部共有箱梁 711 片, 其中 20m 箱梁 286 片,30m 箱梁 149 片,40m 箱梁 276 片。各桥梁板规格...
仅供参考 [整理 ] 第 1 页 共 9 页安全管理文书预制箱梁安全培训日期: __________________单位: __________________仅供参考 ...
预制箱梁冬季施工方案页脚内容 1G210 红石梁隧道B 标段项目经理部预制箱梁冬季施工方案编制人:薛剑波审核人:薛剑波编制日期:预制箱梁...

