型钢悬挑脚手架 (盘扣式 )计算书计算依据1、《建筑施工承插型盘扣式钢管支架安全技术规程》JGJ231-2010 2、《建筑施工扣件式钢管脚手架...
型钢悬挑脚手架 (阳角 B)计算书计算依据:1、《建筑施工扣件式钢管脚手架安全技术规范》JGJ130-2011 2、《建筑结构荷载规范》 GB50009-...
第一篇钢管悬挑脚手架规范《《扣件式钢管脚手架安全技术规范》JGJ130-2011》第二篇钢管悬挑脚手架规范《悬挑脚手架施工标准(最新)》悬挑外...
.*悬挑脚手架怎么挑?2017T2-10工程施工技术1 型钢悬挑脚手架技术参数案例工程采用悬挑式脚手架,其搭设技术参数如下表所示。搭设高度<20m...
天津八里洲碧桂园货量区一标段1#—3#楼高层悬挑脚手架专项施工方案建设单位:天津八里洲碧桂园房地产开发有限公司设计单位:博意建筑设计院...
施工方案文件武隆利丰·印象望江苑三号楼工程项目悬挑防护大棚施工方案编制单位:利丰·印象望江苑项目经理 部日 期: 年 月 日目 录...
一、工程概况 建设单位:武汉碧桂园塔子湖置业有限公司 建设地点:武汉市江岸区健美街与华隆街交汇处 勘察单位;中冶集团武汉勘察研究院...
B13 工程落地、悬挑外脚手架监理方案 内容提要: 专业工程特点 监理工作流程 监理工作控制目标及控制要点 监理工作方法及措施 项目...
1 编制说明及依据 - 2 -1.1 编制说明 - 2 -1.2 编制依据 - 2 -2 工程概况 - 3 -3 施工计划 - 3 -3.1 进度计划 - 3...
万通商务中心工程四层外挑梁专项施工方案编制:审核:江苏中顺建设集团有限公司东营分公司2012 年 10 月 04 日万通商务中心四层悬挑梁...
吴家堡村改造项目二期 1 标段总承包工程主楼出车库悬挑板支撑方案编制:审核:审批:陕西建工第八建设集团有限公司2020 年 4 月11、设...
悬挑脚手架施工方案(分段悬挑)1.编制依据 12.工程概况 13.施工部署 24.一般型钢悬挑脚手架运算书错误!未定义书签。5...................
悬挑式卸料平台方案UpdatedbyJackonDecember25,2020at10:00am、工程概况1、工程概况工程基本情况工程名称黄骅港管控一体化办公楼工程工程地...
悬挑脚手架计算书一、基本参数:立杆纵距 la=1。5m立杆横距 lb=0.7m脚手架形式双排架脚手架的步距 h=1。5m脚手架搭设高度 H=18m小横杆...
目录第一章编制依据及说明1.1《建筑施工扣件式钢管脚手架安全技术规范》JGJ130-200121.2《建筑施工安全检查标准》JGJ59-9921.3《建筑结构荷...
中铁•琉森水岸 BQ6-4-1 地块开发项目二期型钢悬挑卸料平台施工方案中国中铁编制审核:批准:中铁三局集团西北工程有限公司中铁琉森水岸...
DGJ江苏省工程建设标准DGJ32/J121-2011建筑施工悬挑式钢管脚手架安全技术规程Technical specification for safety of cantilever st...
型钢悬挑脚手架(扣件式)计算书 计算依据: 1、《建筑施工扣件式钢管脚手架安全技术规范》JGJ130-2011 2、《建筑施工门式钢管脚手架安全...
目 录一、工程概况...................................................................................................................
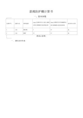
悬挑防护棚类型防护栏高度悬挑防护棚宽度主梁间距主梁之间添加横向次梁的根数二、撑拉杆件参悬挑防护棚计算书一、基本参数支撑序号支撑方式...

