消防喷淋头的安装间距及规范一、消防喷淋头安装间距1.喷淋头安装间距一般为直径3.6米,半径1。8米;2.喷淋头最大保护面积为12。5平方;3.喷...
管道支吊架间距表1、聚丙烯(PP-R)管安装允许偏差见下表:项次项目允许偏差(mm)1水平管道纵横方向弯曲每米管道1.5全长25米以上≯252立管垂...
TJ165架桥机长寿长江大桥小间距铺架施工技术渝涪二线长寿长江大桥紧临既有线,该项目小间距铺架为二级施工,采用TJ165铁路架桥机在封锁点内...
......学习参考消防喷淋头的安装间距与规范7.1一般规定7.1.1喷头应布置在顶板或吊顶下易于接触到火灾热气流并有利于均匀布水的位置。当...
实用标准文案精彩文档消火栓布置间距一、室外消火栓应沿道路设置,道路宽度超过60m时,宜在道路两边设置消火栓,并宜靠近十字路口;二、甲...
表4.4.2检查井最大间距4.7.1雨水口的型式、数量和布置,应按汇水面积所产生的流量、雨水口的泄水能力及道路型式确定。4.7.2雨水口间距宜为2...
晶面间距计算公式正交晶系1/d2=h2/a2+k2/b2+l2/c2单斜晶系1/d2={h2/a2+k2sin2β/b2+l2/c2-2hlcosβ/(ac)}/sin2β立方晶系d=a/(h2+k2+l2)六...
消防喷淋头的安装间距与规7.1一般规定7.1.1喷头应布置在顶板或吊顶下易于接触到火灾热气流并有利于均匀布水的位置。当喷头附近有障碍物...
1、热力管道固定支架的间距:热力管道固定支架的最大允许跨距可按下表执行<地沟或架空敷设>:公称直径DN
9-3钢筋配料与代换9-3-1钢筋配料钢筋配料是根据构件配筋图,先绘出各种形状和规格的单根钢筋简图并加以编号,然后分别计算钢筋下料长度和根...
个人收集整理-ZQ1/7表厂房之间及其与乙、丙、丁、戊类仓库、民用建筑等地防火间距名称甲类厂房乙类厂房(仓库)丙、丁、戊类厂房(仓库)民...
台车间距可调并自动垂直返回的链式输送机的设计东风设计研究院文小炎吕晓翔摘要:对台车间距可调及自动垂直返回链式输送机设计中的关键计算...
加强圈多间距小课件•加强圈多间距小概述contents•加强圈多间距小的优势•加强圈多间距小的应用场景•加强圈多间距小的制造工艺•加强圈多...
第四章建筑间距与建筑退让红线控制4.1各类建筑建筑间距除必须符合消防、抗震、卫生、防疫、环保、工程管线、建筑安全保护和强制性条文等方...
1、热力管道固定支架的间距:热力管道固定支架的最大允许跨距可按下表执行<地沟或架空敷设>:公称直径DN
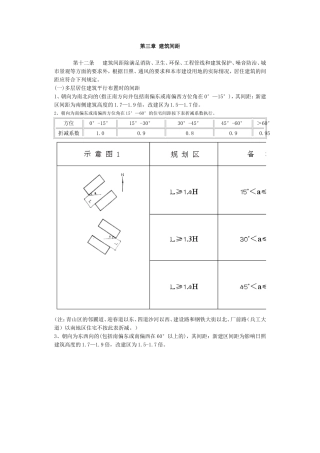
第三章建筑间距第十二条建筑间距除满足消防、卫生、环保、工程管线和建筑保护、噪音防治、城市景观等方面的要求外,根据日照、通风的要求和...
第四章建筑间距第4.0.1条建筑间距除满足日照、消防、卫生、环保、防灾、交通需求、通风和工程管理埋设、建筑物保护、空间环境等方面的规范...
换热器折流板最大间距的探讨王兰生摘要本文以DN400水-水换热器设计计算为例,说明GB151-89《钢制管壳式换热器》中关于折流板的最大间距应...
页脚内容1燃气管道及设施的安全间距序号类别安全间距1室内燃气管道距明装的绝缘电线或电缆平行敷设时最小净距25cm交叉敷设时最小净距iocm2...
肥电距电路板爬电距离与电气间隙的间距爬电距离:沿绝缘表面测得的两个导电零部件之间,在不同的使用情况下,由于导体周围的绝缘材料被电极...

