后张法预应力钢绞线张拉施工摘 要:介绍了后张法预应力钢绞线张拉的施工准备、张拉用到的各种数据的计算方法以及施工工艺和要求。关键词:...
预应力专张拉方案 二○一二年四月目 录第 1 章 编制依据................................................................21.1 预...
衡 昆 国 道 主 干 线 GZ75 衡 阳 ~ 南 宁 ~ 昆 明 公 路平 远 街 ~ 锁 龙 寺 高 速 公 路6 合 同 半 ...
负弯矩张拉技术交底根据现场桥面铺装第一次浇筑完成后情况,依据《湖北省宜昌至巴东(鄂渝界)公路两阶段施工图设计》,进行 T 梁负弯矩...
****桥 40.0m 连续箱梁张拉(后张法)应力控制计算1、基本情况及要求:1.1、40.0m 连续箱梁设计砼标号 C50,设计要求砼强度应达到设计...
30 米后张法箱梁钢绞线张拉计算书(边跨梁)钢束编号每根长度(cm)钢绞线直径(cm)钢绞线根数张拉吨位(KN)理论伸长值(cm)10%20%100%...
30 米后张法箱梁钢绞线张拉计算书(中跨梁)钢束编号每根长度(cm)钢绞线直径(cm)钢绞线根数张拉吨位(KN)理论 伸长值(cm)10%20%10...
某桥梁工程 30 米预制箱梁预应力张拉施工控制一、施工前的准备工作(一)波纹管1、波纹管安装尺寸定位必须准确,为确保波纹管不被挪动、...
20m 斜 度 0箱 梁 预 应 力 张 拉 计 算 书XX 大 桥 箱 梁 , 设 计 采 纳 标 准 强 度 fdk=1860Mpa 的低 松...
预应力锚索张拉记录表 承包单位: 福建省第五地质工程公司 工程名称: 利嘉中心监理单位: 福州三利监理建设有限公司 张拉日期: 201...
预 应 力 张 拉 记 录 表(一)施工单位:湖南新宇建筑工程有限公司 监理单位: 深圳市恒浩建工程项目管理有限公司 工 程 名 ...
昆 明 轨 道 交 通 工 程承包单位: 中铁十六局集团有限公司 合同号: 监理单位: 四川铁科建设监理有限公司 编 号: 技术交...
17 钢筋、预应力张拉设备表 3 拟投入本合同工程的主要施工机械表机械名称规格型号额定功率(kw)或容量(m3)吨位(t)厂牌及出厂时间手...
绥德站雨篷预应力拉索张拉施工技术绥德站雨篷预应力拉索张拉施工技术 摘要:绥德站雨篷采纳索梁结构体系,拉索作用于梁的上部,形成悬挑结...
第 页/共 页主送单位工程项目预应力筋加工和张拉工程地点 (里程桩号)交底日期交底内容:一、波纹管安装及预应力筋穿束⑴ 波纹管在安...
浅谈高速公路负弯矩预应力智能张拉的应用浅谈高速公路负弯矩预应力智能张拉的应用 摘要:福建龙岩漳永高速公路 A7 合同段共有桥梁 5 ...
浅谈预应力砼智能张拉浅谈预应力砼智能张拉 【摘要】 本文首先介绍了预应力砼智能张拉系统及工作原理,然后分析了智能张拉系统主要功能特...
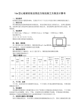
16m 空心板梁后张法预应力张拉施工方案及计算书一、张拉条件砼强度达到设计强度的 85%,且浇注不少于 7 天后方可进行预应力钢绞线张拉...
第一章 工程概况及设计简介第一节 工程概况 本项目主线设预应力桥梁 2 座,现浇钢筋混凝土实心板桥 1 座。其中城关村 1 号桥,桥梁...
客货共线 T 型提速梁预应力张拉施工技术客货共线 T 型提速梁预应力张拉施工技术 摘要:时速 200km 预制后张法简支 T 梁,是一种高...

