I ALC 电路使用手册 文件编号:KT-06021-1001SM 编制:__________ 审核:__________ 批准:_________...
电路仿真的方式 一、前言 在电子产品的整体开发过程中,由电路的理论绘制进入到 PCB 的实质制作,一般还要经历一个重要的过程,即电路...
132 实验八、电路包络仿真 概 述 这节主要讲述了电路包络(Circuit Envelop)仿真的基础。针对输入信号是脉冲或诸如GSM、CDMA 调制信号...
混 频 器 的 设 计 与仿真 设 计 题目: 混 频 器 的 设 计 与仿真 学生姓名: 学 院: 专 业: 指导老师: 学 号...
ADC0809 引脚图与接口电路 A/D 转换器芯片ADC0809 简介 8 路模拟信号的分时采集,片内有8 路模拟选通开关,以及相应的通道抵制锁存...
此电路中所用产品AD7606AD7606-4AD7606-6ADR421特点多通道同时采样数据采集系统实现 16 位性能的布局指南应用:可编程逻辑...
单片仪表放大器 为了满足对更容易应用的仪表放大器的需求,ADI 公司研发出单片IC 仪表放大器。这些IC 包含对如前所述的三运放和双运放...
加热器温控电路中 AD590的应用一AD590背景简介AD590是集成温度传感器的一种,而集成温度传感器输出形式有电压输出型和电流输出型,AD590则...
《数字电子技术》课程设计报告 8 路 智 力 抢 答 器 设 计 与 制 作 设计要求: 1 、可同时供 8 名选手或 8 个代表队参...
《数字电子技术》课程设计报告 8 路 智 力 抢 答 器 设 计 与 制 作 设计要求: 1 、可同时供 8 名选手或 8 个代表队参...
8×8 位数/模转换电路 A A 88347 最新推出的AA88347 是一款8 通道8 位数字量/模拟量转换电路(DAC),可直接与Fujitsu 的MB8834...
单片机复位电路设计 一、概述 影响单片机系统运行稳定性的因素可大体分为外因和内因两部分: 1、外因 射频干扰,它是以空间电磁场的形式...
831“电路、信号与系统”复习参考提纲 一 、 总 体 要 求总 体 要 求 “电路、信号与系统”由“电路”(80 分)和“信号与系统...
821“电路、信号与系统”复习参考提纲 一、 总体要求 “电路、信号与系统”由“电路”(75 分)和“信号与系统”(75 分)两部分组成...
4 .4 显示模块 4 .4 .1 7 段数码管的结构与工作原理 7 段数码管一般由 8 个发光二极管组成,其中由 7 个细长的发光二极管组成...
实 验 报 告 课程名称: 现代电力电子技术 实验项目: 单相交流调压电路实验 实验时间: 实验班级: 总 份 数: 指导教师: ...
2 分压式偏置放大电路 2.1 分压式偏置放大电路的组成 分压式偏置放大电路如图所示。V是放大管;RB1、RB2 是偏置电阻,RB1、RB2 组成...
课程内容与学时分配单元电 路的 基本 概1念 与基 本定律学习目标掌握电路模型的概念;掌握电流、电压、电位、功率等物理量;掌握电阻...
解复习思考题3-1 组合逻辑电路的特点从电路结构上看,组合电路只由逻辑门组成,不包含记忆元件,输出和输入之间无反馈。任意时刻的输出仅...
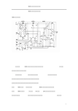
□□□□□□13D1□□2012-5-26□□□□□□□□□□□□□□□□□□□1 叮□□□□□□□□□□□□□□□□□□□□□□□□□□□1□...

