江苏省大丰实验初级中学2012-2013年度九年级物理上学期周练试卷(无答案)苏科版一:选择题:(15×2/)题号123456789101112131415答案1....
江苏省无锡市宜兴外国语学校2013届九年级3月月考数学试题苏科版说明:本试卷满分130分,考试时间120分钟,请将本卷所有答案写在答卷上。一...
江苏省赣榆县汇文双语学校2013届九年级数学第二次质量检测试题(无答案)苏科版一、选择题(每小题3分,共30分)1.连云港市2010年平均房价...
杠杆、滑轮、功、功率复习1、当动力于与的连线时,动力臂最长,动力最;2、理想滑轮,是指不计、、3、定滑轮①力的关系——不计绳重、摩擦...
江苏省昆山市兵希中学九年级数学上学期期中复习(2)苏科版【知识回顾】1.二次根式:式子(≥0)叫做二次根式。2.最简二次根式:必须同时满...
2011中考物理模拟试题(三)满分(85分)考试时间:85分钟一、选择题(本题包括9个小题,共21分。其中1至6为单选题,每小题2分;7至9为多选...
第1章一元二次方程本章中考演练1.[2017·南京]若方程(x-5)2=19的两个根为a和b,且a>b,则下列结论中正确的是()A.a是19的算术平方根B.b...
江苏省兴化市2013届九年级化学第三次月考试题(无答案)苏科版可能用到的相对原子质量:H-1,O-16,C-12,Cl-35.5,Zn-65,Mg-24,Fe-56,A...
培训材料姓名班级1.小华同学用100N的水平推力,推放在水平地面上重500N的物体,使其作匀速直线运动.若该物体在10s内移动5m,则在此过程中...
班级__________姓名___________九年级数学强化训练一、选择题(每小题3分,共21分).1.下列运算中正确的是()A.3a+2a=5a2B.(2a+b)...
九年级下册数学培优作业18一、选择题1、二次函数2(12)12yxkx,当1x时,y随着x的增大而增大,当1x时,y随着x的增大而减小,则k...
课题中位线——梯形的中位线课时数时间:教学目标1.掌握梯形中位线的概念和梯形中位线定理;2.掌握定理“过梯形一腰中点且平行底的直线平...
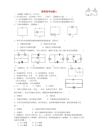
周周清考试题4一、选择题(每题4分,计40分)1、在日常生活中,人们常说“开灯”、“关灯”,其物理含义是:()A.开灯是指断开开关,关灯...
九年级1O月阶段测试数学试题(考试时间:120分钟试卷满分:150分考试形式:闭卷)一、选择题(本大题共8小题,每小题3分,共24分)1.下列方程...
培训材料下面是有关流体压强和流速关系在生活中的实例,请运用所学过的知识解答这些物理现象。(1)图甲,取两张白纸,使其平行自然下垂,...
A.B.C.D.九年级数学周测试卷一、选择题(本大题共有10小题,每小题3分,共30分.)1、2的绝对值是()A.2B.2C.12D.42、下列运...
2012年江苏省常熟市一中初三奖学金考试数学试卷(满分:100分时间:75分钟)一、选择题1.下列各式:(1-x),,,,,其中分式共有()A.2个...
江苏省苏州市蓝缨学校九年级数学周练四苏科版班级姓名得分一、选择题:(30’)1、若代数式3a4b2x与0.2a4b3x-1是同类项,则x的值是()A.21B...
清大学习吧2010-2011年初三上册数学期末试卷1姓名一、选择(24)1、计算28的结果是()A、6B、6C、2D、22、若等腰三角形中有一个角等于50...
江苏省灌南县实验中学九年级数学下学期综合试题八编号课题班级姓名评价B028综合练习81.解一元二次方程。①042xx②6)1(32x③0142...

