电脑桌面
添加小米粒文库到电脑桌面
安装后可以在桌面快捷访问

UGNX4.0手机建模方法VIP免费

UGNX4.0手机建模方法_第1页
1/23
UGNX4.0手机建模方法_第2页
2/23
UGNX4.0手机建模方法_第3页
3/23
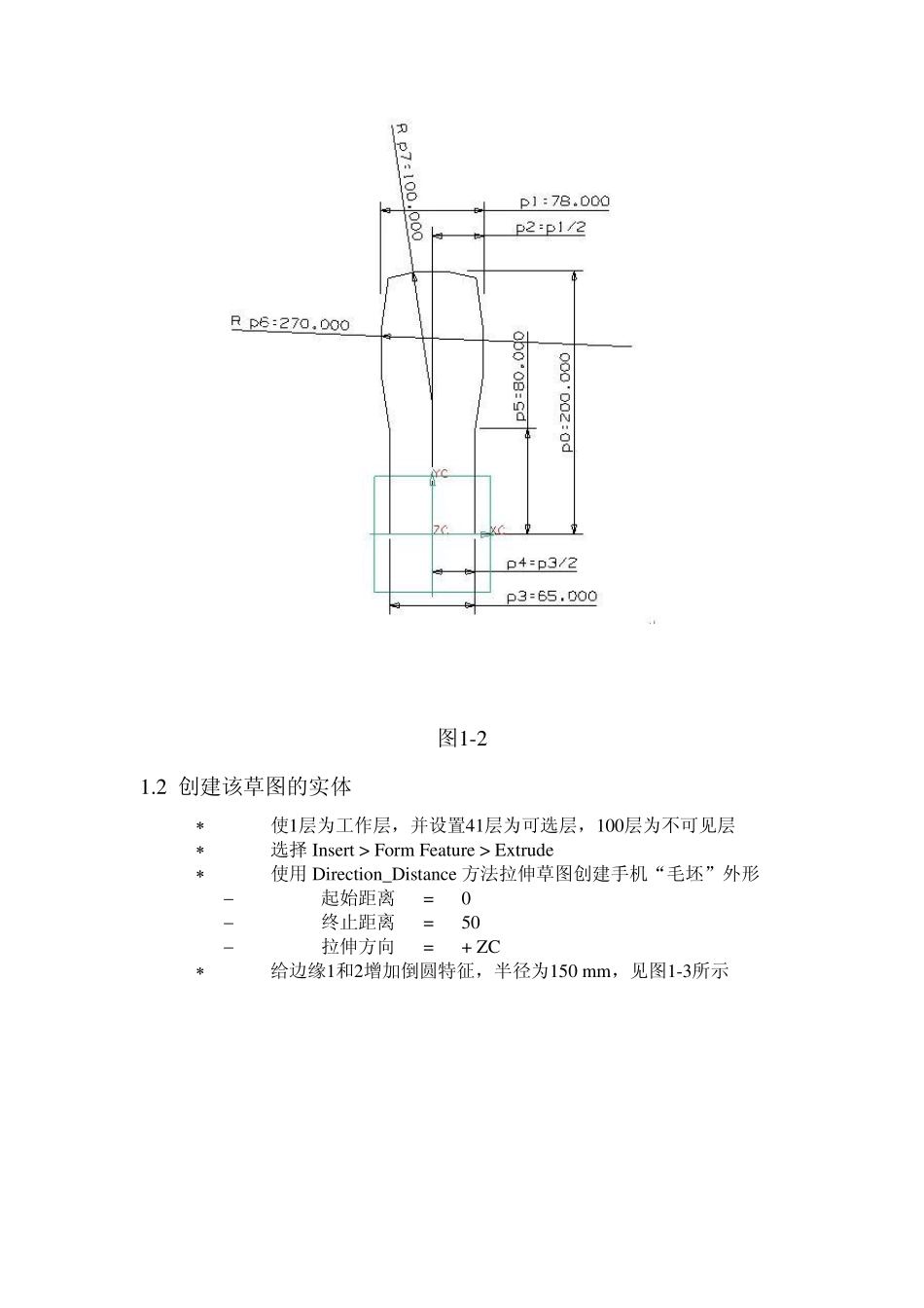
第一部分 第一章 手机的外形轮廓 1.1 建立轮廓形状  建立一个单位为公制的新文件(文件名:Mobile.prt)  使100层为工作层,并创建3个固定的基准平面和3个固定的基准轴  使41层为工作层,并设定100层为可选层  选择Insert > Sketch > Create 创建一个新草图(草图名:ou tline):使用XC-YC 基准平面作为草图平面,如图1-1所示 图1-1   给草图增加几何约束:约束A2与A3等半径、约束L1与L3等长度、约束A1的圆心在基准轴Y_ax is 上、约束L2与基准轴X_ax is 共线  给草图增加尺寸约束,如图1-2所示 图1-2 1.2 创建该草图的实体  使1层为工作层,并设置41层为可选层,100层为不可见层  选择Insert > Form Featu re > Ex tru de  使用Direction_Distance 方法拉伸草图创建手机“毛坯”外形  起始距离 = 0  终止距离 = 50  拉伸方向 = + ZC  给边缘1和2增加倒圆特征,半径为150 mm,见图1-3所示 图1-3 1.3 创建用来修剪"毛坯"外形的第一个草图  使42层为工作层,并设置1和41层为不可见层,100层为可选层  选择Insert > Sketch > Create 创建一个新草图(草图名:trim_bottom):使用YC-ZC 基准平面作为草图平面,如图1-4所示 图1-4  给草图增加几何约束:约束A1与L1相切、约束L1的端点在基准轴 Y_ax is 和Z_ax is 上  给草图增加尺寸约束,见图1-5所示 图1-5 1.4 创建用来修剪"毛坯"底部的曲面片体  使61层工作层,并设置42层为可选层,100层为不可见层  选择Insert > Form Featu re > Ex tru de  使用Direction_Distance 方法拉伸草图创建曲面片体  起始距离 = –80  终止距离 = 80  拉伸方向 = +XC 1.5 创建用来修剪"毛坯"外形的另2个草图  使43层为工作层,并设置42和61层为不可见层,100层为可选层  选择Insert > Sketch > Create 创建一个新草图(草图名: trim_u pper_gu ide):使用YC-ZC 基准平面作为草图平面,见图1-6所示 图1-6  给草图增加几何约束:约束A1与A2、A2与A3、A3与A4相切 、约束A1、A2、A3和 A4等半径、约束A2的端点在基准轴 Z_ax is 上  给草图增加尺寸约束,见图1-7所示 图1-7  使44层为工作层,并设置43和100层为可选层  选择 Insert > Sketch > Create 创建一个新草图 (草图名: t...

1、当您付费下载文档后,您只拥有了使用权限,并不意味着购买了版权,文档只能用于自身使用,不得用于其他商业用途(如 [转卖]进行直接盈利或[编辑后售卖]进行间接盈利)。
2、本站所有内容均由合作方或网友上传,本站不对文档的完整性、权威性及其观点立场正确性做任何保证或承诺!文档内容仅供研究参考,付费前请自行鉴别。
3、如文档内容存在违规,或者侵犯商业秘密、侵犯著作权等,请点击“违规举报”。

碎片内容

UGNX4.0手机建模方法

小辰9+ 关注
实名认证
内容提供者

出售各种资料和文档

相关文档

确认删除?
VIP
微信客服
  • 扫码咨询
会员Q群
  • 会员专属群点击这里加入QQ群
客服邮箱
回到顶部