电脑桌面
添加小米粒文库到电脑桌面
安装后可以在桌面快捷访问

造粒机结构综述VIP免费

造粒机结构综述_第1页
1/7
造粒机结构综述_第2页
2/7
造粒机结构综述_第3页
3/7
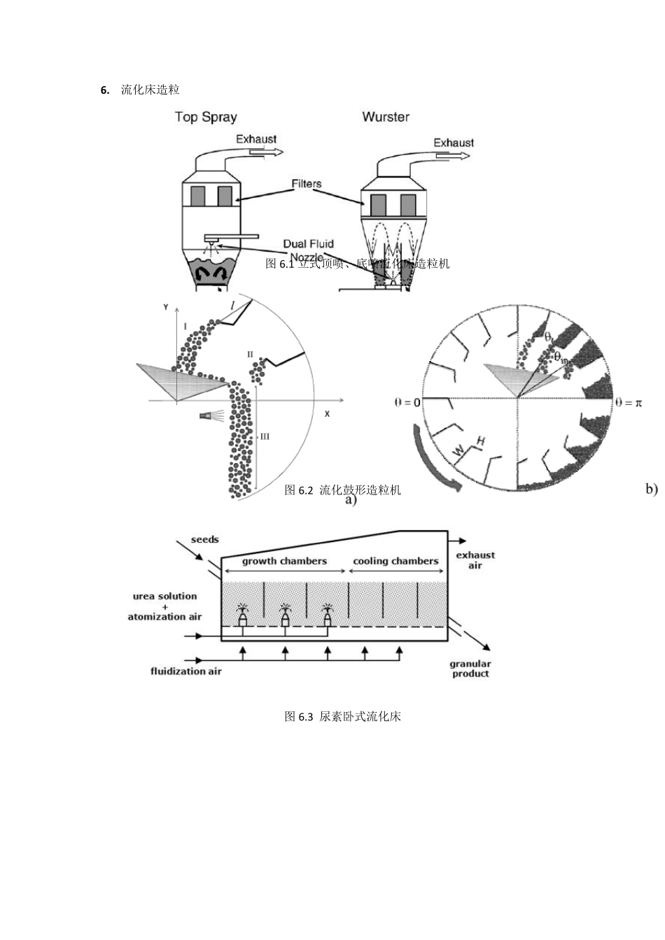
1. 沸腾造粒法 图 1 沸腾造粒法 图 2 导向喷动造粒法 沸腾造粒法在几种方法中效率最高,其原理是利用从设备底部吹入的风力将粉粒浮起与上部喷枪喷出的浆液充分接触后相互碰撞而结合成颗粒。用此种方法生产出的颗粒较为疏松,真球度及表面光洁度都很差,适于制造要求不高的颗粒或为其它制剂做前期加工。 2. 导向喷动造粒法 图 2 所示的造粒方法是在沸腾造粒法的基础上发展而来的。即在沸腾造粒筒的下部中央配置一小直径的芯筒或称隔离筒,将底部热风通风孔板的通风面积分布为中心大四周小而形成中心热风流量大于四周的状态。在不同风力的作用下颗粒在筒中从芯筒中间上浮与装在底部中央的喷枪喷出的粘结剂接触,再与上部落下的粉料粘结后由芯筒外部沉降下来形成颗粒的上下循环流动,达到使颗粒均匀长大的目的。此种方法制造出的颗粒仍然比较疏松,但颗粒的尺寸比较均匀。用此方法对颗粒进行表面涂覆包衣效果良好。 3. 喷雾干燥法 图 3 喷雾干燥法 喷雾干燥法是将浓缩的浆液通过喷嘴或离心转盘喷出形成微小液滴,在高温热风的作用下,水分迅速蒸发形成干燥颗粒。如图所示。此种方法生产出的颗粒带有水分蒸发时留下的空隙,同样比较疏松,虽然可以连续生产,但产量较低,而且设备庞大,同时需要前期萃取、过滤、浓缩等一系列处理设备配套。此种方法适于制造速溶类食品或中药制剂。 4. 挤出滚圆造粒法 (a) (b) 图4 挤出滚圆造粒 挤出滚圆造粒方法是先将湿团状药物通过筛板挤成条状,切断形成棒状小粒,然后在离心盘中滚成圆粒。此方法简单实用,效率较高,颗粒密度大,颗粒真球度和表面光洁度取决于转盘的转速和滚圆的时间,稍有凸凹现象。是一种较为理想的高密度颗粒制造方法。 5. 离心造粒法 图5 离心法造粒 离心法造粒是在离心转盘上输入一定量的母粒,母粒在离心力、摩擦力及挡板的作用下,在转盘与筒体的过渡曲面上形成涡旋运动的粒子流,同时在这种粒子流的表面按一定规律喷射雾化的粘结剂和供给粉料,并在转盘与外筒体间的环缝中不断吹入热风,使母粒不断放大。其结构原理如图所示。用这种方法制出的颗粒均匀致密,表面光洁度及真球度很高。 6 . 流化床造粒 图6.1 立式顶喷、底喷流化床造粒机 图6.2 流化鼓形造粒机 图6.3 尿素卧式流化床 图6.4 旋转流化床造粒机 7 . 高剪切混合造粒机 图7 高剪切混合造粒 8. 挤出机 图8.1 纵向螺杆挤出机 图8.2 横向螺杆挤出机 9. 往复式造粒机 图9 往...

1、当您付费下载文档后,您只拥有了使用权限,并不意味着购买了版权,文档只能用于自身使用,不得用于其他商业用途(如 [转卖]进行直接盈利或[编辑后售卖]进行间接盈利)。
2、本站所有内容均由合作方或网友上传,本站不对文档的完整性、权威性及其观点立场正确性做任何保证或承诺!文档内容仅供研究参考,付费前请自行鉴别。
3、如文档内容存在违规,或者侵犯商业秘密、侵犯著作权等,请点击“违规举报”。

碎片内容

造粒机结构综述

小辰7+ 关注
实名认证
内容提供者

出售各种资料和文档

确认删除?
VIP
微信客服
  • 扫码咨询
会员Q群
  • 会员专属群点击这里加入QQ群
客服邮箱
回到顶部