电脑桌面
添加小米粒文库到电脑桌面
安装后可以在桌面快捷访问

LCD12864液晶显示原理电路图程序VIP免费

LCD12864液晶显示原理电路图程序_第1页
1/28
LCD12864液晶显示原理电路图程序_第2页
2/28
LCD12864液晶显示原理电路图程序_第3页
3/28
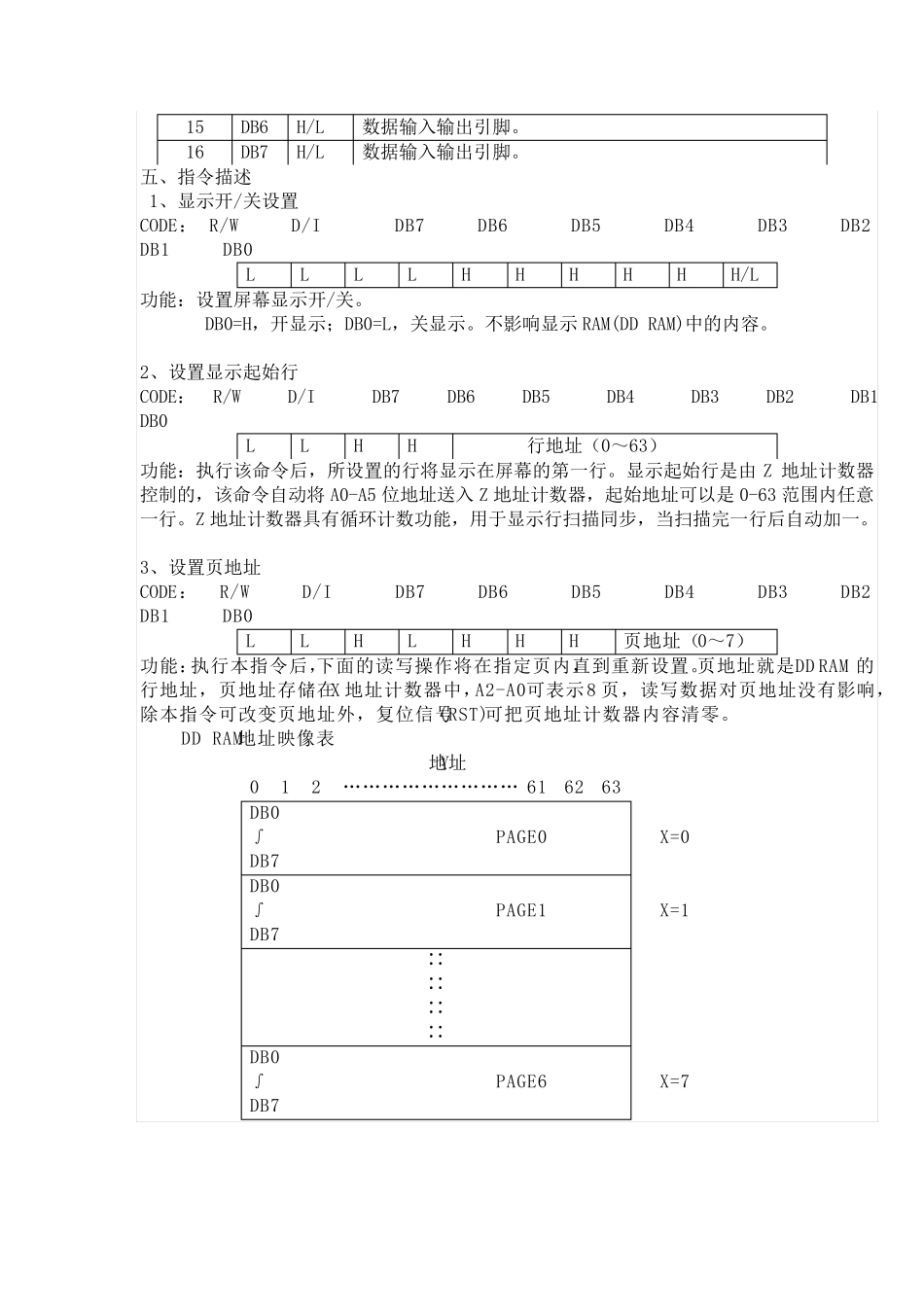
LCD12864 系列点阵型液晶显示模块 使用说明书 一、OCM12864 液晶显示模块概述 1. OCM12864 液晶显示模块是128×64 点阵型液晶显示模块,可显示各种字符及图形,可与 CPU 直接接口,具有 8 位标准数据总线、6 条控制线及电源线。采用KS0107 控制 IC。 2. 外观尺寸:113×65×11mm(ocm12864-1), 93 ×70×10mm(ocm12864-2) 78×70×10mm(ocm12864-3) , 3. 视域尺寸:73.4×38.8mm(ocm12864-1) 70.7 ×38mm(ocm12864-2), 64×44mm(ocm12864 -3) 4. 重量:大约 g  补充说明:外观尺寸可根据用户的要求进行适度调整。 二、最大工作范围 1、逻辑工作电压(Vcc):4.5~5.5V 2、电源地(GND):0V 3、LCD 驱动电压(Vee):0~-10V 4、输入电压:Vee~Vdd 5、工作温度(Ta):0~55℃(常温) / -20~70℃(宽温) 6、保存温度(Tstg):-10~65℃ 三、电气特性(测试条件 Ta=25,Vdd=5.0+/-0.25V) 1、输入高电平(Vih):3.5Vmin 2、输入低电平(Vil):0.55Vmax 3、输出高电平(Voh):3.75Vmin 4、输出低电平(Vol):1.0Vmax 5、工作电流:2.0mAmax 四、接口说明 12864-3A 接口说明表 管脚号 管脚 电平 说明 1 CSA H/L 片选择信号,低电平时选择前 64 列。 2 CSB H 片选择信号,低电平时选择后 64 列。 3 GND 0V 逻辑电源地。 4 VCC 5V 逻辑电源。 5 VEE -10V LCD 驱动电源。 6 D/I H/L 数据\指令选择,高电平:数据 D0-D7 将送入显示RAM; 低电平:数据 D0-D7 将送入指令寄存器执行。 7 R/W H/L 读\写选择,高电平:读数据;低电平:写数据。 8 E H.H/L 读写使能,高电平有效,下降沿锁定数据。 9 DB0 H/L 数据输入输出引脚。 10 DB1 H/L 数据输入输出引脚。 11 DB2 H/L 数据输入输出引脚。 12 DB3 H/L 数据输入输出引脚。 13 DB4 H/L 数据输入输出引脚。 14 DB5 H/L 数据输入输出引脚。 15 DB6 H/L 数据输入输出引脚。 16 DB7 H/L 数据输入输出引脚。 五、指令描述 1、显示开/关设置 CODE: R/W D/I DB7 DB6 DB5 DB4 DB3 DB2 DB1 DB0 L L L L H H H H H H/L 功能:设置屏幕显示开/关。 DB0=H,开显示;DB0=L,关显示。不影响显示RAM(DD RAM)中的内容。 2、设置显示起始行 CODE: R/W D/I DB7 DB6 DB5 DB4 DB3 DB2 DB1 DB0 L L H H 行地址(0~63) 功能:执行该命令后,所设置的行将...

1、当您付费下载文档后,您只拥有了使用权限,并不意味着购买了版权,文档只能用于自身使用,不得用于其他商业用途(如 [转卖]进行直接盈利或[编辑后售卖]进行间接盈利)。
2、本站所有内容均由合作方或网友上传,本站不对文档的完整性、权威性及其观点立场正确性做任何保证或承诺!文档内容仅供研究参考,付费前请自行鉴别。
3、如文档内容存在违规,或者侵犯商业秘密、侵犯著作权等,请点击“违规举报”。

碎片内容

LCD12864液晶显示原理电路图程序

您可能关注的文档

确认删除?
VIP
微信客服
  • 扫码咨询
会员Q群
  • 会员专属群点击这里加入QQ群
客服邮箱
回到顶部