电脑桌面
添加小米粒文库到电脑桌面
安装后可以在桌面快捷访问

MAZAKT参数初级培训VIP免费

MAZAKT参数初级培训_第1页
1/10
MAZAKT参数初级培训_第2页
2/10
MAZAKT参数初级培训_第3页
3/10
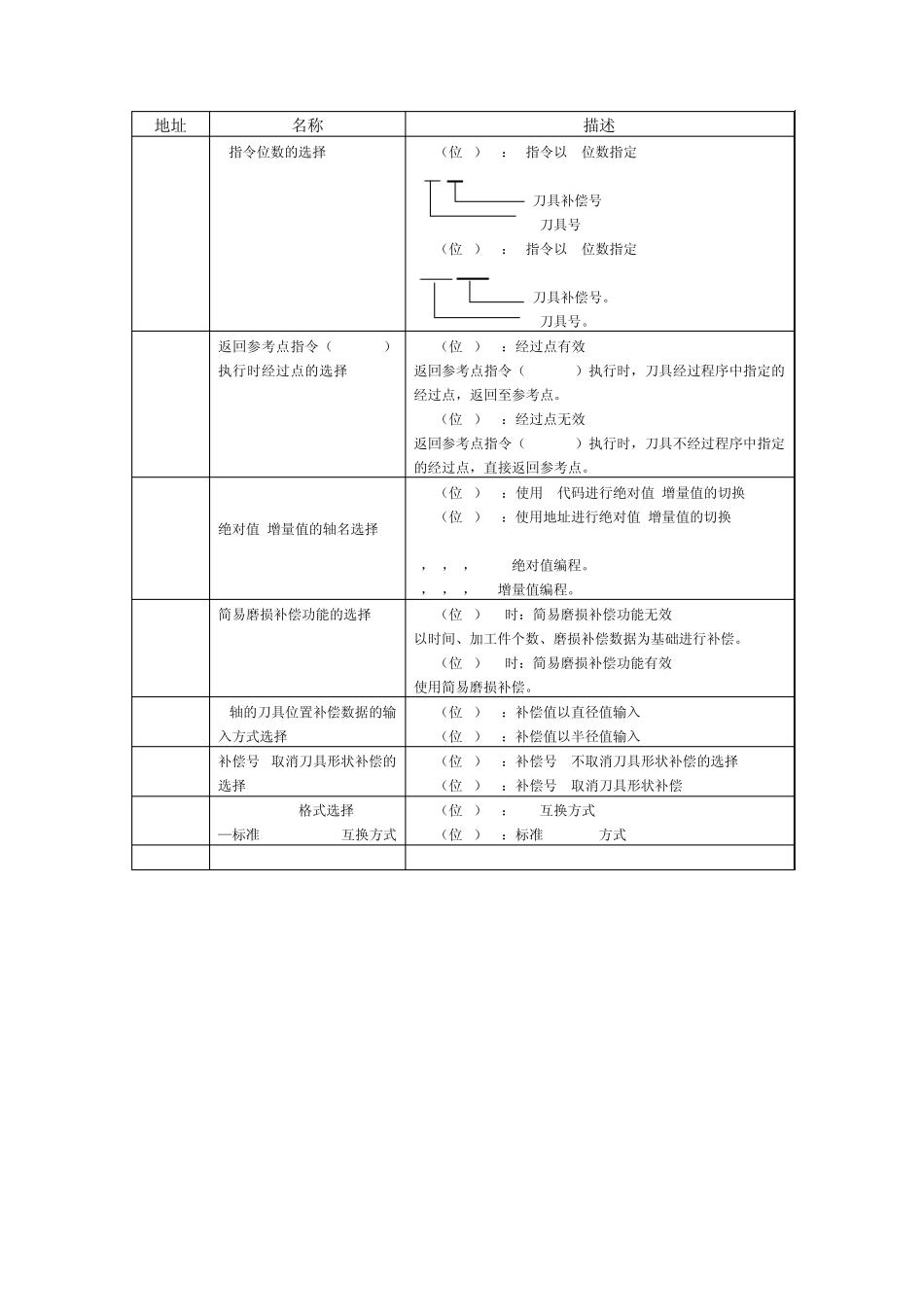
地址 名称 描述 P6.0 备用刀具自动选择功能 P6(位0)=0:备用刀具自动选择功能无效 刀具寿命到期时,更换新刀用于加工。 P6(位0)=1:备用刀具自动选择功能有效 刀具寿命到期时,更换新刀后,选择同一刀具组的下一把刀具进行加工。 (P16位3) P6.1 备用刀具自动选择的顺序 —TNO.顺序/寿命顺序 P6(位1)=0:TNO.顺序 在同一刀具组中,根据 T 编号的顺序,从小到大进行选择。 P6(位1)=1:寿命顺序 在同一刀具组中,根据剩余寿命(寿命时间减去使用时间)的多少,从多到少进行选择。 (P16位3) P6.2 刀具偏置类型选择 ——类型 A/类型 B P6(位2)=0:刀具偏置补偿量只有一种(类型 A) P6(位2)=1:刀具偏置补偿量为形状补偿+磨损补偿(类型B) P9.5 无小数点类型指令的选择 P9(位5)=0:无小数点的位置指令数据,以最小输入单位 (0.01,0.001,0.0001mm或 inch)的规格进行处理 P9(位5)=1:无小数点的位置指令数据,以 1mm或 1inch为单位进行处理 P9.7 精密螺纹切削指令(G32)中地址E的指定方式选择 ——牙数/螺距 P9(位7)=0:在螺纹切削指令的地址E中,指定每英寸的螺纹牙数 P9(位7)=1:在螺纹切削指令的地址E中, 指定精密螺纹切削的螺距 P10.2 暂停指令(G04)设定方式选择 P10(位2)=0:不以时间设定 在非同步进给模式(G98)中以时间设定,同步进给模式中(G99)以主轴转数设定。 P10(位2)=1:以时间设定 无论是在非同步进给模式(G98)还是在同步进给模式(G99)中,都以时间设定。 P10.3 EIA程序中刀具补偿量的选择 在 EIA/ISO程序中选择了 MAZATROL座标系时,刀具数据画面中的磨损补偿量和对刀仪调整量的关系如下: P10(位3)=0:不相加 P10(位3)=1:相加 例:G53 T 0 1 0 1 磨损补偿量+对刀仪调整量 地址 名称 描述 P10.4 T指令位数的选择 P10(位4)=0:T指令以4位数指定 T 0 1 0 1 刀具补偿号 刀具号 P10(位4)=1:T指令以6位数指定 T 0 0 1 0 0 1 刀具补偿号。 刀具号。 P11.5 返回参考点指令(G28/G30)执行时经过点的选择 P11(位5)=0:经过点有效 返回参考点指令(G28/G30)执行时,刀具经过程序中指定的经过点,返回至参考点。 P11(位5)=1:经过点无效 返回参考点指令(G28/G30)执行时,刀具不经过程序中指定的经过点,直接返回参考点。 P11.7 绝对值/增量值的轴名选择 P11(位7)=0:使用G代码进行...

1、当您付费下载文档后,您只拥有了使用权限,并不意味着购买了版权,文档只能用于自身使用,不得用于其他商业用途(如 [转卖]进行直接盈利或[编辑后售卖]进行间接盈利)。
2、本站所有内容均由合作方或网友上传,本站不对文档的完整性、权威性及其观点立场正确性做任何保证或承诺!文档内容仅供研究参考,付费前请自行鉴别。
3、如文档内容存在违规,或者侵犯商业秘密、侵犯著作权等,请点击“违规举报”。

碎片内容

MAZAKT参数初级培训

您可能关注的文档

确认删除?
VIP
微信客服
  • 扫码咨询
会员Q群
  • 会员专属群点击这里加入QQ群
客服邮箱
回到顶部