电脑桌面
添加小米粒文库到电脑桌面
安装后可以在桌面快捷访问

[标准]GB7144VIP免费

[标准]GB7144_第1页
1/6
[标准]GB7144_第2页
2/6
[标准]GB7144_第3页
3/6
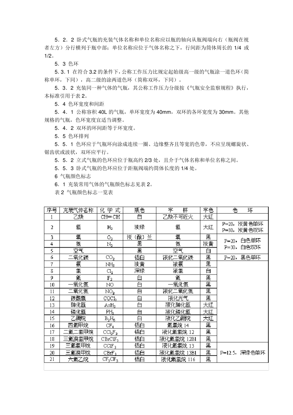
GB7144-1999 气瓶颜色标志 本标准是GB7144-1986《气瓶颜色标记》的修订本。主要有四处变动:舍弃“特种气体类” 的气瓶色标;增列17 种气体的气瓶色标;二氧化氮气瓶和硫化氢气瓶互换瓶色;更改液化石油气瓶的色标。此外,从1989 年版《气瓶安全监察规程》引入气瓶检验色标。 本标准从实施之日起代替GB7144-1986 本标准由全国气瓶标准化技术委员会提出并归口。 本标准起草单位:上海高压容器有限公司。 本标准主要起草人:陈保仪、陈伟明。 本标准于 1986 年12 月首次发布,1999 年12 月首次修订。 1 范围 本标准规定了作为充装气体识别标志的气瓶外表面涂色和字样。 本标准适用于公称工作压力不大于 30MPa、公称容积不大于 1000L、移动式可重复使用的气瓶。 本标准不适用于灭火用的气瓶、车辆燃料气体和机器设备上附属的气瓶。 进口气瓶应按本标准的要求涂敷(或改涂、复涂)颜色标志。 2 引用标准 下列标准所包含的条文 ,通 过 在 本标准中 引用而 构 成 为本标准的条文 。本标准出版时 ,所示 版本均 为有效 。所有标准都 会被 修订,使用本标准的各 方 应探 讨 使用下列标准最 新 版本的可能 性 。 GB/T3181—1995 漆 膜 颜色标准 GSBG51001—1995 漆 膜 颜色标准样卡 3 定义 本标准采 用下列定义 。 3. 1 气瓶颜色标志 coloured cylinder mark for gas 气瓶外表面涂敷的字样内 容、色环 数 目 和涂膜 颜色按充装气体的特性 作规定的组 合 ,是识别充装气体的标志。 3. 2 色环 colour ring 公称工作压力不同 的气瓶充装同 一 种气体而 具 有不同 充装压力或不同 充装系 数 的识别标志。 3. 3 色卡 colour chip 表示 一 定颜色的标准样品 卡 (GB/T3181—1995 中 3.10)。 4 气瓶的涂膜 颜色名 称和鉴 别 4. 1 气瓶的漆 膜 颜色应符 合 GB/T3181 的规定(铝 白 、黑 、白 除 外)。 4. 2 气瓶的漆 膜 颜色编 号 、名 称和色卡 见 表 1。 表 1 气瓶的漆 膜 颜色编 号 、名 称和色卡 4.3 选用漆膜以外方法涂敷的气瓶,其涂膜颜色均应符合表1 的规定。 4.4 颜色和色卡应按GB/T3181 的要求鉴别。 5 气瓶的字样和色环 气瓶的字样、色环彼此间应避免叠合,不占防震圈的位置。 5.1 字样 5.1.1 字样是指气瓶的充装气体名称(也可含气瓶所属单位名称和其他内容,如溶解乙炔气...

1、当您付费下载文档后,您只拥有了使用权限,并不意味着购买了版权,文档只能用于自身使用,不得用于其他商业用途(如 [转卖]进行直接盈利或[编辑后售卖]进行间接盈利)。
2、本站所有内容均由合作方或网友上传,本站不对文档的完整性、权威性及其观点立场正确性做任何保证或承诺!文档内容仅供研究参考,付费前请自行鉴别。
3、如文档内容存在违规,或者侵犯商业秘密、侵犯著作权等,请点击“违规举报”。

碎片内容

您可能关注的文档

确认删除?
VIP
微信客服
  • 扫码咨询
会员Q群
  • 会员专属群点击这里加入QQ群
客服邮箱
回到顶部