电脑桌面
添加小米粒文库到电脑桌面
安装后可以在桌面快捷访问

火山块状硫化物矿床vms型矿床

火山块状硫化物矿床vms型矿床_第1页
1/7
火山块状硫化物矿床vms型矿床_第2页
2/7
火山块状硫化物矿床vms型矿床_第3页
3/7
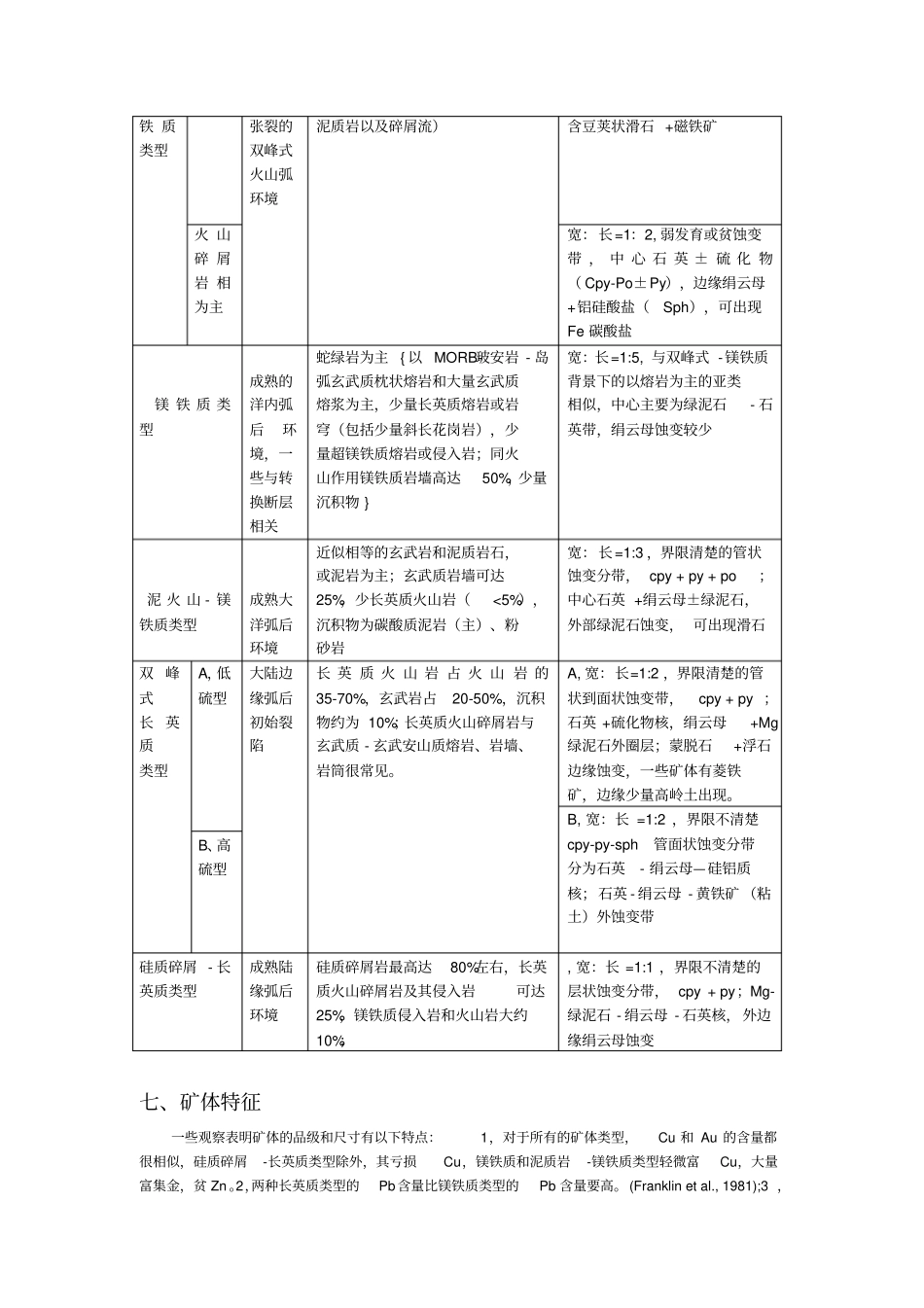
VMS 矿床概述一、VMS定义:Franklin et al. (1981) Barrie and lIannington(1999), La.rge et al. (2001b)等认为火山块状硫化物矿床是受层状地层控制的硫化物集合体,成因上与同期火山活动有关,喷流沉淀于海底。 矿体可分为两个部分, 一是整合型的块状硫化物透镜体(>60%硫化物含量) ,而是不整合型脉状矿体,往往在下部层序中出现。VMS与 VHMS、 VAMS并不可以完全等同,VMS强调成因上与同期火山活动机制有关系,并不认为矿体一定赋存在火山岩石中,还可以赋存在与火山活动相关的火山或者沉积层序中。二、区分 SEDEX、VMS、条带状磁铁矿、浅成低温热液矿床形态上相似和产出相伴生的矿石类型应该加以区分。其中 SEDEX矿床和条带状铁矿床会经常与 VMS矿床相伴生。其中SEDEX矿床在产出环境上形成于大陆边缘裂谷环境,而VMS矿床形成于初始裂开岛弧地区;金属矿物成分上前者Pb-Zn ± Ag为主,后者为多金属杂合;最重要的是形成机制的不同,后者为变质的海水携带者金属离子和硫离子,前者为盆地卤水携带者主要的金属离子类型和外来的硫离子(如生物来源的硫和海水中硫酸根的转变)(Lydon, 1995).。条带状磁铁矿建造也会和VMS矿床相伴生,通常产出在VMS矿床末梢呈大面积分布,由低温热流体中成矿金属卸载形成。(Gross, 1995). 虽然被解释呈大面积的盆地流体作用形成,但是在地球化学微量元素蛛网图上有相似之处。(Peter and Goodfellow, 2003). 在地表火山环境下产出的浅成热液低温贵金属矿床与VMS矿床有着相同的高级泥化带和叶蜡石化现象。(e.g., Poulsen and Hannington, 1996; SUUtoe et al.,1996; Hannington and Herzig, 2(00).但是 VMS矿床成因流体为变质的海水,很少为火山热液。而浅成低温热夜贵金属矿床的流体多为火山热液或者多种流体的混合。三、形成环境、机制VMS主要产出于碰撞环境中的拉裂扩张部位(洋- 洋,洋 - 陆碰撞),随着开裂,沉陷,热的软流圈地幔物质挤入地壳基底而导致地壳变薄,从而形成双峰地幔来源的铁镁质火山作用和地壳来源的长英质火山机制。裂开带中的火山活动就证明了浅部和中部地壳同成因的侵入活动。 造成毗邻火山岩层和沉积岩层中包含的海水的加热和变质。扩张岛弧环境可以由初始岛弧玄武岩和高硅流纹岩由英云闪长岩和奥长花岗岩岩墙和岩床侵入体辨别。形成机制:热传递水岩反应导致金属离子的淋滤同时在VMS矿体下部的半整合蚀变带中形成了热液对流体系。 这种长时...

1、当您付费下载文档后,您只拥有了使用权限,并不意味着购买了版权,文档只能用于自身使用,不得用于其他商业用途(如 [转卖]进行直接盈利或[编辑后售卖]进行间接盈利)。
2、本站所有内容均由合作方或网友上传,本站不对文档的完整性、权威性及其观点立场正确性做任何保证或承诺!文档内容仅供研究参考,付费前请自行鉴别。
3、如文档内容存在违规,或者侵犯商业秘密、侵犯著作权等,请点击“违规举报”。

碎片内容

火山块状硫化物矿床vms型矿床

您可能关注的文档

爱的疯狂+ 关注
实名认证
内容提供者

该用户很懒,什么也没介绍

确认删除?
VIP
微信客服
  • 扫码咨询
会员Q群
  • 会员专属群点击这里加入QQ群
客服邮箱
回到顶部