电脑桌面
添加小米粒文库到电脑桌面
安装后可以在桌面快捷访问

中程建教育注册消防工程师考试近三年高频考点试题汇总

中程建教育注册消防工程师考试近三年高频考点试题汇总_第1页
1/9
中程建教育注册消防工程师考试近三年高频考点试题汇总_第2页
2/9
中程建教育注册消防工程师考试近三年高频考点试题汇总_第3页
3/9
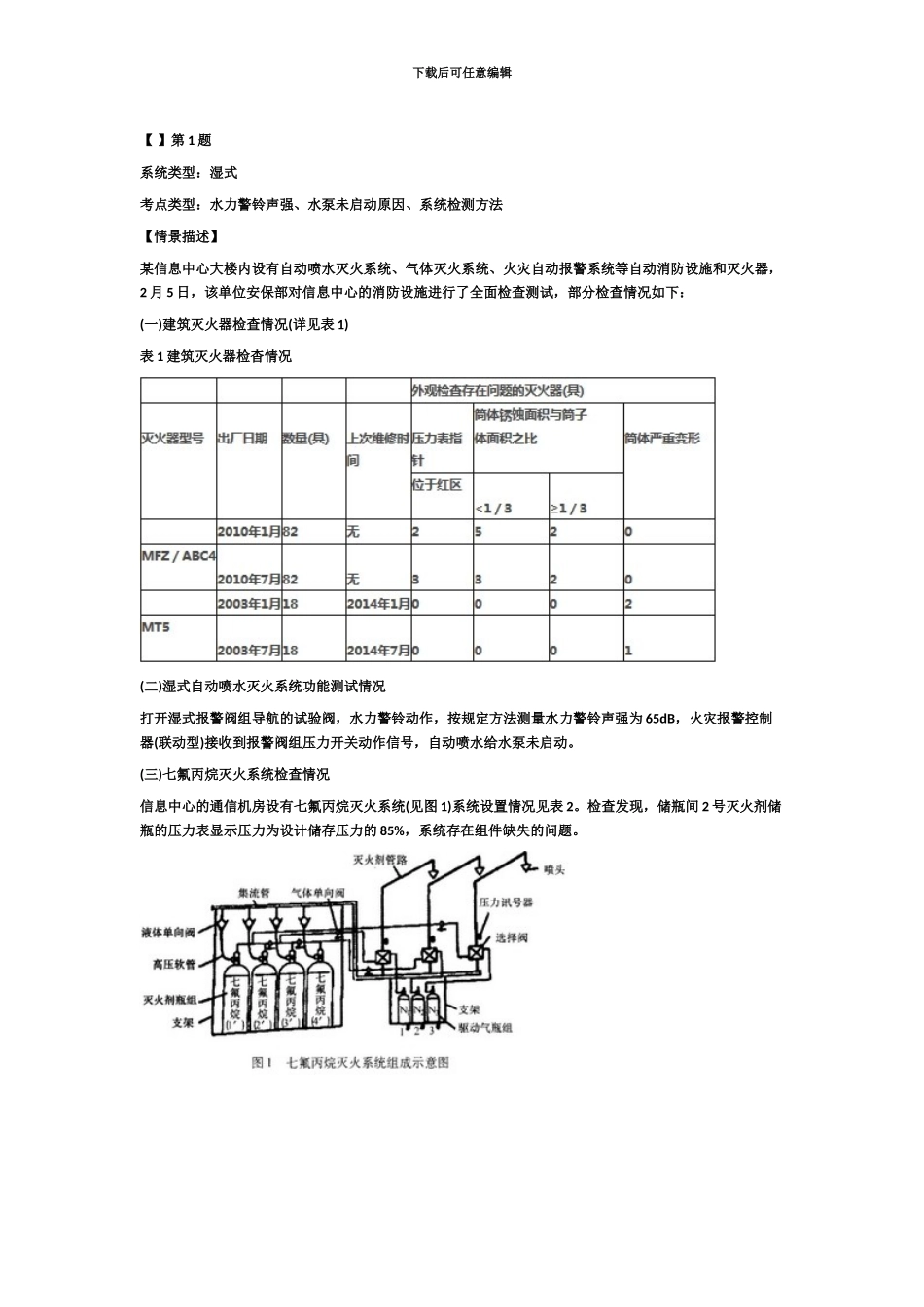
下载后可任意编辑中程建教育注册消防工程师考试近三年高频考点试题汇总下载后可任意编辑【 】第 1 题系统类型:湿式考点类型:水力警铃声强、水泵未启动原因、系统检测方法【情景描述】某信息中心大楼内设有自动喷水灭火系统、气体灭火系统、火灾自动报警系统等自动消防设施和灭火器, 2 月 5 日,该单位安保部对信息中心的消防设施进行了全面检查测试,部分检查情况如下:(一)建筑灭火器检查情况(详见表 1)表 1 建筑灭火器检杳情况(二)湿式自动喷水灭火系统功能测试情况打开湿式报警阀组导航的试验阀,水力警铃动作,按规定方法测量水力警铃声强为 65dB,火灾报警控制器(联动型)接收到报警阀组压力开关动作信号,自动喷水给水泵未启动。(三)七氟丙烷灭火系统检查情况信息中心的通信机房设有七氟丙烷灭火系统(见图 1)系统设置情况见表 2。检查发现,储瓶间 2 号灭火剂储瓶的压力表显示压力为设计储存压力的 85%,系统存在组件缺失的问题。下载后可任意编辑检查结束后,该单位安保部委托专业维修单位对气体灭火设备进行了维修。维修单位派人到现场,焊接了缺失组件的底座,并安装了缺失组件;对 2 号灭火剂储瓶补压至设计压力。【问题】2.指出素材(二)的场景中存在的问题及自动喷水给水泵未启动的原因,并简述湿式自动喷水灭火系统联动功能检查测试的方法。【参考答案】1)存在问题:水力警铃声强 65dB 应为 70dB。2)自动喷水给水泵未启动的原因:① 压力开关与水泵控制柜的接线故障。② 火灾报警控制器(联动型)中控制模块损坏。③ 水泵控制柜、联动控制设备的控制模式未设定在“自动”状态。④ 消防泵出现故障。3)湿式自动喷水灭火系统联动检测方法:① 把系统控制装置设置为“自动”控制方式,启动 1 只喷头或开启末端试水装置,流量保持在0.94~1.5L/s,水流指示器、报警阀、压力开关、水力警铃和消防水泵等应及时动作,并有相应组件的动作信号反馈到消防联动控制设备。② 打开阀门放水,使用流量计、压力表核定流量、压力,目测观察系统动作情况。【 】第 5 题系统类型:湿式考点类型:报警阀组安装、水力警铃不工作原因、压力开关未动作原因【情景描述】某建筑地下 2 层,地上 40 层,建筑高度 137m,总面积 116000m2,设有相应的消防设施。地下二层设有消防水泵房和 540m3 的室内消防水池,屋顶设置有效容积为 40m3 的高位消防水箱,其最低有效水位为141.000m,屋顶水箱内分别设置消火栓系统和自动喷水...

1、当您付费下载文档后,您只拥有了使用权限,并不意味着购买了版权,文档只能用于自身使用,不得用于其他商业用途(如 [转卖]进行直接盈利或[编辑后售卖]进行间接盈利)。
2、本站所有内容均由合作方或网友上传,本站不对文档的完整性、权威性及其观点立场正确性做任何保证或承诺!文档内容仅供研究参考,付费前请自行鉴别。
3、如文档内容存在违规,或者侵犯商业秘密、侵犯著作权等,请点击“违规举报”。

碎片内容

中程建教育注册消防工程师考试近三年高频考点试题汇总

确认删除?
VIP
微信客服
  • 扫码咨询
会员Q群
  • 会员专属群点击这里加入QQ群
客服邮箱
回到顶部