电脑桌面
添加小米粒文库到电脑桌面
安装后可以在桌面快捷访问

牧场牛颈枷及颈杠配置标准

牧场牛颈枷及颈杠配置标准_第1页
1/6
牧场牛颈枷及颈杠配置标准_第2页
2/6
牧场牛颈枷及颈杠配置标准_第3页
3/6
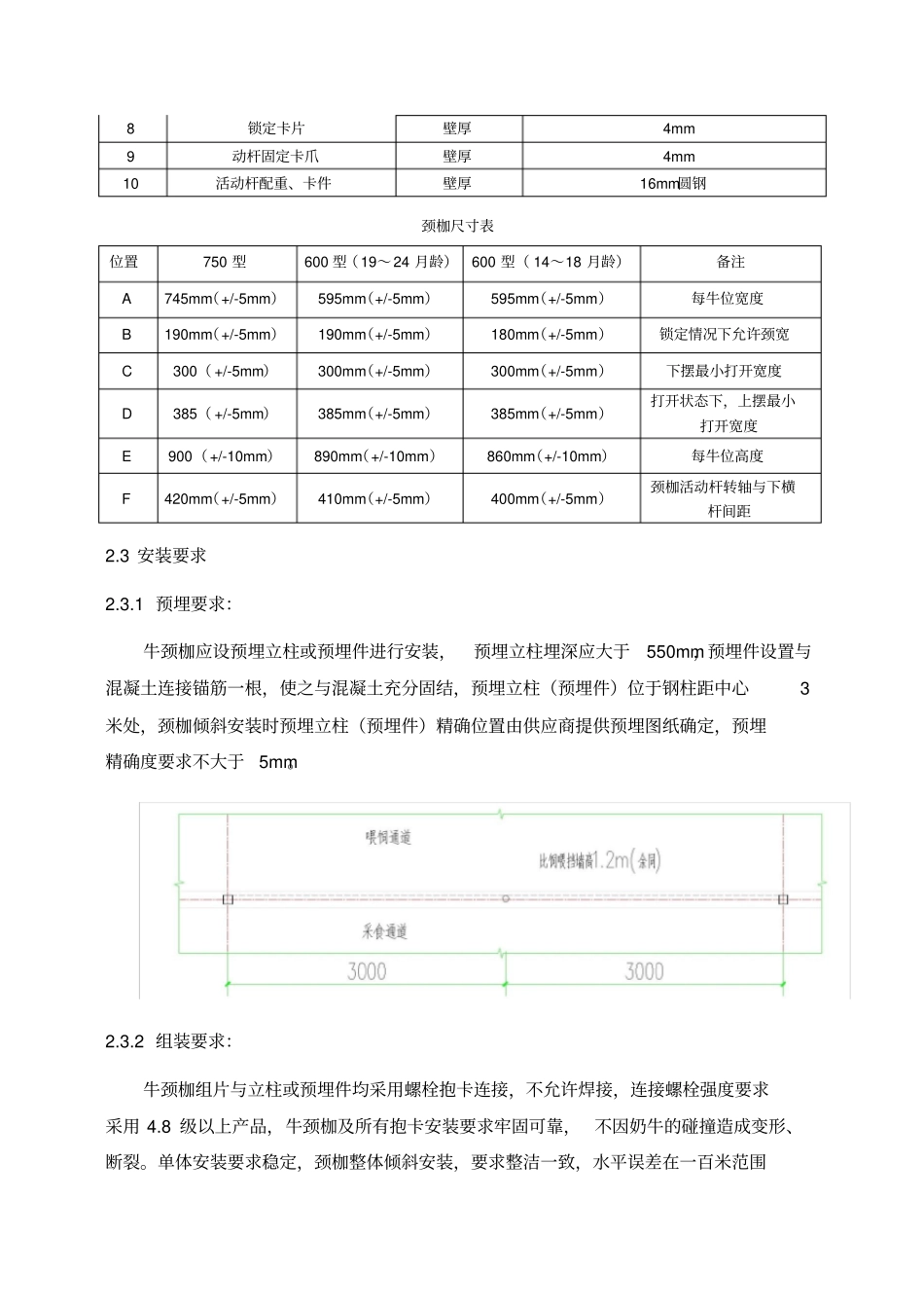
牛颈枷、牛颈杠配置标准1、 主题内容与适用范围:1.1 本标准规定了新建牧场项目对不同月龄的牛群牛颈枷或颈杠的基本配置和技术要求。1.2 本标准适用于新建牧场项目不同月龄的牛群对应的牛颈枷或颈杠选择及安装。2、 牛颈枷配置要求:2.1 不同月龄牛群颈枷配置要求序号牛群分类基本配置1 泌乳牛每颈枷位宽度:750mm(8牛位 /6 米)2 干奶、围产牛每颈枷位宽度:750mm(8牛位 /6 米)(牛舍一侧)3 19~ 24 月龄牛每颈枷位宽度:600mm(10牛位 /6 米)4 14~ 18 月龄牛每颈枷位宽度:600mm(10牛位 /6 米)2.2 技术要求2.1.1 材料要求:牛颈枷所选用的材料应满足《碳素结构钢国家标准》(GB/T 700)和《低合金高强度结构钢国家标准》(GB/T 1591)要求,结构件、预埋件及连接件的材料均采用Q235B碳素钢,满足《碳素结构钢国家标准》 (GB/T 700)标准要求,上述所有金属材料表面全部采用热浸镀锌处理,封闭管材要求有镀锌工艺孔,热浸镀锌执行《GB/T 13912-2002》规范要求,并提供热浸镀锌厂家应提供符合本标准要求的证书。2.1.2 加工要求:所有与牛接触的地方不允许有尖角、刃口、毛刺等,角部采用圆弧过渡,所有钢管弯曲要求平滑,内弧无波纹,外弧无拉伤,弯曲部分无明显的椭圆现象出现。焊接单元应 满 足 《 GB/T12467.1— 1998 》、《 GB/T12468.2— 1998 》、《 GB/T12468.3— 1998 》、《GB/T12468.4— 1998 》焊接质量要求。2.1.3 性能要求:锁定状态时,必须能枷住奶牛且奶牛能舒适自由采食,同时兽医也可对奶牛进行常规体检、免疫、人工授精、妊娠检查、治疗等兽医处理活动;打开状态下,奶牛能自如进出;要求颈枷能够同时锁住或同时释放18~24 米长范围内采食的奶牛, 当出现紧急情况时,要求能迅速正向或反向打开颈枷,将奶牛从颈枷中释放出来,为保证活动杆的耐用性及灵活性,颈枷活动杆转轴须带钢套管,套管壁厚2.5mm ,颈枷活动杆与锁止机构接触部位配置厚度3.5mmHDPE 材质的缓冲材料来降低噪音。2.1.4 牛颈枷规格尺寸要求:颈枷组成部分颈枷组成部分及要求(750 型、 600 型)序号名称技术参数技术要求1粗立杆外径42mm 壁厚2.5mm 2 颈枷活动杆外径42mm 壁厚2.5mm 3 颈枷固定杆外径42mm 壁厚2.5mm 4 细立杆外径32mm 壁厚2.5mm 5 上横杆方管直径50*50mm,壁厚 2.5mm 壁厚2.75mm 6 下横杆方管直径50*50mm,壁厚 2.5mm 壁厚2.75mm 7 调节杆 ( 圆钢或圆管任选其一...

1、当您付费下载文档后,您只拥有了使用权限,并不意味着购买了版权,文档只能用于自身使用,不得用于其他商业用途(如 [转卖]进行直接盈利或[编辑后售卖]进行间接盈利)。
2、本站所有内容均由合作方或网友上传,本站不对文档的完整性、权威性及其观点立场正确性做任何保证或承诺!文档内容仅供研究参考,付费前请自行鉴别。
3、如文档内容存在违规,或者侵犯商业秘密、侵犯著作权等,请点击“违规举报”。

碎片内容

牧场牛颈枷及颈杠配置标准

您可能关注的文档

确认删除?
VIP
微信客服
  • 扫码咨询
会员Q群
  • 会员专属群点击这里加入QQ群
客服邮箱
回到顶部