电脑桌面
添加小米粒文库到电脑桌面
安装后可以在桌面快捷访问

减速器(同名6749)VIP免费

减速器(同名6749)_第1页
1/20
减速器(同名6749)_第2页
2/20
减速器(同名6749)_第3页
3/20
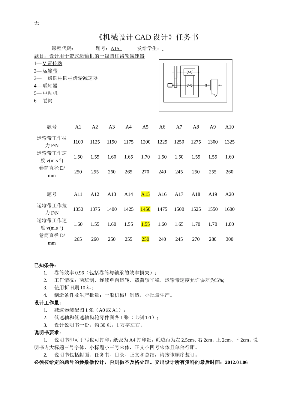
无《机械设计CAD设计》任务书课程代码:题号:A15发给学生:题目:设计用于带式运输机的一级圆柱齿轮减速器1—V带传动2—运输带3—一级圆柱圆柱齿轮减速器4—联轴器5—电动机6—卷筒题号A1A2A3A4A5A6A7A8A9A10运输带工作拉力F/N1100112511501175120012251250127513001325运输带工作速度v(m.s-1)1.501.551.601.651.701.501.501.551.551.60卷筒直径D/mm250255260265270240245250255260题号A11A12A13A14A15A16A17A18A19A20运输带工作拉力F/N1350137514001425145014751500152515501600运输带工作速度v(m.s-1)1.601.551.601.551.551.601.651.701.701.80卷筒直径D/mm265260250255250240245270280300已知条件:1.卷筒效率0.96(包括卷筒与轴承的效率损失);2.工作情况:两班制,连续单向运转,载荷较平稳,运输带速度允许误差为+-5%;3.使用折旧期10年;4.制造条件及生产批量:一般机械厂制造,小批量生产。设计工作量:1.减速器装配图1张(A0或A1);2.低速轴和低速轴齿轮零件图各1张(比例1:1);3.设计说明书一份,约30页,1万字左右。说明书要求:1.说明书即可手写也可打印,纸张为A4打印纸,页边距为左2.5cm、右2cm、上2cm、下2cm;说明书内大标题三号字体,小标题小三号宋体,正文小四号宋体且单倍行距。2.说明书包括封面、任务书、目录、正文和总结,请按该顺序装订。必须按给定的题号的参数做设计,否则做不及格处理。交出设计所有资料的最后时间:2012.01.06无计算过程和计算说明已知:卷筒效率:η=0.96;运输带工作速度v(m.s-1)=1.55;运输带工作拉力F/N=1450;卷筒直径D/mm=250;两班制;连续单向运转,载荷较平稳,运输带速度允许误差为+-5%;使用折旧期10年;制造条件及生产批量:一般机械厂制造,小批量生产。解:1.电动机的选择(1)选择电动机类型和结构形式:减速器在常温下工作,载荷平稳,对启动无特殊要求,但工作环境灰尘较多,故选用Y型全封闭自扇冷式笼型三相异步电动机,电源电压为380v。结构形式为卧式电动机。(2)确定电动机的功率:工作机所需功率Pw===2.2475kw电动机的工作功率为Pd=电动机到输送带的总效率为η=η1η2η23η4η5由表12—7查得:V带传动效率η1=0.96;滚子轴承效率η33=0.99;齿轮副效率η2=0.97;(齿轮精度为8级);齿轮联轴器效率η4=0.99;卷筒效率η5=0.96,代入得η=0.97×0.99×0.96×0.993×0.96=0.85Pd===2.644kw查表13—1,选电动机额定功率为3kw。(3)确定电动机的转速:卷筒轴的工作转速为nw===118.471取118.5r/min按表12—6推荐的传动比合理范围,取V带传动的传动比i’1=2~4;由表2—1可知,一级圆柱直齿轮的传动比在i’2=3~6,则总传动比合理范围为i’a=6~24,电动机的转速可选范围为n’d=(6~24)×118.5=711~2844r/min符合这一范围的同步转速有750r/min、1000r/min和1500r/min三种,可查的三种方案,见表2—2.表1—1电动机参数无方案电动机型号额定功率/kw电动机转速/(r.min-1)同步转速满载转速1Y100L2-43150014202Y132S-6310009603Y132M-83750710综合考虑减轻电动机及传动系统的质量和节约资金,选用第二方案。因此选定电动机型号为Y132S-4,其主要性能如表1—2。表1—2Y132S-6电动机主要性能电动机型号额定功率/kw同步转速/(r.min-1)满载转速(r.min-1)Y132S-43150014202.22.2Y132S-6电动机主要外形和安装尺寸见表1—3。中心高H外形尺寸L×(AC/2+AD)×HD安装尺寸A×B轴伸尺寸D×E平键尺寸F×G132475×(+210)×315216×14038×8010×332.计算传动系统的总传动比和分配各级传动比(1)传动系统的总传动比(2)分配传动系统的传动比ia=i0i1i1=为使V带传动外廓尺寸不知过大,初步取i0=3,则减速器传动比所得减速器传动比值符合一般一级展开式圆柱齿轮减速器传动比的常用范围。3.机械传动系统运动和动力参数的计算(1)各轴的输入功率:电动机轴Ⅰ轴Ⅱ轴pⅡ=卷筒轴pⅢ=(2)各轴的转速无电动机轴转速n=1420Ⅰ轴Ⅱ轴卷筒轴(3)各轴的转矩电动机轴卷筒轴表1—4机械传动系统运动和动力参数的计算数值计算项目电动机轴高速轴Ⅰ低速轴Ⅱ卷筒轴Ⅲ功率/kw32.882.772.72转速/(r•min-1)1420473.3118.325118.325转矩/(N•M)20.258.1...

1、当您付费下载文档后,您只拥有了使用权限,并不意味着购买了版权,文档只能用于自身使用,不得用于其他商业用途(如 [转卖]进行直接盈利或[编辑后售卖]进行间接盈利)。
2、本站所有内容均由合作方或网友上传,本站不对文档的完整性、权威性及其观点立场正确性做任何保证或承诺!文档内容仅供研究参考,付费前请自行鉴别。
3、如文档内容存在违规,或者侵犯商业秘密、侵犯著作权等,请点击“违规举报”。

碎片内容

减速器(同名6749)

确认删除?
VIP
微信客服
  • 扫码咨询
会员Q群
  • 会员专属群点击这里加入QQ群
客服邮箱
回到顶部