电脑桌面
添加小米粒文库到电脑桌面
安装后可以在桌面快捷访问

自动车床基本原理

自动车床基本原理_第1页
1/6
自动车床基本原理_第2页
2/6
自动车床基本原理_第3页
3/6
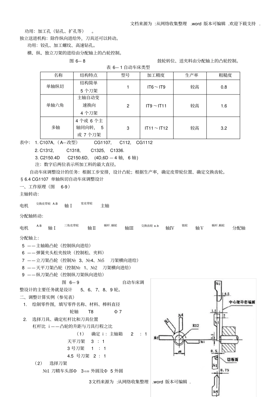
文档来源为 :从网络收集整理.word 版本可编辑 .欢迎下载支持 . 1文档来源为 :从网络收集整理.word 版本可编辑 . 第六章自动车床基本原理单轴纵切自动车床自动车床单轴六角自动车床多轴自动车床§6.1 单轴纵切自动车床(图6-1 6-2)一、结构特点图 6— 1 图 6— 2 单轴纵切自动车床工作原理图1—中心架; 2—弹簧夹头; 3—主轴箱; 4—主轴; 5—棒料; 6—重锤; 7—推杆; 8—导管; 9—中心架导套; 10—附属装置; 11—刀具结构简单, 5 个刀架,生产率较高加工精度 IT6 ~ IT9,粗糙度;加工细长形小尺寸零件;刀架:一天平;三立刀架;一纵刀架;横刀架只作横向移动。棒料随主轴一起转动并作纵向进给;中心架靠近横刀架,增加棒料刚度;纵刀架:钻轴向中心孔,切内外螺纹;刀具有钻头、划钻、丝锥、板牙等。二、加工范围1. 车圆柱面:刀具先移到所需位置不动,然后主轴箱与棒料一起作纵向进给。2. 车阶梯轴:完成1 后,主轴箱停移,刀具后退到下一个阶梯位置不动,主轴继续纵向进给。3. 车凹槽、成形表面:主轴箱不作纵向进给,成形车刀作横向进给。① 主轴箱不动,成形车刀横向进给4. 车锥形表面:② 工件纵向进给,尖头车刀横向进给(后退)5. 车小倒角:工件不移动,刀具横向进给。6. 端面挖槽、切凹坑(图6-3)7. 加工轴向中心孔:用纵刀架完成, 在棒料尚未从导套伸出时进行钻孔,钻孔精度↑8. 加工螺纹:用纵刀架完成,刀具旋转。差动法:螺纹刀具的旋向与主轴转向相同。切右旋螺纹:刀具转速高于主轴转速切左旋螺纹: 刀具转速低于主轴转速图 6— 2 单轴纵切自动车床工作原理图三、 CG1107 单轴纵切自动车床1.主要技术规格加工棒料最大直径7mm;棒料最大进给长度50mm;主轴转速范围1045~ 6600 r/min;主轴转速级数17 级;分配轴转速范围0.182~38.4 r/min ;刀架数目 5 个;电动机功率及转速2.2 kw 、1430 r/min。2.传动系统(图6-4)1—电动机; 2—交换皮带轮;3—冷却油泵;4—停车凸块; 5—主轴箱凸轮; 6—弹簧夹头松夹拨块;7—立刀架凸轮;8—天平刀架凸轮;9—附属装置凸轮; 10—附属装置主轴§6.2 单轴六角自动车床一、结构特点:主轴可自动变速换向,有四个刀架(一前,一文档来源为 :从网络收集整理.word 版本可编辑 .欢迎下载支持 . 2文档来源为 :从网络收集整理.word 版本可编辑 . 立,一回转)生产率较高加工精度 IT9 ~IT11 表面粗...

1、当您付费下载文档后,您只拥有了使用权限,并不意味着购买了版权,文档只能用于自身使用,不得用于其他商业用途(如 [转卖]进行直接盈利或[编辑后售卖]进行间接盈利)。
2、本站所有内容均由合作方或网友上传,本站不对文档的完整性、权威性及其观点立场正确性做任何保证或承诺!文档内容仅供研究参考,付费前请自行鉴别。
3、如文档内容存在违规,或者侵犯商业秘密、侵犯著作权等,请点击“违规举报”。

碎片内容

自动车床基本原理

爱的疯狂+ 关注
实名认证
内容提供者

该用户很懒,什么也没介绍

确认删除?
VIP
微信客服
  • 扫码咨询
会员Q群
  • 会员专属群点击这里加入QQ群
客服邮箱
回到顶部