电脑桌面
添加小米粒文库到电脑桌面
安装后可以在桌面快捷访问

计算机组成原理试验报告基本模型机和复杂模型机的设计

计算机组成原理试验报告基本模型机和复杂模型机的设计_第1页
1/14
计算机组成原理试验报告基本模型机和复杂模型机的设计_第2页
2/14
计算机组成原理试验报告基本模型机和复杂模型机的设计_第3页
3/14
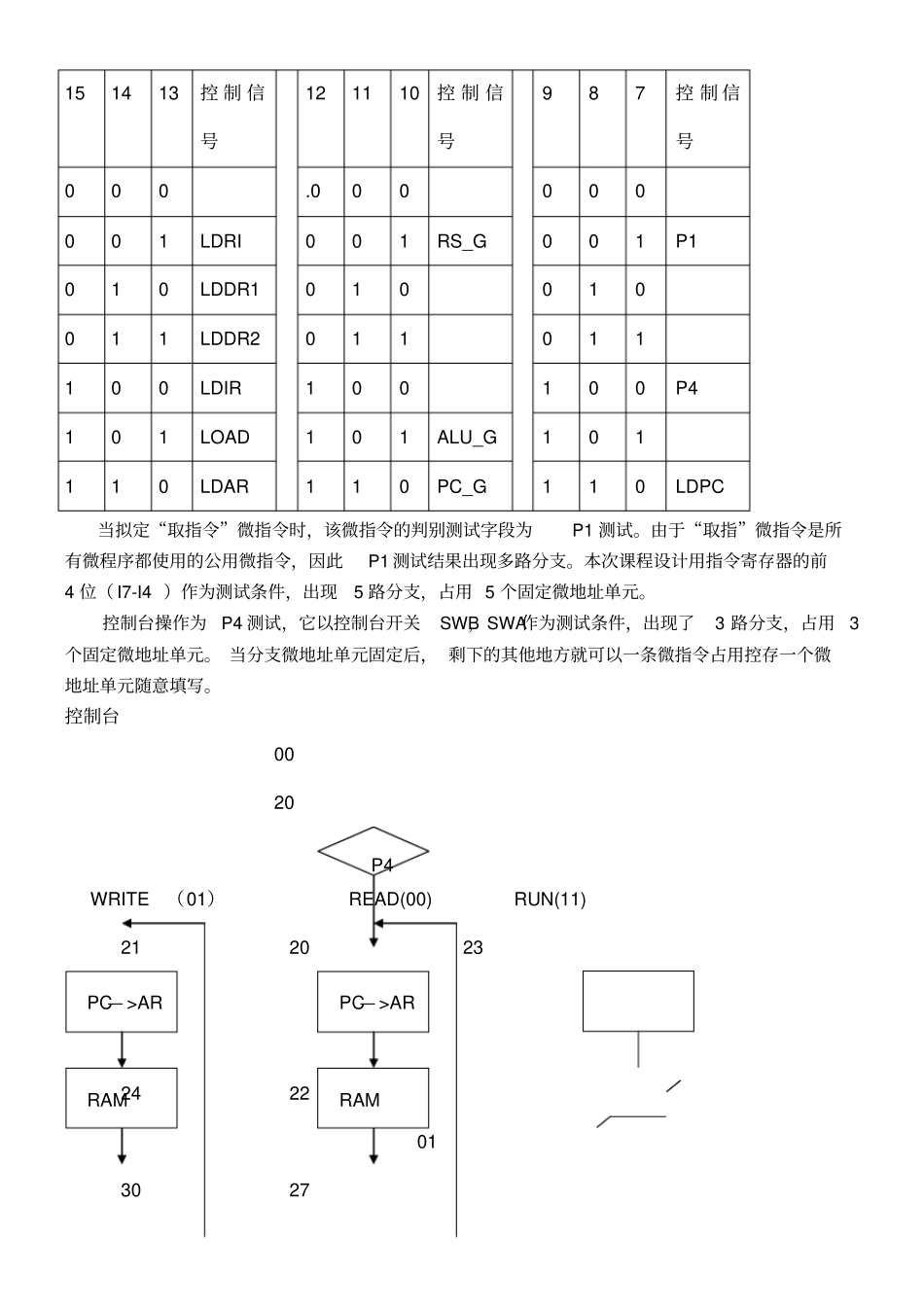
基本模型机设计一. 设计目的1. 在掌握部件单元电路实验的基础上,进一步将其组成系统构造一台稍微复杂的模型计算机;2. 为其定义 5 条机器指令,并编写相应的微程序,具体上机调试掌握整机概念二. 设计内容部件实验过程中, 各部件单元的控制信号是人为模拟产生的,而本次实验将能在微程序控制下自动产生各部件单元控制信号,实现特定指令的功能, 这里,计算机数据通路的控制将由微程序控制器来完成, CPU从内存中取出一条机器指令到指令执行结束的一个指令周期全部由微指令组成的序列来完成,即一条机器指令对应一个微程序。三.概要设计为了向 RAM中装入程序和数据 , 检查写入是否正确 , 并能启动程序执行 , 还必须设计三个控制台操作微程序 . 存储器读操作 : 拨动总清开关 CLR后, 控制台开关 SWB,SWA 为”0 0”时 , 按 START微动开关 , 可对 RAM连续手动读操作 . 存储器写操作 : 拨动总清开关 CLR后, 控制台开关 SWB SWA置为” 0 1”时 , 按 START微动开关可对 RAM进行连续手动写入 . 启动程序 : 拨动总清开关 CLR后, 控制台开关 SWB SWA置为“ 1 1 ”时 , 按 START微动开关 , 既可转入到第 01 号“取址”微指令 , 启动程序运行 . 上述三条控制台指令用两个开关SWB SWA 的状态来设置 , 其定义如下表 3-1 读写变化SWB SWA 控制台指令0 0 1 0 1 1 读内存( KRD)写内存( KWE)启动程序( RP)根据以上要素设计数据通路框图, 如图 3-1 :表 3-2 微代码的定义微程序24 23 22 21 20- 19 18 17 16 15 14 13 控 制 信号S3 S2 S1 S0 M CN RD M17 M16 A 12 11 10 9 8 7 6 5 4 3 2 1 B P uA5 uA4 uA3 uA2 uA1 uA0 表 3-3 A , B,P 字段内容A 字段 B字段 P字段PC— >AR RAMRAMPC— >AR P4 15 14 13 控 制 信号12 11 10 控 制 信号9 8 7 控 制 信号0 0 0 .0 0 0 0 0 0 0 0 1 LDRI 0 0 1 RS_G 0 0 1 P1 0 1 0 LDDR1 0 1 0 0 1 0 0 1 1 LDDR2 0 1 1 0 1 1 1 0 0 LDIR 1 0 0 1 0 0 P4 1 0 1 LOAD 1 0 1 ALU_G 1 0 1 1 1 0 LDAR 1 1 0 PC_G 1 1 0 LDPC 当拟定“取指令”微指令时,该微指令的判别测试字段为P1 测试。由于“取指”微指令是所有微程序都使用的公用微指令,因此P1 测试结果出现多路分支。本...

1、当您付费下载文档后,您只拥有了使用权限,并不意味着购买了版权,文档只能用于自身使用,不得用于其他商业用途(如 [转卖]进行直接盈利或[编辑后售卖]进行间接盈利)。
2、本站所有内容均由合作方或网友上传,本站不对文档的完整性、权威性及其观点立场正确性做任何保证或承诺!文档内容仅供研究参考,付费前请自行鉴别。
3、如文档内容存在违规,或者侵犯商业秘密、侵犯著作权等,请点击“违规举报”。

碎片内容

计算机组成原理试验报告基本模型机和复杂模型机的设计

爱的疯狂+ 关注
实名认证
内容提供者

该用户很懒,什么也没介绍

确认删除?
VIP
微信客服
  • 扫码咨询
会员Q群
  • 会员专属群点击这里加入QQ群
客服邮箱
回到顶部