电脑桌面
添加小米粒文库到电脑桌面
安装后可以在桌面快捷访问

泵站泵房、配电间、前池等主体结构施工方案

泵站泵房、配电间、前池等主体结构施工方案_第1页
1/21
泵站泵房、配电间、前池等主体结构施工方案_第2页
2/21
泵站泵房、配电间、前池等主体结构施工方案_第3页
3/21
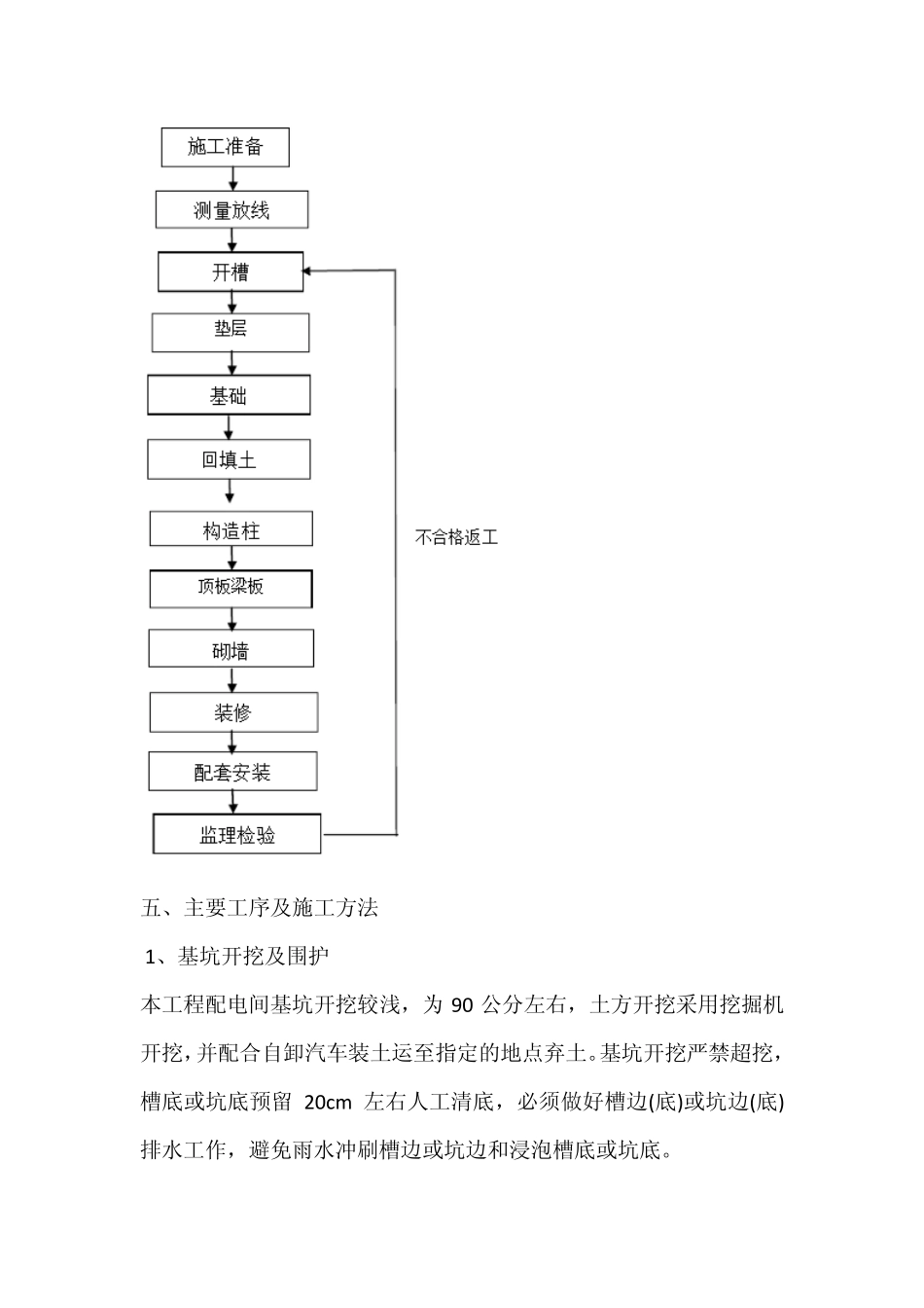
泵 站 泵 房 、配电间、前池等主体结构施工方案 一、工程概况 天津中心渔港陆域二期污水提升泵站工程位于海政路和中央大道交口西北角,包含场区工程、配电间工程、前池格栅泵站工程、工艺专业工程及庭院绿化工程。工程总占地面积1485m2。 中心渔港陆域二期污水提升泵站工程:配电室为框架结构,建筑面积217.8 m2,前池格栅间为框架结构,建筑面积88.77 m2。屋面防水等级为Ⅱ级,结构抗震按7 度0.15g 设防,二级耐火等级,建筑物设计使用年限为50 年。 本工程室内地坪标高±0.000 相当大沽高程4.500,场勘察期间场区静止地下水位埋深为1.20~1.60 米,标高为2.16~2.41 米。 二、编制依据 1.天津中心渔港陆域二期污水提升泵站工程施工图纸。 2.国家、建设部现行设计规范、施工规范、验收标准及有关文件(《砼结构工程施工及验收规范》GB50204-2002;《建筑工程质量评定标准GB50300-2001》;《建筑分项工程施工工艺标准》第二版;《建筑施工手册》)。 3.我单位对施工现场实地勘察、调查资料。 4.我单位积累的成熟技术、科技成果、施工工艺方法及同类工程的施工经验。 三、施工准备 1.自接通知后即做好施工准备工作,主要包括:测量放线、搭建临时设施、完善临时供水、供电线路、了解地下管线及地下地上的设施进行妥善处理。 一般程序:现场平面布置→测量放线→修整便道→组织材料进场→材料验收送检。 2.场地安排 2.1 安排住房、办公用房临时设施。 2.2 安排材料堆放,钢筋制作场地。 2.3 根据规划点布置若干条主轴线和几个主要控制点。 2.4 进一步完善施工现场的供水、供电系统。 3.材料进场及验收 选择具有生产资质及出厂许可证的正规厂家生产的材料及设备,进场后及时进行验收,并报现场监理工程师进行取样送检,合格后方可使用。 4.施工人员组织 根据工程监理进展情况,及时投入满足施工进展所需的劳动力和施工机械。为了保证劳动力间配合熟练和默契,发挥其最大的效率,劳动力以成建制引进。 四、施工工艺流程 建筑物施工顺序为“先地下,后地上,先主体,后装饰。” 工序流程:放线→开槽→垫层→基础→回填土→首层柱→顶板梁板→砌墙→管沟→装修→屋面→门窗→配套安装 五、主要工序及施工方法 1、基坑开挖及围护 本工程配电间基坑开挖较浅,为 90 公分左右,土方开挖采用挖掘机开挖,并配合自卸汽车装土运至指定的地点弃土。基坑开挖严禁超挖,槽底或坑底预留 20cm左右人工清底,必须做好槽边(...

1、当您付费下载文档后,您只拥有了使用权限,并不意味着购买了版权,文档只能用于自身使用,不得用于其他商业用途(如 [转卖]进行直接盈利或[编辑后售卖]进行间接盈利)。
2、本站所有内容均由合作方或网友上传,本站不对文档的完整性、权威性及其观点立场正确性做任何保证或承诺!文档内容仅供研究参考,付费前请自行鉴别。
3、如文档内容存在违规,或者侵犯商业秘密、侵犯著作权等,请点击“违规举报”。

碎片内容

泵站泵房、配电间、前池等主体结构施工方案

您可能关注的文档

确认删除?
VIP
微信客服
  • 扫码咨询
会员Q群
  • 会员专属群点击这里加入QQ群
客服邮箱
回到顶部