电脑桌面
添加小米粒文库到电脑桌面
安装后可以在桌面快捷访问

门式刚架荷载计算及内力组合

门式刚架荷载计算及内力组合_第1页
1/50
门式刚架荷载计算及内力组合_第2页
2/50
门式刚架荷载计算及内力组合_第3页
3/50
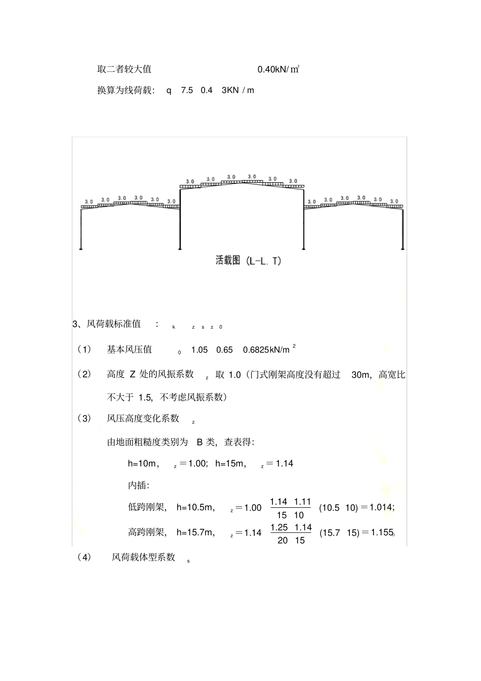
门式刚架荷载计算及内力组合(一)荷载分析及受力简图:1、永久荷载永久荷载包括结构构件的自重和悬挂在结构上的非结构构件的重力荷载,如屋面、檩条、支撑、吊顶、墙面构件和刚架自重等。恒载标准值(对水平投影面) :板及保温层0.30kN/ ㎡檩条0.10kN/ ㎡悬挂设备0.10kN/ ㎡0.50kN/ ㎡换算为线荷载:7.50.53.753.8/qKNm2、可变荷载标准值门式刚架结构设计的主要依据为 《钢结构设计规范》(GB50017-2003)和《冷弯薄壁型钢结构技术规范》 (GB50018-2002)。对于屋面结构,《钢结构设计规范》规定活荷载为0.5KN/2m ,但构件的荷载面积大于602m 的可乘折减系数0.6 ,门式刚架符合此条件,故活荷载标准值取0.3KN/2m 。由荷载规范查得,大连地区雪荷载标准值为0.40kN/㎡。屋面活荷载取为0.30kN/ ㎡雪荷载为0.40kN/ ㎡取二者较大值0.40kN/ ㎡换算为线荷载:7.50.43/qKNm3、风荷载标准值:0kzsz(1)基本风压值20kN/m6825.065.005.1(2)高度 Z 处的风振系数z 取 1.0(门式刚架高度没有超过30m,高宽比不大于 1.5,不考虑风振系数)(3)风压高度变化系数z由地面粗糙度类别为B 类,查表得:h=10m,z =1.00; h=15m,z = 1.14 内插:低跨刚架, h=10.5m,z =1.14 1.111.00(10.5 10)15 10=1.014;高跨刚架, h=15.7m,z =1.25 1.141.14(15.7 15)20 15=1.155。(4)风荷载体型系数s-0.5-0.6-0.4-0.4-0.5-0.5-0.2+0.8μsμs1其中,s = 0.2010.24.760.032301230arctg1s =121.00.6 (1)0.6 (1 2)0.36915.7 10.5hh各部分风荷载标准值计算:w1k =0zsz=7.5 ×1.0 ×0.8 ×1.014 ×0.6825=4.15 kN/mw2k =0zsz=7.5 ×1.0 ×0.032 ×1.014 ×0.6825=0.17 kN/mw3k =0zsz=7.5 ×1.0 ×(-0.6 )× 1.014 ×0.6825=-3.11 kN/mw4k =0zsz=7.5 ×1.0 ×0.369 ×1.014 ×0.6825=1.91 kN/m w5k =0zsz=7.5 ×1.0 ×( -0.2 )×1.014 ×0.6825=-1.04 kN/m w6k = w 7k =w8k =0zsz=7.5 ×1.0 ×( -0.5 )× 1.014 ×0.6825=-2.60 kN/m w9k = w10k =0zsz=7.5 × 1.0 ×(-0.4 )×1.014 ×0. 6825=-2.08 kN/m 用 PKPM 计算门式刚架风荷载结果如下:其中,'1k =4.2KN/m1k =4.15 kN/m ;'2k =0.2KN/m2 k =0.17 kN/m ;'3 k =-3.1N/m1k =-3.11 kN/m ;'4k =2.2KN/m2k =1.91 kN/m ;'5 k =-1.2KN/m1k =-1.04 kN/m ;'6k ...

1、当您付费下载文档后,您只拥有了使用权限,并不意味着购买了版权,文档只能用于自身使用,不得用于其他商业用途(如 [转卖]进行直接盈利或[编辑后售卖]进行间接盈利)。
2、本站所有内容均由合作方或网友上传,本站不对文档的完整性、权威性及其观点立场正确性做任何保证或承诺!文档内容仅供研究参考,付费前请自行鉴别。
3、如文档内容存在违规,或者侵犯商业秘密、侵犯著作权等,请点击“违规举报”。

碎片内容

门式刚架荷载计算及内力组合

您可能关注的文档

爱的疯狂+ 关注
实名认证
内容提供者

该用户很懒,什么也没介绍

相关文档

确认删除?
VIP
微信客服
  • 扫码咨询
会员Q群
  • 会员专属群点击这里加入QQ群
客服邮箱
回到顶部