电脑桌面
添加小米粒文库到电脑桌面
安装后可以在桌面快捷访问

SMT元件尺寸详解

SMT元件尺寸详解_第1页
1/6
SMT元件尺寸详解_第2页
2/6
SMT元件尺寸详解_第3页
3/6
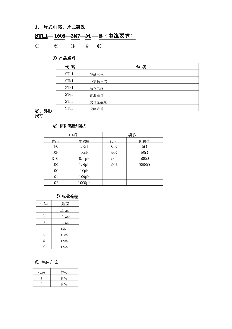
1. 片式电容C0402COG1E100JT(1)(2)(3)(4)(5)(6)(7)(1) 产品代号(2) 封装尺寸 L×W(统一按英制标准)04021005(公制标准 mm)060316080805201212063216……(3) 介质种类(温度特性)C0G0±30PPM/℃CH0±60PPM/℃X7R±15%X5R±15%Y5V+22%/-82%B±10%F+30%/-80%……(4) 额定电压0J6.3V1A10V1C16V1E25V1H50V……(5) 标称容量0R50.5pF0101pF10010pF1021000pF……(6) 误差B±0.1 pFC±0.25 pFD±0.5 pFJ±5 %K±10 %M±20 %Z+80,-20 %……(7) 包装方式T编带B散装2. 片式电阻RC0402K103JT(1)(2)(3)(4)(5)(6)(1) 产品代号(2) 封装尺寸 L×W(统一按英制标准)04021005(公制标准 mm)060316080805201212063216……(3) 温度系数E=50PPM/CF=100PPM/CK≤100 PPM/CL≤200 PPM/CG=200PPM/C(4) 标称阻值0000Ω1R01Ω10010Ω104100KΩ……(5) 误差F1%G2%J5%O跨接电阻(0Ω)……(6) 包装方式T编带B散装3. 片式电感、片式磁珠STLI— 1608—2R7—M — B(电流要求)①②③④⑤① 产品系列代 码STLISTMISTHISTGBSTPBSTSB②、外形尺寸种 类低频电感中高频电感高频电感普通磁珠大电流磁珠尖峰磁珠③ 标称感量&阻抗电感磁珠代 码阻抗值代码电感量1N010NR101R01001011021.0nH10nH0.1μH1.0μH10μH100μH1000μH0505005015025Ω50Ω500Ω5000Ω④ 标称偏差代码CSDJKMP⑤ 包装方式代码方式盘装散装允差±0.2nH±0.3nH±0.5nH±5%±10%±20%±25%TB4. 瓷介电容CT1 - 63V - 104 - Z - T(1)(2)(3)(4)(5)(1) 类型CC1、CT1瓷介固定电容器CC4 、CT4独石瓷介固定电容器CT81高压瓷介电容CT7交流瓷介固定电容器CL11聚酯膜电容器CL21金属化聚酯膜电容器CCW12微调电容器(2) 额定电压50V63V100V1000V……(3) 标称容量0101pF10010pF1021000pF104100000pF……(4) 误差C±0.25 pFD±0.5 pFJ±5 %K±10 %M±20 %Z+80,-20 %……(5) 包装方式T编带B散装5.电解电容(注:本公司使用的电解电容温度指标均要求为 105℃)CD11 - 16V - 10μF - ±20% - T(1)(2)(3)(4)(5)(1) 类型CD11CD110CD11GCD71CD11CCD11X……(2) 额定电压6.3V10V16V25V50V450V……(3) 标称容量0.47μF10μF220μF1000μF……(4) 误差±5 %±10 %±20 %+80,-20 %……(5) 包装方式T编带B散装6. 插件电阻RC - 1/8W - 1kΩ - ±5% - T(1)(2)(3)(4)(5)(1) 产品代号RT碳膜电阻RJ金属膜电阻RC片状电阻器RCM厚膜片状网络电阻器MYG压敏电阻NTC热敏电阻(2) 额定功率1/8W1/4W1/2W1W2W……(3) 标称阻值0.5Ω27Ω560Ω4.7kΩ1MΩ……(4) 误差±1 %±2 %±5 %±10 %±20 %……(5) 包装方式T编带B散装

1、当您付费下载文档后,您只拥有了使用权限,并不意味着购买了版权,文档只能用于自身使用,不得用于其他商业用途(如 [转卖]进行直接盈利或[编辑后售卖]进行间接盈利)。
2、本站所有内容均由合作方或网友上传,本站不对文档的完整性、权威性及其观点立场正确性做任何保证或承诺!文档内容仅供研究参考,付费前请自行鉴别。
3、如文档内容存在违规,或者侵犯商业秘密、侵犯著作权等,请点击“违规举报”。

碎片内容

SMT元件尺寸详解

您可能关注的文档

确认删除?
VIP
微信客服
  • 扫码咨询
会员Q群
  • 会员专属群点击这里加入QQ群
客服邮箱
回到顶部