电脑桌面
添加小米粒文库到电脑桌面
安装后可以在桌面快捷访问

X射线衍射的基本原理

X射线衍射的基本原理_第1页
1/12
X射线衍射的基本原理_第2页
2/12
X射线衍射的基本原理_第3页
3/12
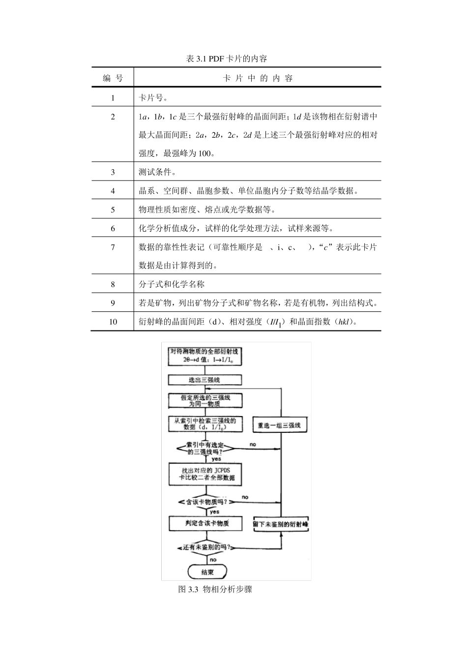
三.X 射线衍射的基本原理3.1 Bragg 公式晶体的空间点阵可划分为一族平行而等间距的平面点阵,两相邻点阵平面的间距为 dhkl。晶体的外形中每个晶面都和一族平面点阵平行。当 X 射线照射到晶体上时,每个平面点阵都对 X 射线射产生散射。取晶体中任一相邻晶面 P1 和 P2,如图 3.1 所示。两晶面的间距为 d,当入射 X 射线照射到此晶面上时,入射角为,散射 X 射线的散射角也同样是。这两个晶面产生的光程差是:  AO  OB  2d sin3.1当光程差为波长 的整数倍时,散射的 X 射线将相互加强,即衍射:2dhklsin  n3.2上式就是著名的 Bragg 公式。也就是说,X 射线照射到晶体上,当满足 Bragg 公式就产生衍射。式中:n 为任意正整数,称为衍射级数。入射 X 射线的延长线与衍射 X 射线的夹角为 2(衍射角)。为此,在 X 射线衍射的谱图上,横坐标都用 2 表示。图 3.1 晶体对 X 射线的衍射由 Bragg 公式表明:dhkl 与 成反比关系,晶面间距越大,衍射角越小。晶面间距的变化直接反映了晶胞的尺寸和形状。每一种结晶物质,都有其特定的结构参数,包括点阵类型、晶胞大小等。晶体的衍射峰的数目、位置和强度,如同人的指纹一样,是每种物质的特征。尽管物质的种类有成千上万,但几乎没有两种衍射谱图完全相同的物质,由此可以对物质进行物相的定性分析。3.2 物相分析物相的定义是物质存在的状态,如同素异构体SiO2、TiO2 分别有 22 种和 5 种晶体结构。除了单质元素构成的物质如铜、银等以外,X 射线衍射分析的是物相(或化合物),而不是元素成分。对于未知试样,为了了解和确定哪些物相时,需要定性的物相分析。正如前述,晶体粉末衍射谱图,如人的指纹一样,有它本身晶体结构特征所决定。因而,国际上有一个组织——粉末衍射标准联合会(JCPDS)后改名为 JCPDS-衍射数据国际中心专门负责收集、校订、编辑和发行粉末衍射卡片(PDF)的工作。自 1941 年以来,共发行衍射卡片近 20 万个。为了使大量的卡片方便进行人工物相鉴定,还出版了对这些卡片进行检索的索引。PDF 卡片的标准形式如图 3.2 所示,对应此图编号的内容说明如表 3.1 所示。图图 3.2 PDF 卡片的标准形式每一张卡片上不一定包括表 3.1 所述的所有内容,但有效数据都将一一列出。物相分析的方法就是将未知试样与标准卡片上数据进行对比,由此来确定物相。先测试未知试样,然后按图 3.3...

1、当您付费下载文档后,您只拥有了使用权限,并不意味着购买了版权,文档只能用于自身使用,不得用于其他商业用途(如 [转卖]进行直接盈利或[编辑后售卖]进行间接盈利)。
2、本站所有内容均由合作方或网友上传,本站不对文档的完整性、权威性及其观点立场正确性做任何保证或承诺!文档内容仅供研究参考,付费前请自行鉴别。
3、如文档内容存在违规,或者侵犯商业秘密、侵犯著作权等,请点击“违规举报”。

碎片内容

X射线衍射的基本原理

文库响当当+ 关注
实名认证
内容提供者

该用户很懒,什么也没介绍

确认删除?
VIP
微信客服
  • 扫码咨询
会员Q群
  • 会员专属群点击这里加入QQ群
客服邮箱
回到顶部