电脑桌面
添加小米粒文库到电脑桌面
安装后可以在桌面快捷访问

危险化学品重大危险源辨识GB18218_2015年最新版

危险化学品重大危险源辨识GB18218_2015年最新版_第1页
1/6
危险化学品重大危险源辨识GB18218_2015年最新版_第2页
2/6
危险化学品重大危险源辨识GB18218_2015年最新版_第3页
3/6
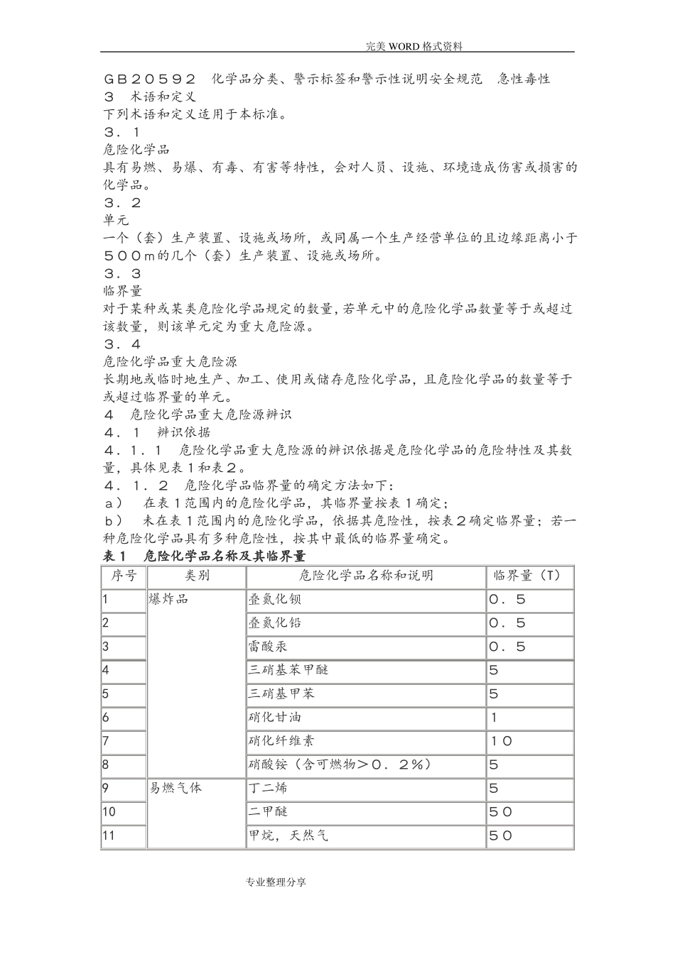
完美 WORD 格式资料危险化学品重大危险源辨识 GB18218-2014201403前言本标准的全部技术内容为强制性的。本标准代替GB18218—2009《重大危险源辨识》。本标准与GB18218—2009 相比主要变化如下:———将标准名称改为《危险化学品重大危险源辨识》;———将采矿业中涉及危险化学品的加工工艺和储存活动纳入了适用范围;———不适用范围增加了海上石油天然气开采活动;———对部分术语和定义进行了修订;———对危险化学品的范围进行了修订;———对危险化学品的临界量进行了修订;———取消了生产场所与储存区之间临界量的区别。本标准由国家安全生产监督管理总局提出。本标准由全国安全生产标准化技术委员会化学品安全标准化分技术委员会(TC288/SC3)归口。本标准负责起草单位:中国安全生产科学研究院。本单位参加起草单位:中石化青岛安全工程研究院。本标准主要起草人:吴宗之、魏利军、刘骥、多英全、师立晨、高进东、孙猛、于立见、张海峰、杨春笋、彭湘潍。本标准于 2009 年首次发布,本次修订为第二次修订。危险化学品重大危险源辨识1范围本标准规定了辨识危险化学品重大危险源的依据和方法。本标准适用于危险化学品的生产、使用、储存和经营等各企业或组织。本标准不适用于:a) 核设施和加工放射性物质的工厂,但这些设施和工厂中处理非放射性物质的部门除外;b)军事设施;c)采矿业,但涉及危险化学品的加工工艺及储存活动除外;d)危险化学品的运输;e)海上石油天然气开采活动。2规范性引用文件下列文件中的条款通过本标准的引用而成为本标准的条款。凡是注日期的引用文件,其随后所有的修改单(不包括勘误的内容)或修订版均不适用于本标准,然而,鼓励根据本标准达成协议的各方研究是否可使用这些文件的最新版本。凡是不注日期的引用文件,其最新版本适用于本标准。GB12268危险货物品名表专业整理分享31发布20140701实施完美 WORD 格式资料GB20592化学品分类、警示标签和警示性说明安全规范急性毒性3术语和定义下列术语和定义适用于本标准。3.1危险化学品具有易燃、易爆、有毒、有害等特性,会对人员、设施、环境造成伤害或损害的化学品。3.2单元一个(套)生产装置、设施或场所,或同属一个生产经营单位的且边缘距离小于500m的几个(套)生产装置、设施或场所。3.3临界量对于某种或某类危险化学品规定的数量,若单元中的危险化学品数量等于...

1、当您付费下载文档后,您只拥有了使用权限,并不意味着购买了版权,文档只能用于自身使用,不得用于其他商业用途(如 [转卖]进行直接盈利或[编辑后售卖]进行间接盈利)。
2、本站所有内容均由合作方或网友上传,本站不对文档的完整性、权威性及其观点立场正确性做任何保证或承诺!文档内容仅供研究参考,付费前请自行鉴别。
3、如文档内容存在违规,或者侵犯商业秘密、侵犯著作权等,请点击“违规举报”。

碎片内容

危险化学品重大危险源辨识GB18218_2015年最新版

您可能关注的文档

爱的疯狂+ 关注
实名认证
内容提供者

该用户很懒,什么也没介绍

确认删除?
VIP
微信客服
  • 扫码咨询
会员Q群
  • 会员专属群点击这里加入QQ群
客服邮箱
回到顶部