电脑桌面
添加小米粒文库到电脑桌面
安装后可以在桌面快捷访问

220kV失灵保护及回路原理

220kV失灵保护及回路原理_第1页
1/7
220kV失灵保护及回路原理_第2页
2/7
220kV失灵保护及回路原理_第3页
3/7
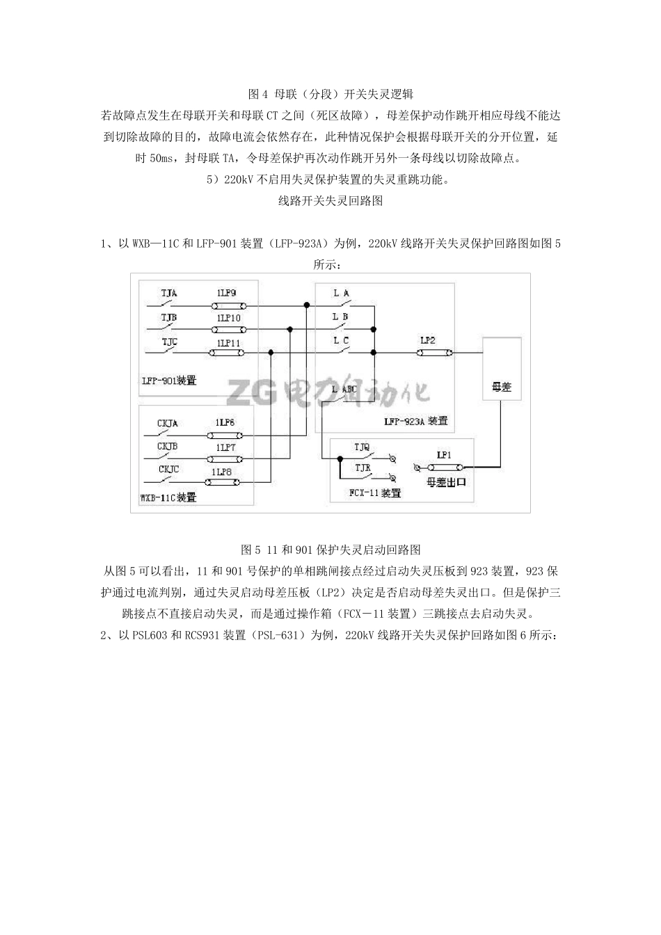
220kV 失灵保护及回路原理 本帖最后由 dormity 于 2010-10-26 20:32 编辑 刚接触继保不久,主要从原理上说明下220kV 失灵保护及回路原理,希望大家热列讨论,共同进步! 220kV 失灵保护主要包括220kV 线路(或主变220kV 侧)开关失灵保护、母联(分段)失灵保护、母线差动保护的失灵出口。这些保护的装置种类有很多种,但是其基本原理确是大同小异。 1)线路(或主变220kV 侧)开关的失灵保护由线路保护(对于主变220kV 侧开关失灵保护则由主变电气量保护或220kV 母线差动保护)跳闸出口启动,经失灵保护相应的电流继电器判别(电流是否大于失灵启动电流定值),若相应电流继电器同时动作,则判断为开关动作失灵,失灵保护随即动作,用于启动母线差动保护的失灵出口(或直接出口跳主变其他侧开关)。 以 PSL631 线路保护为例,一般线路开关的失灵启动逻辑如图 1 所示: 图 1 线路开关失灵保护启动逻辑 为了增加启动失灵的可靠性,失灵保护装置还会采用一些其他措施。如 PSL631 就加入了零序启动元件和突变量启动元件作为失灵启动的条件之一。 2)线路(或主变)失灵启动母差失灵出口回路,母差失灵出口回路会根据相应开关母线闸刀所在位置自动判别开关所在母线,再经相应母线的复合电压闭锁,第一延时跳母联开关,第二延时跳相应母线上所有设备。只是对于主变220kV 侧开关,失灵启动开入的同时,往往会开放母差保护的复合电压闭锁。其逻辑(以 BP-2B 母差保护为例)如图 2 所示: 图 2 母差失灵出口逻辑 3)对于主变开关(220kV 侧)失灵保护,除主变电气量保护动作启动外,还有母线差动保护动作启动,经主变 220kV 侧失灵电流继电器判别,第一延时跳本开关,以避免测试时的不慎引起误动而导致相邻开关的误跳,第二延时则是失灵出口启动,此时又可分两种情况:若为主变电气量保护启动,则失灵将启动母差失灵出口回路(同线路开关的失灵逻辑),若为母线差动保护动作启动的,则直接启动跳主变其他侧开关。该逻辑关系如图 3 所示: 图 3 主变 220kV 侧开关失灵保护启动逻辑 同样为了增加启动失灵的可靠性,如图 3 所示主变 220kV 侧开关失灵出口可以增加零序电流作为判据。 4)对于母联(分段)开关的失灵保护,由母线差动保护或充电保护启动,经母联失灵电流判别,延时封母联 TA,继而母差保护动作跳相应母线上所有设备。以 BP-2B 母线差动保护为例,其逻辑如图 4 所示: 图4 母联(...

1、当您付费下载文档后,您只拥有了使用权限,并不意味着购买了版权,文档只能用于自身使用,不得用于其他商业用途(如 [转卖]进行直接盈利或[编辑后售卖]进行间接盈利)。
2、本站所有内容均由合作方或网友上传,本站不对文档的完整性、权威性及其观点立场正确性做任何保证或承诺!文档内容仅供研究参考,付费前请自行鉴别。
3、如文档内容存在违规,或者侵犯商业秘密、侵犯著作权等,请点击“违规举报”。

碎片内容

220kV失灵保护及回路原理

您可能关注的文档

确认删除?
VIP
微信客服
  • 扫码咨询
会员Q群
  • 会员专属群点击这里加入QQ群
客服邮箱
回到顶部