电脑桌面
添加小米粒文库到电脑桌面
安装后可以在桌面快捷访问

8带颈平焊法兰

8带颈平焊法兰_第1页
1/6
8带颈平焊法兰_第2页
2/6
8带颈平焊法兰_第3页
3/6
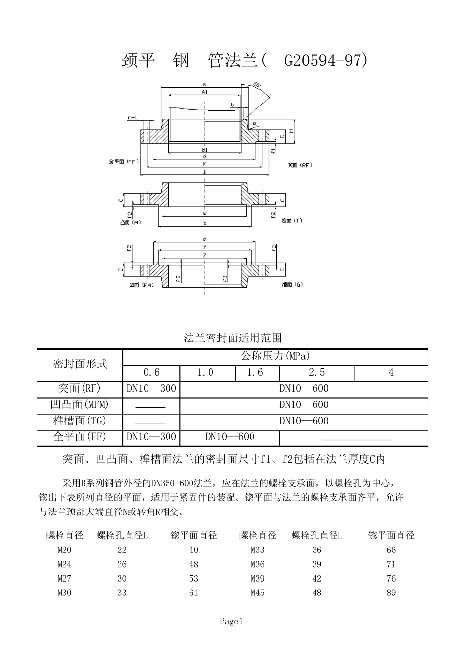
突面、凹凸面、榫槽面法兰的密封面尺寸f1、f2包括在法兰厚度C内采用B系列钢管外径的DN350-600法兰,应在法兰的螺栓支承面,以螺栓孔为中心,锪出下表所列直径的平面,适用于紧固件的装配。锪平面与法兰的螺栓支承面齐平,允许与法兰颈部大端直径N或转角R相交。89M303361M4571M273053M394276M2426螺栓孔直径L锪平面直径3666M202240M3348M363948DN10—600DN10—600DN10—6000.6锪平面直径榫槽面(TG)DN10—300DN10—300密封面形式突面(RF)全平面(FF)1.0公称压力(MPa)凹凸面(MFM)41.62.5DN10—600带颈平焊钢制管法兰(HG20594-97)法兰密封面适用范围螺栓直径螺栓孔直径L螺栓直径Page1AB1017.2147550114M1012181525253200.381521.3188055114M1012221930303200.442026.9259065114M101427.52640404240.662533.73210075114M101434.53350504240.813242.43812090144M121643.53960605261.324048.345130100144M121649.54670705261.555060.357140110144M121661.55980805281.736576.176160130144M121677.578 100 1006322.238088.989190150184M161890.591 110 1106343.32100114.3108210170184M1618116110 130 1306404.06125139.7133240200188M1618 141.5 135 160 1606445.26150168.3159265225188M1620 170.5 161 185 1858446.37200219.1219320280188M1622 221.5 222 240 2408447.9825027327337533518 12M1624 276.5 276 295 295 104410.3300323.932544039522 12M2024 327.5 328 355 355 104414.1法兰颈法兰厚度C理论重量kgBN带颈平焊钢制管法兰(HG20594-97)R法兰高度H坡口宽度bDnThAL公称通径DNABK管子外径A1连接尺寸法兰内径B1PN0.6MPaPage2AB1017.2149060144M1214181530303220.651521.3189565144M1214221935353220.722026.92510575144M121627.52645454261.032533.73211585144M121634.53352524281.243242.438140100184M161843.53960605302.024048.345150110184M161849.54670705322.365060.357165125184M162061.55984845343.086576.176185145184M162077.578 104 1046323.668088.989200160188M162090.591 118 1186344.08100114.3108220180188M1622116110 140 1406405.4125139.7133250210188M1622 141.5 135 168 1686447.01150168.3159285240228M2024 170.5 161 195 1958449.1200219.1219340295228M2024 221.5 222 246 24684410.625027327339535022 12M2026 276.5 276 298 298 104613.4300323.932544540022 1...

1、当您付费下载文档后,您只拥有了使用权限,并不意味着购买了版权,文档只能用于自身使用,不得用于其他商业用途(如 [转卖]进行直接盈利或[编辑后售卖]进行间接盈利)。
2、本站所有内容均由合作方或网友上传,本站不对文档的完整性、权威性及其观点立场正确性做任何保证或承诺!文档内容仅供研究参考,付费前请自行鉴别。
3、如文档内容存在违规,或者侵犯商业秘密、侵犯著作权等,请点击“违规举报”。

碎片内容

8带颈平焊法兰

您可能关注的文档

确认删除?
VIP
微信客服
  • 扫码咨询
会员Q群
  • 会员专属群点击这里加入QQ群
客服邮箱
回到顶部