电脑桌面
添加小米粒文库到电脑桌面
安装后可以在桌面快捷访问

API6D24版标准评审表

API6D24版标准评审表_第1页
1/10
API6D24版标准评审表_第2页
2/10
API6D24版标准评审表_第3页
3/10
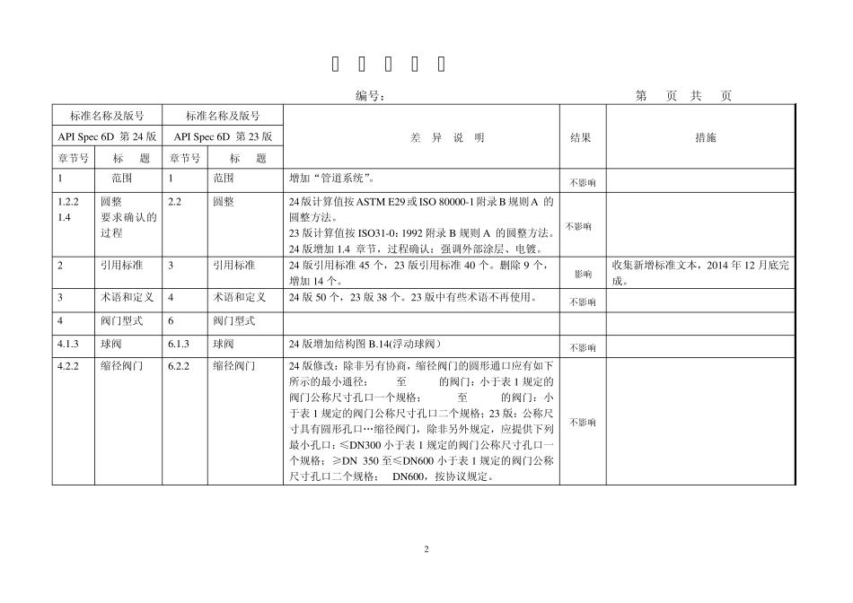
1 API Spec 6D 第 24 版 标准评审表 编号:14-03 编制: 批准: 二○一四年十月八日 2 标 准 评 审 表 编号:14-03 第 1 页 共 9 页 标准名称及版号 标准名称及版号 差 异 说 明 结果 措施 API Spec 6D 第24 版 API Spec 6D 第23 版 章节号 标 题 章节号 标 题 1 范围 1 范围 增加“管道系统”。 不影响 1.2.2 1.4 圆整 要求确认的过程 2.2 圆整 24 版计算值按ASTM E29或ISO 80000-1附录B 规则A 的圆整方法。 23 版计算值按 ISO31-0:1992 附录 B 规则 A 的圆整方法。 24 版增加1.4 章节,过程确认:强调外部涂层、电镀。 不影响 2 引用标准 3 引用标准 24 版引用标准45 个,23 版引用标准40 个。删除 9 个,增加14 个。 影响 收集新增标准文本,2014 年 12 月底完成。 3 术语和定义 4 术语和定义 24 版50 个,23 版38 个。23 版中有些术语不再使用。 不影响 4 阀门型式 6 阀门型式 4.1.3 球阀 6.1.3 球阀 24 版增加结构图 B.14(浮动球阀) 不影响 4.2.2 缩径阀门 6.2.2 缩径阀门 24 版修改:除非另有协商,缩径阀门的圆形通口应有如下所示的最小通径:NPS4至 NPS12的阀门:小于表 1 规定的阀门公称尺寸孔口一个规格;NPS14至 NPS24的阀门:小于表 1 规定的阀门公称尺寸孔口二个规格;23 版:公称尺寸具有圆形孔口„缩径阀门,除非另外规定,应提供下列最小孔口:≤DN300 小于表 1 规定的阀门公称尺寸孔口一个规格;≥DN 350 至≤DN600 小于表 1 规定的阀门公称尺寸孔口二个规格;> DN600,按协议规定。 不影响 3 标 准 评 审 表 编号:14-03 第 2 页 共 9 页 标准名称及版号 标准名称及版号 差 异 说 明 结果 措施 API Spec 6D 第24 版 API Spec 6D 第23 版 章节号 标 题 章节号 标 题 5 5.2 设计 压力温度等级 7 7.2 设计 压力温度等级 增加对于Class400 阀门的压力温度等级应根据ASME B16.5 中材料组别相应的额定值来确定;不要求阀体和阀盖采用相同的材料;压力-温度值应根据阀门端部连接的材料组别而定,如阀门端部的材料由2 种不同的材料组别构成,则采用较低压力-温度值的材料;所有金属承压件和压力控制件的设计应满足适用的压力-温度值。删除23 版中规定“PN 标示的阀门的压力温度额定值应按EN 1092-1中相应材料组的适用额定值规...

1、当您付费下载文档后,您只拥有了使用权限,并不意味着购买了版权,文档只能用于自身使用,不得用于其他商业用途(如 [转卖]进行直接盈利或[编辑后售卖]进行间接盈利)。
2、本站所有内容均由合作方或网友上传,本站不对文档的完整性、权威性及其观点立场正确性做任何保证或承诺!文档内容仅供研究参考,付费前请自行鉴别。
3、如文档内容存在违规,或者侵犯商业秘密、侵犯著作权等,请点击“违规举报”。

碎片内容

API6D24版标准评审表

您可能关注的文档

确认删除?
VIP
微信客服
  • 扫码咨询
会员Q群
  • 会员专属群点击这里加入QQ群
客服邮箱
回到顶部