电脑桌面
添加小米粒文库到电脑桌面
安装后可以在桌面快捷访问

EIATIA568标准VIP专享

EIATIA568标准_第1页
1/27
EIATIA568标准_第2页
2/27
EIATIA568标准_第3页
3/27
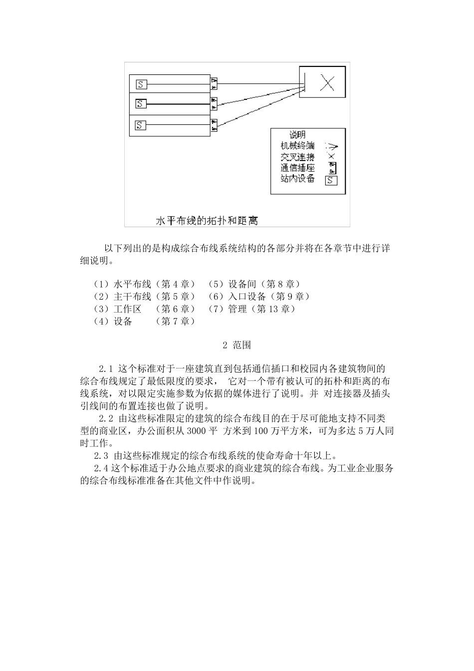
EIA/TIA 568 国际综合布线标准 1.1 目 的 这 个 标 准 确 定 了 一 个 可 以 支 持 多 品 种 多 厂 家 的 商 业 建 筑 的 综 合 布 线 系统 , 同 时 也 提 供 了 为 商 业 服 务 的 电 信 产 品 的 设 计 方 向 。 即 使 对 随 后 安 装 的电 信 产 品 不 甚 了 解 , 该 标 准 可 帮 您 对 产 品 进 行 设 计 和 安 装 。 在 建 筑 建 造 和 改造 过 程 中 进 行 布 线 系 统 的 安 装 比 建 筑 落 成 后 实 施 要 大 大 节 省 人 力 物 力 财 力 。 这 个 标 准 确 定 了 各 种 各 样 布 线 系 统 配 置 的 相 关 元 器 件 的 性 能 和 技 术 标 准 。 为达 到 一 个 多 功 能 的 布 线 系 统 , 已 对 大 多 数 电 信 业 务 的 性 能 要 求 进 行 了 审 核 。业 务 的 多 样 化 及 新 业 务 的 不 断 出 现 会 对 所 需 性 能 作 某 些 限 制 。 用 户 为 了 了 解这 些 限 制 应 知 道 所 需 业 务 的 标 准 。 1. 2 相 关 的 标 准 这 个 标 准 是 一 系 列 关 于 建 筑 布 线 中 电 信 产 品 和 业 务 的 技 术 标 准 之 一 。本 文 连 同 相 关 的 标 准 满足了 电 信 行 业 发展企业 结构的 需 要 。 为 电 信 服 务 的商 业 建 筑 标 准 (EIA/TIA-569) (Ref B1.3) 和 住宅及 小型商 业 区综 合 布 线 标准 (EIA/TIA-570)(Ref B1.2)。 1. 3 标 准 的 说明 标 准 分为 强制 性 和 建 议性 两种 。 所 谓强制 性 是 指要 求 是 必须的 , 而建 议性 要 求 意味着也 许可 能 或希望。 (这 两种 概念将在 本 文 中 交替出 现 )。 强制 性 标 准 通常适于 保护、生产 、管理, 兼容:它强调了 绝对 的 最小限 度可 接受的 要 求 , 建 议性 或希望性 的 标 准 通常针对 最终产 品 。 在 某 种 程 度上在 统 计范围内确 保全部产 品 同 使 用 的 设 施 设 备相 适应 体现 了 这 些 准 则。 另一 方 面,建 议性 准 则是 用 来在 产 品 的 制 造 中 提 高生产 率, 无论是 强制 ...

1、当您付费下载文档后,您只拥有了使用权限,并不意味着购买了版权,文档只能用于自身使用,不得用于其他商业用途(如 [转卖]进行直接盈利或[编辑后售卖]进行间接盈利)。
2、本站所有内容均由合作方或网友上传,本站不对文档的完整性、权威性及其观点立场正确性做任何保证或承诺!文档内容仅供研究参考,付费前请自行鉴别。
3、如文档内容存在违规,或者侵犯商业秘密、侵犯著作权等,请点击“违规举报”。

碎片内容

确认删除?
VIP
微信客服
  • 扫码咨询
会员Q群
  • 会员专属群点击这里加入QQ群
客服邮箱
回到顶部