电脑桌面
添加小米粒文库到电脑桌面
安装后可以在桌面快捷访问

GB18918~2002[城镇污水处理厂污染物排放标准]

GB18918~2002[城镇污水处理厂污染物排放标准]_第1页
1/20
GB18918~2002[城镇污水处理厂污染物排放标准]_第2页
2/20
GB18918~2002[城镇污水处理厂污染物排放标准]_第3页
3/20
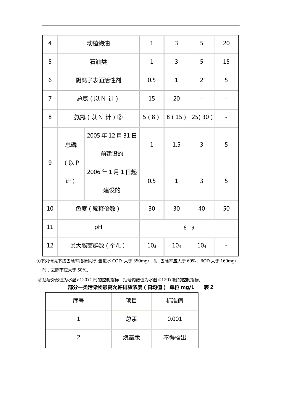
GB18918- 2002《城镇污水处理厂污染物排放标准》 城 镇 污 水 处 理 厂 污 染 物 排 放 标 准 GB 18918- 2002 1. 范 围 本 标 准 规 定 了 城 镇 污 水 处 理 厂 出 水 、废气排 放 和污 泥处 置(控制)的污 染 物 限值。 本 标 准 适用于城 镇 污 水 处 理 厂 出 水 、废气排 放 和污 泥处 置(控制)的管理 。 居民小区和工业企业内独立的生活污 水 处 理 设施污 染 物 的排 放 管理 ,也按本 标 准 执行。 2. 规 范 性引用文件 下列标 准 中的条文通过本 标 准 的引用即成为本 标 准 的条文,与本 标 准 同效。 GB 3838 地表水 环境质量标 准 GB 3097 海水 水 质标 准 GB 3095 环境空气质量标 准 GB 4284 农用污 泥中污 染 物 控制标 准 GB 8978 污 水 综合排 放 标 准 GB 12348 工业企业厂 界噪声标 准 GB 16297 大气污 染 物 综合排 放 标 准 HJ/T55 大气污 染 物 无组织排 放 监测技术导则 当上述标 准 被修订时,应使用其最新版本 。 3. 术语和定 义 3.1 城 镇 污 水 (municipal wastewater) 指城 镇 居民生活污 水 ,机关、学校、医院、商业服务机构及各种公共 设施排 水 ,以 及允许 排 入 城 镇 污 水 收 集 系 统 的工业废水 和初 期 雨 水 等 。 3.2 城 镇 污 水 处 理 厂 (municipal wastewater treatment plant) 指对 进 入 城 镇 污 水 收 集 系 统 的污 水 进 行净 化 处 理 的污 水 处 理 厂 。 3.3 一 级 强 化 处 理 (enhanced primary treatment) 在 常 规 一 级 处 理 (重 力 沉 降 )基 础 上,增 加 化 学混 凝 处 理 、机械 过滤 或 不 完 全 生物 处 理等 ,以 提 高 一 级 处 理 效果 的处 理 工艺 。 4. 技术内容 4.1 水 污 染 物 排 放 标 准 4.1.1 控制项 目 及分 类 4.1.1.1 根 据 污 染 物 的来 源 及性质,将 污 染 物 控制项 目 分 为基 本 控制项 目 和选 择 控制项 目 两 类 。基 本 控 制 项 目 主 要 包 括 影 响 水 环 境 和 城 镇 污 水 处 理 厂 一 般 处 理 工 艺 可 以 去 除 的 常 规 污染 物 , 以 及 部 分 ...

1、当您付费下载文档后,您只拥有了使用权限,并不意味着购买了版权,文档只能用于自身使用,不得用于其他商业用途(如 [转卖]进行直接盈利或[编辑后售卖]进行间接盈利)。
2、本站所有内容均由合作方或网友上传,本站不对文档的完整性、权威性及其观点立场正确性做任何保证或承诺!文档内容仅供研究参考,付费前请自行鉴别。
3、如文档内容存在违规,或者侵犯商业秘密、侵犯著作权等,请点击“违规举报”。

碎片内容

GB18918~2002[城镇污水处理厂污染物排放标准]

小辰7+ 关注
实名认证
内容提供者

出售各种资料和文档

确认删除?
VIP
微信客服
  • 扫码咨询
会员Q群
  • 会员专属群点击这里加入QQ群
客服邮箱
回到顶部