电脑桌面
添加小米粒文库到电脑桌面
安装后可以在桌面快捷访问

JTGF8012004公路工程质量检验评定标准表格

JTGF8012004公路工程质量检验评定标准表格_第1页
1/77
JTGF8012004公路工程质量检验评定标准表格_第2页
2/77
JTGF8012004公路工程质量检验评定标准表格_第3页
3/77
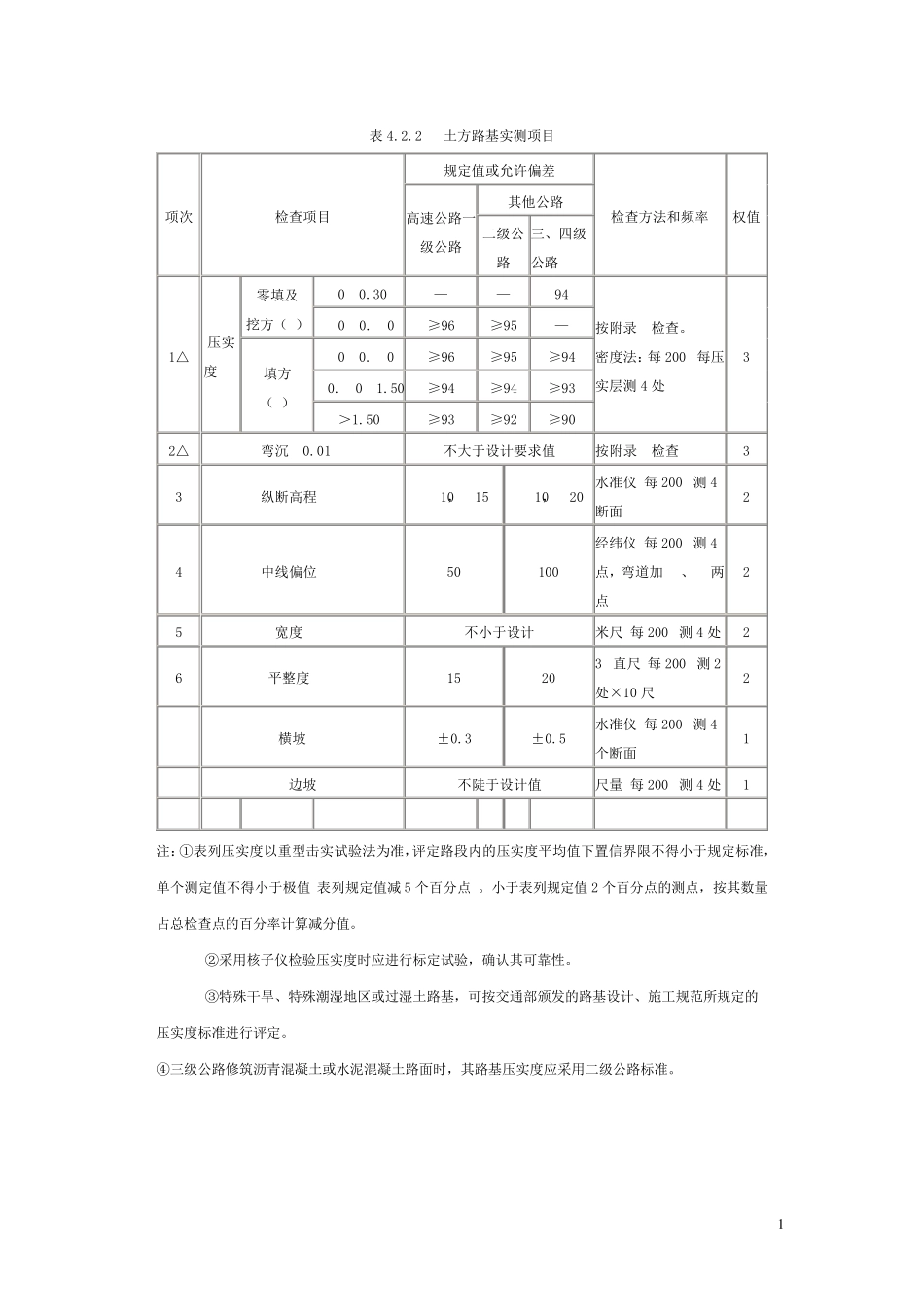
1 表4.2.2 土方路基实测项目 项次 检查项目 规定值或允许偏差 检查方法和频率 权值 高速公路一级公路 其他公路 二级公路 三、四级公路 1△ 压实度(%) 零填及 挖方(m) 0~0.30 — — 94 按附录B检查。 密度法:每200m每压实层测4 处 3 0~0.80 ≥96 ≥95 — 填方 (m) 0~0.80 ≥96 ≥95 ≥94 0.80~1.50 ≥94 ≥94 ≥93 >1.50 ≥93 ≥92 ≥90 2△ 弯沉(0.01mm) 不大于设计要求值 按附录I检查 3 3 纵断高程(mm) +10,-15 +10,-20 水准仪:每200m测4断面 2 4 中线偏位(mm) 50 100 经纬仪:每200m测4点,弯道加HY、YH两点 2 5 宽度(mm) 不小于设计 米尺:每200m测4 处 2 6 平整度(mm) 15 20 3m直尺:每200m测2处×10 尺 2 7 横坡(%) ±0.3 ±0.5 水准仪:每200m测4个断面 1 8 边坡 不陡于设计值 尺量:每200m测4 处 1 注:①表列压实度以重型击实试验法为准,评定路段内的压实度平均值下置信界限不得小于规定标准,单个测定值不得小于极值(表列规定值减 5 个百分点)。小于表列规定值2 个百分点的测点,按其数量占总检查点的百分率计算减分值。 ②采用核子仪检验压实度时应进行标定试验,确认其可靠性。 ③特殊干旱、特殊潮湿地区或过湿土路基,可按交通部颁发的路基设计、施工规范所规定的压实度标准进行评定。 ④三级公路修筑沥青混凝土或水泥混凝土路面时,其路基压实度应采用二级公路标准。 2 表4.3.2 石方路基实测项目 项次 检查项目 规定值或允许偏差 检查方法和频率 权值 高速公路一级公路 其他公路 1 压实 层厚和碾压遍数符合要求 查施工记录 3 2 纵断高程(mm) +10,-20 +10,-30 水准仪:每200m测4断面 2 3 中线偏位(mm) 50 100 经纬仪:每200m测4点,弯道加HY、YH两点 2 4 宽度(mm) 不小于设计 米尺:每200m测4处 2 5 平整度(mm) 20 30 3m直尺:每200m测2处×10 尺 2 6 横坡(%) ±0.3 ±0.5 水准仪:每200m测4断面 1 7 边坡 坡度 不陡于设计值 每200m抽查4处 1 平顺度 符合设计要求 注:土石混填路基压实度或固体体积率可根据实际可能进行检验,其他检测项目与石方路基相同。 表4.4.2-1 砂垫层实测项目 项次 检 查 项 目 规定值或允许偏差 检查方法和频率 权值 1 砂垫层厚度 不小于设计 每200m检查4处 3 2 砂垫层宽度 不小于设计 每200m检查4处 1 3 反滤层设置 ...

1、当您付费下载文档后,您只拥有了使用权限,并不意味着购买了版权,文档只能用于自身使用,不得用于其他商业用途(如 [转卖]进行直接盈利或[编辑后售卖]进行间接盈利)。
2、本站所有内容均由合作方或网友上传,本站不对文档的完整性、权威性及其观点立场正确性做任何保证或承诺!文档内容仅供研究参考,付费前请自行鉴别。
3、如文档内容存在违规,或者侵犯商业秘密、侵犯著作权等,请点击“违规举报”。

碎片内容

JTGF8012004公路工程质量检验评定标准表格

确认删除?
VIP
微信客服
  • 扫码咨询
会员Q群
  • 会员专属群点击这里加入QQ群
客服邮箱
回到顶部