电脑桌面
添加小米粒文库到电脑桌面
安装后可以在桌面快捷访问

三带数值模拟报告0502

三带数值模拟报告0502_第1页
1/11
三带数值模拟报告0502_第2页
2/11
三带数值模拟报告0502_第3页
3/11
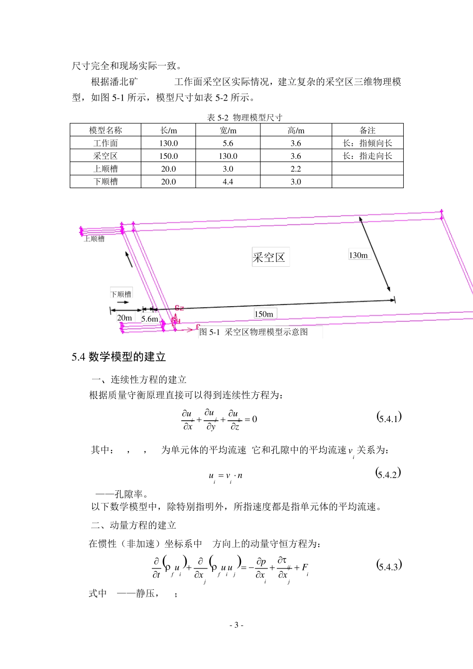
- 1 - 5 1 1 2 1 (3 )采空区“三带”数值模拟 采空区自然发火防治的首要技术前提是要搞清采空区自燃“三带”的分布范围,它是采空区注氮、堵漏风等技术措施的主要技术依据。因此采空区“三带”的划分显得尤为重要。 5 . 1 1 1 2 1 (3 )工作面概况 1121(3)工作面位于东一采区13-1煤层第二块段,煤层呈块状及粉末状,煤层产状变化较大,煤层倾向40°左右,倾角 13~42°,煤厚 3.0~6.0m,平均煤厚 4.4m。工作面平均长 130m,宽 5.25~6.05m,高 3.2~4.0m。上风巷标高:-448.0m,下顺槽标高:-566.0m。工作面顶、底板岩性如表 5-1所示。 该工作面南侧有 1111(3)工作面,与 1111(3)工作面下顺槽留设 10m煤柱,与 1121(1)工作面相邻,高差均在 80~100m左右。其中 1111(3)已回采完毕,1121(1)正在回采。工作面采用区内后退走向长壁式,一次采全高综合机械化采煤法,平均推进速度为93m/月。根据《精查地质报告》,本矿井恒温带深度为30m,温度16.8℃,地温梯度2.3℃/100m。工作面实际温度在 26~30℃。工作面实际供风量为1800 m3/min。该煤层具有自然发火性,自然发火期3~6个月。瓦斯相对涌出量为2.52m³/t,绝 对瓦斯涌出量为8.84m³/min,矿压 为21-24mpa。 表 5-1 工作面顶、底板岩性 岩石 种 类 备 注 老 顶 细 砂 岩 厚度为0~7.2/5.6m,灰 白 色 、细 粒 为主 直 接 顶 泥 岩 伪 顶 炭 质泥 岩 厚度为0~0.4/0.2m,灰 黑 色 ,主要为炭 质泥 岩 直 接 底 泥 岩 老 底 细 砂 岩、中细 砂 岩 厚度为10.0~18.0/16.5m,浅 灰 ~灰 白 色 ,坚 硬 5 . 2 采空区“三带”划分指标 工作面正常 生 产时 ,采空区自燃“三带”处 于一个动 态 的稳 定 状态 。采空区自燃“三带”主要指 散 热 带、氧 化带和 窒 息 带。散 热 带内由 于冒 落 不 充 分,漏风流 较大,采空区遗 煤气 化产生 的热 量不 能 积 聚 ,一般 不 会 发生 自然发火。氧 化带内漏风风速适 当 ,具有热 量积 聚 的条 件 ,O2体 积 分数 又 能 满 足 氧 化需 求 ,因此最容 易 发生 自然发火。窒 息 带内由 于漏风难 以 到 达 ,O2体 积 分数 往 往 难 以 满 足 氧 化- 2 - 需求,一般也不会发生自然发火。 “三带”是客观存在的,但如何划分具有一定的困难。由于探测手段和方法的局限,想...

1、当您付费下载文档后,您只拥有了使用权限,并不意味着购买了版权,文档只能用于自身使用,不得用于其他商业用途(如 [转卖]进行直接盈利或[编辑后售卖]进行间接盈利)。
2、本站所有内容均由合作方或网友上传,本站不对文档的完整性、权威性及其观点立场正确性做任何保证或承诺!文档内容仅供研究参考,付费前请自行鉴别。
3、如文档内容存在违规,或者侵犯商业秘密、侵犯著作权等,请点击“违规举报”。

碎片内容

三带数值模拟报告0502

确认删除?
VIP
微信客服
  • 扫码咨询
会员Q群
  • 会员专属群点击这里加入QQ群
客服邮箱
回到顶部