电脑桌面
添加小米粒文库到电脑桌面
安装后可以在桌面快捷访问

三相双速电机

三相双速电机_第1页
1/6
三相双速电机_第2页
2/6
三相双速电机_第3页
3/6
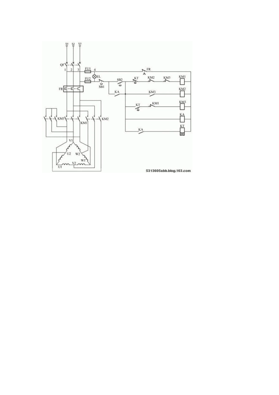
根据异步电动机转速公式:n=(1-s)n0=(1-s)60f/p, 通过改变定子电压频率f1、极对数 p 以及转差率s 都可以实现交流异步电动机的速度调节,具体可以归纳为变极调速、变转差率调速和变频调速三大类,而变转差率调速又包括调压调速、转子串电阻调速、串级调速等,它们都属于转差功率消耗型的调速方法,当电源频率 f 一定时,若改变电动机定子绕组的磁极对数 P,就可使电动机转速改变。采用双速电机可改善机床的调速性能,简化变速机构,因此在车、铣、镗床中都有应用。常见的双速电动机的绕组有两种接线方式:Δ/YY 及 Y/YY。 1.Δ/YY 接法 图 a)为双速电动机Δ/YY 接法电路图。当绕组的 1、2、3 号出线端接电源,而使 4、5、6 号出线端悬空时,电机绕组接成三角形,每相绕组中有两个线圈串联,成四个极,电动机低速运转;当把 1、2、3 号端子短接,4、5、6 号端子接电源时,则绕组为双星形,每相绕组中两个线圈并联,成两个极,电机作高速运转。 由此可知,电机从 Δ 接法的低速运转变成 YY 接法的高速运转时,转速升高一倍,而功率只增加 15%,所以这种调速方法可近似地看成恒功率调速。它很适合一般金届切削机床对调速的要求。 2.Y/YY 接法 图 b)为 Y/YY 接法,当电机转速增加一倍(YY 接法)时,输出功率也增加一倍,属于恒转矩调速。它适用于电梯、起重机、皮带运输机等要求恒转矩调速的场合。 3. 控制电路 图 2.25 为常用的双速电动机Δ/YY 调速控制电路图,其中:KM1 得电为低速,KM2 得电为高速,KM3 为短接接触器。 图a)用两个复合按钮SB2 及SB3 分别控制KM1 及KM2、KM3,实现低速与高速的直接转换而无需经过停止状态。 图b)是用转换开关 SA 来选择低速或高速方式后,由按钮SB2 发令启动电动机的控制电路。 图c)转换开关 SA 选择高、停、低速。当选择高速时,采用时间继电器KT,按时间原则自动控制电动机低速起动、经延时后转换到高速运行。 上述三个控制电路中,低速与高速之间都用接触器动断触头互锁,以防短路故障。 功率较小的双速电动机可采用图a)和图b)的控制方式;容量较大的双速电动机,宜可采用图c)的控制方式。 4. 电路说明:当按下起动按钮SB2,主电路接触器 KMl的主触头闭合,电动机三角形连接,电动机以低速运转;同时 KA 的常开触头闭合使时间继电器线圈带电,经过一段时间 (时间继电器的整定时间),KMl的主触头断开,KM2、KM3 的主触头闭合,电动机的定...

1、当您付费下载文档后,您只拥有了使用权限,并不意味着购买了版权,文档只能用于自身使用,不得用于其他商业用途(如 [转卖]进行直接盈利或[编辑后售卖]进行间接盈利)。
2、本站所有内容均由合作方或网友上传,本站不对文档的完整性、权威性及其观点立场正确性做任何保证或承诺!文档内容仅供研究参考,付费前请自行鉴别。
3、如文档内容存在违规,或者侵犯商业秘密、侵犯著作权等,请点击“违规举报”。

碎片内容

三相双速电机

您可能关注的文档

确认删除?
VIP
微信客服
  • 扫码咨询
会员Q群
  • 会员专属群点击这里加入QQ群
客服邮箱
回到顶部