电脑桌面
添加小米粒文库到电脑桌面
安装后可以在桌面快捷访问

低成本开关电源芯片MC34063A

低成本开关电源芯片MC34063A_第1页
1/12
低成本开关电源芯片MC34063A_第2页
2/12
低成本开关电源芯片MC34063A_第3页
3/12
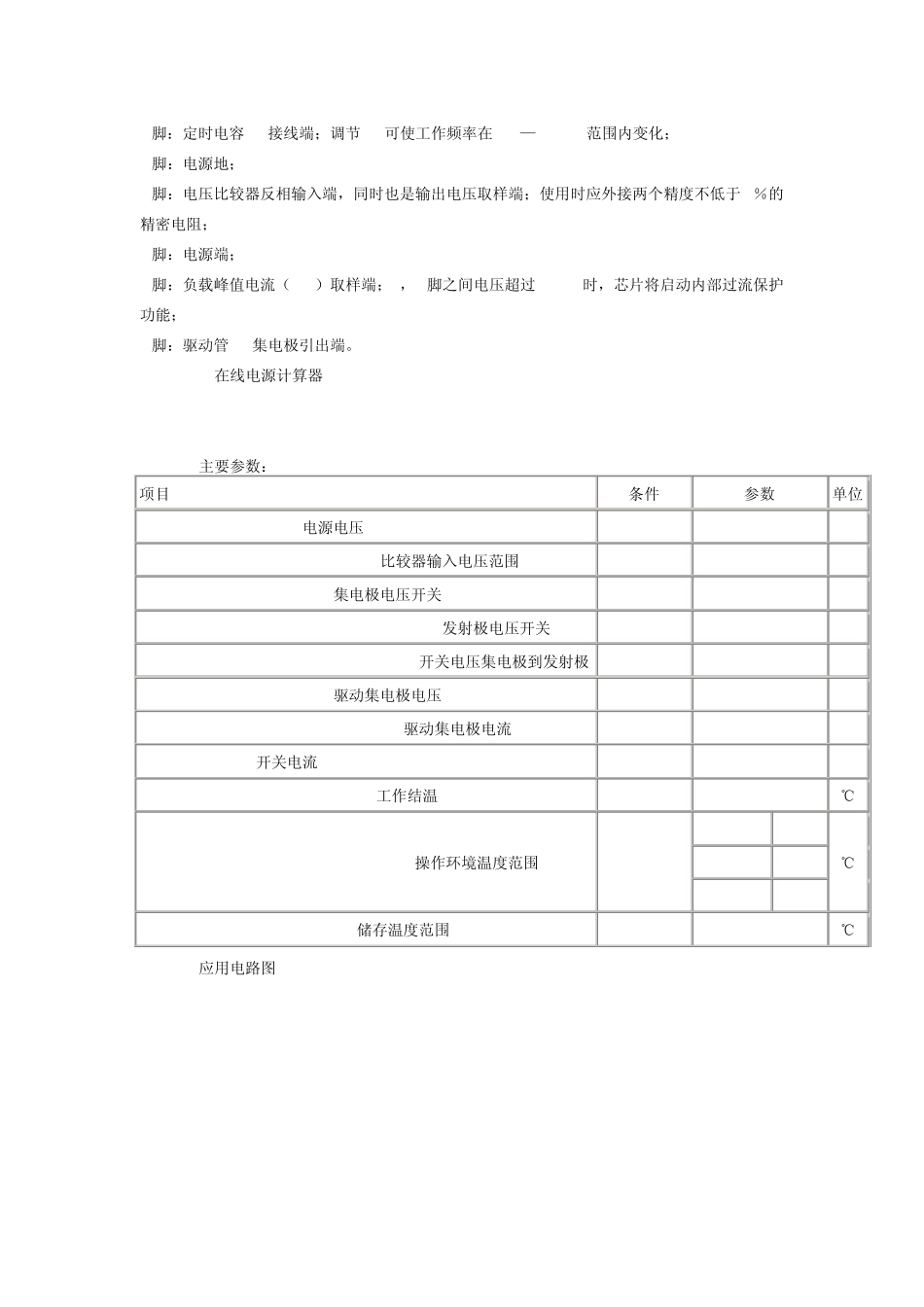
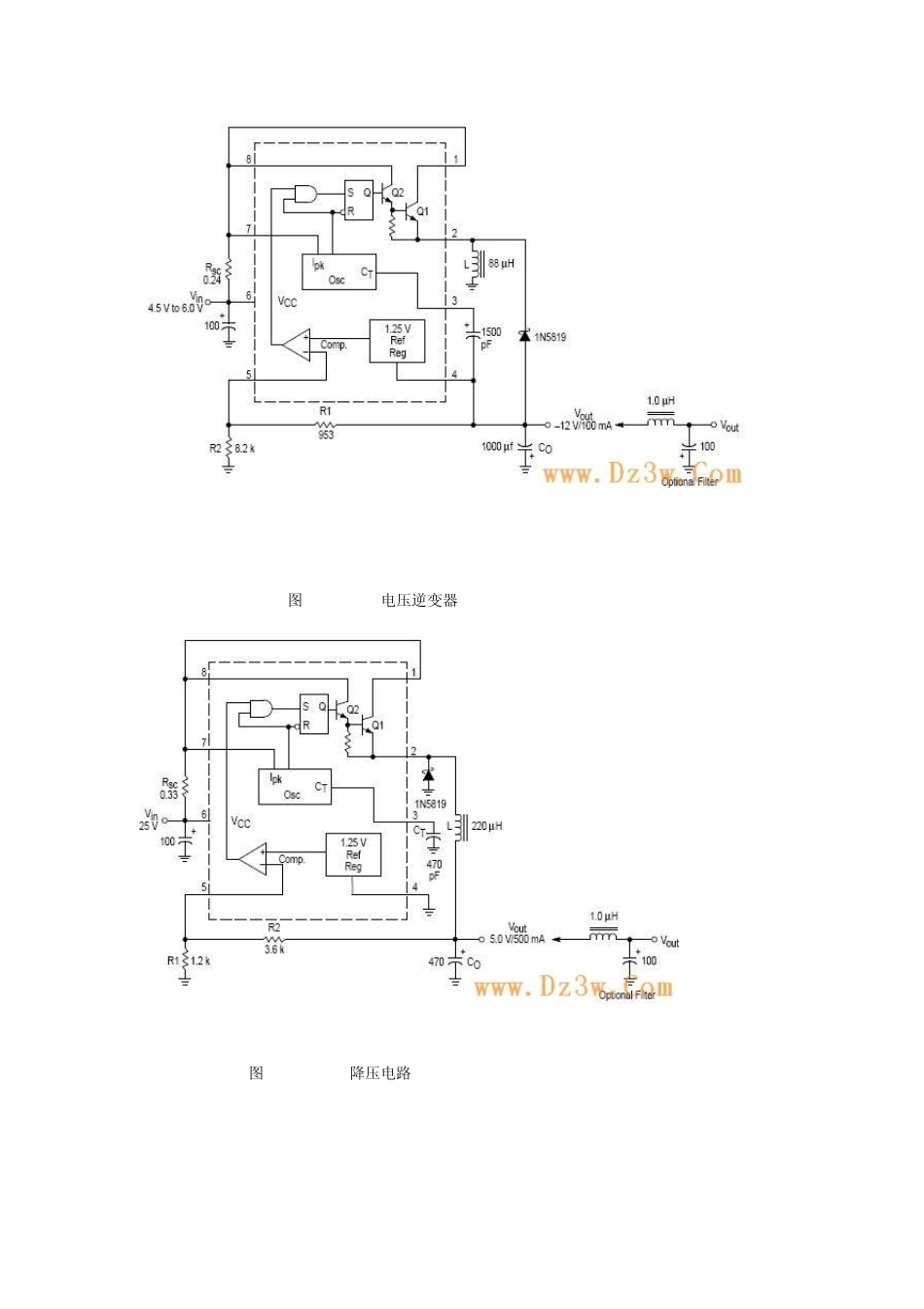
低成本开关电源芯片MC34063A(MC33063)中文资料 低成本开关电源芯片MC34063A(MC33063)中文资料 该器件本身包含了DC/DC变换器所需要的主要功能的单片控制电路且价格便宜。它由具有温度自动补偿功能的基准电压发生器、比较器、占空比可控的振荡器,R—S触发器和大电流输出开关电路等组成。该器件可用于升压变换器、降压变换器、反向器的控制核心,由它构成的DC/DC变换器仅用少量的外部元器件。在各类电子产品中均非常广泛的应用. MC34063主要特性: 输入电压范围:2、5~40V 输出电压可调范围:1.25~40V 最大输出电流:1.5A 最大开关频率:100kHz 低静态电流 短路电流限制 可实现升压或降压电源变换器 MC34063的内部结构,引脚图及引脚功能: 图 1 MC34063内部结构及引脚图 1脚:开关管 T1集电极引出端; 2脚:开关管 T1发射极引出端; 3脚:定时电容ct接线端;调节ct可使工作频率在100—100kHz范围内变化; 4脚:电源地; 5脚:电压比较器反相输入端,同时也是输出电压取样端;使用时应外接两个精度不低于 1%的精密电阻; 6脚:电源端; 7脚:负载峰值电流(Ipk)取样端;6,7脚之间电压超过 300mV时,芯片将启动内部过流保护功能; 8脚:驱动管 T2集电极引出端。 MC34063A在线电源计算器-ONLINE POWER CALCULATION MC34063主要参数: 项目 条件 参数 单位 Power Supply Voltage 电源电压 VCC 40 Vdc Comparator Input Voltage Range 比较器输入电压范围 VIR 0.3-+40 Vdc Switch Collector Voltage 集电极电压开关 VC(switch) 40 Vdc Switch Emitter Voltage (VPin 1 = 40 V) 发射极电压开关 VE(switch) 40 Vdc Switch Collector to Emitter Voltage 开关电压集电极到发射极 VCE(switch) 40 Vdc Driver Collector Voltage 驱动集电极电压 VC(driver) 40 Vdc Driver Collector Current (Note 1) 驱动集电极电流 IC(driver) 100 mA Switch Current 开关电流 ISW 1.5 A Operating Junction Temperature工作结温 TJ +150 ℃ Operating Ambient Temperature Range操作环境温度范围 TA MC34063A 0-70 ℃ MC33063AV 40-125 MC33063A 40-85 Storage Temperature Range 储存温度范围 Tstg 65-150 ℃ MC34063应用电路图 图2 MC34063电压逆变器 图3 MC34063降压电路 图4 NPN三极管扩流升压转换器 图5 NPN三极...

1、当您付费下载文档后,您只拥有了使用权限,并不意味着购买了版权,文档只能用于自身使用,不得用于其他商业用途(如 [转卖]进行直接盈利或[编辑后售卖]进行间接盈利)。
2、本站所有内容均由合作方或网友上传,本站不对文档的完整性、权威性及其观点立场正确性做任何保证或承诺!文档内容仅供研究参考,付费前请自行鉴别。
3、如文档内容存在违规,或者侵犯商业秘密、侵犯著作权等,请点击“违规举报”。

碎片内容

低成本开关电源芯片MC34063A

确认删除?
VIP
微信客服
  • 扫码咨询
会员Q群
  • 会员专属群点击这里加入QQ群
客服邮箱
回到顶部