电脑桌面
添加小米粒文库到电脑桌面
安装后可以在桌面快捷访问

实验一铝阳极氧化及着色

实验一铝阳极氧化及着色_第1页
1/27
实验一铝阳极氧化及着色_第2页
2/27
实验一铝阳极氧化及着色_第3页
3/27
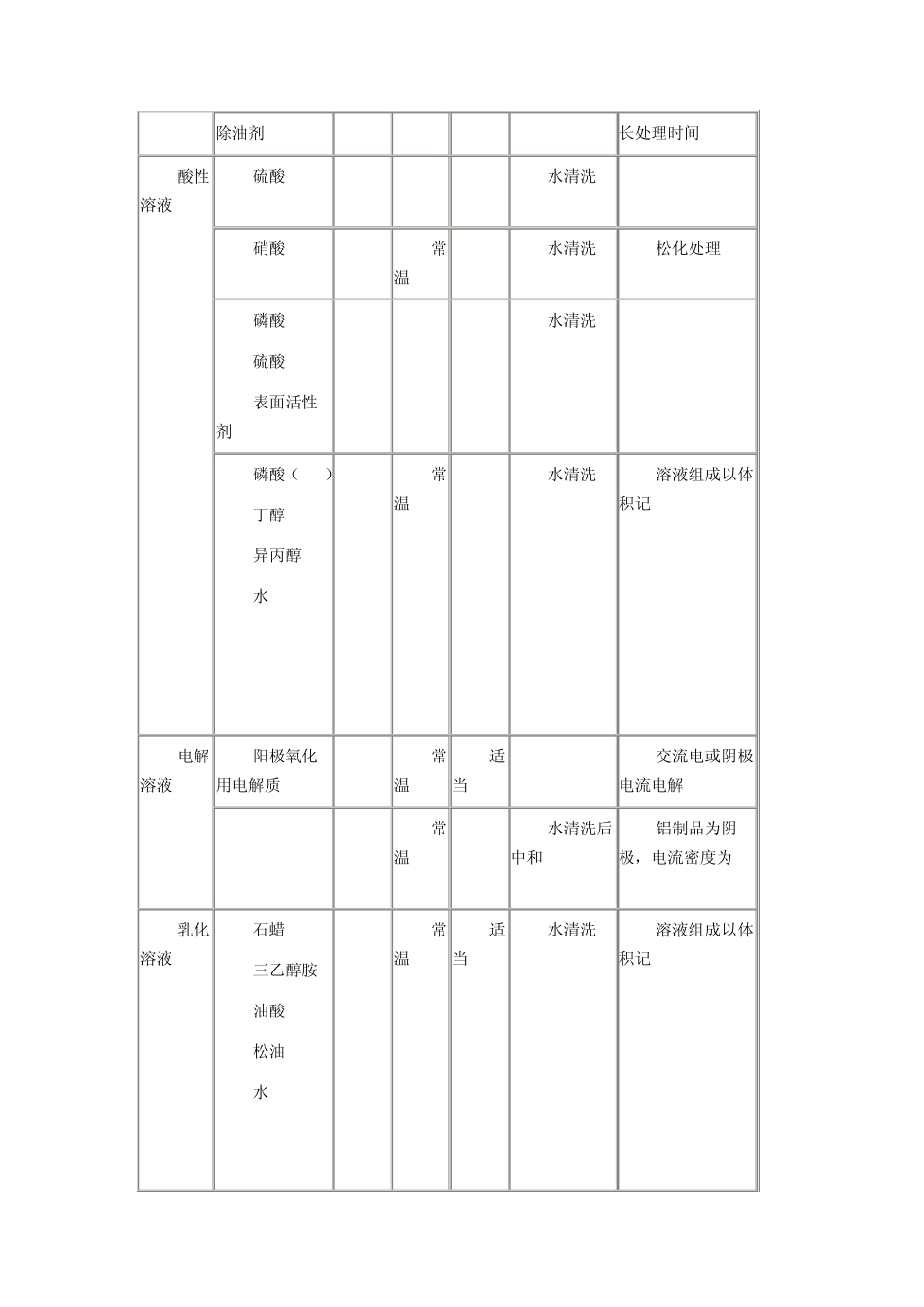
实验一 铝阳极氧化与染色技术 一、表面预处理 无论采用何种方法加工的铝材及制品,表面上都会不同程度地存在着污垢和缺陷,如灰尘、金属氧化物(天然的或高温下形成的氧化铝薄膜)、残留油污、沥青标志、人工搬运手印(主要成分是脂肪酸和含氮的化合物)、焊接熔剂以及腐蚀盐类、金属毛刺、轻微的划擦伤等。因此在氧化处理之前,用化学和物理的方法对制品表面进行必要的清洗,使其裸露纯净的金属基体,以利氧化着色顺利进行,从而获得与基体结合牢固、色泽和厚度都满足要求且具有最佳耐蚀、耐磨、耐侯等良好性能的人工膜。 (一)脱脂 铝及铝合金表面脱脂有有机溶剂脱脂、表面活性剂脱脂、碱性溶液脱脂、酸性溶液脱脂、电解脱脂、乳化脱脂。几种脱脂方法及主要工艺列于表-1 。在这些方法中,以碱性溶液特别是热氢氧化钠溶液的脱脂最为有效。 表-1 脱脂及主要工艺 脱脂方法 溶液组成 用量 g/L 温度/度 时间 min 后处理 备注 有机溶剂 汽油、四氯化碳、三氯乙烯等 适量 常温或蒸汽 适当 无浸蚀 表面活性剂 肥皂、合成洗涤剂 适量 常温-80 适当. 水清洗 无浸蚀 碱性溶液 NaOH 50-200 40-80 0.5-3 水洗后用100-500g/L硝酸溶液中和及除挂灰 脱脂兼腐蚀除去自然氧化,硝酸可用稀硫酸+铬酸代替 十二水磷酸钠 NaOH 40-60 8-60-70 3-5 水清洗 NaOH可用40-50g/L碳酸钠代替,总碱度按 NaOH硅酸钠 12 25-30 计算为1.6%-2.5% 多聚磷酸钠 碳酸钠 磷酸钠 一水硼酸钠 葡萄糖酸 液体润湿剂 15.6 4.8 4.8 4.8 0.3ml 0.1ml 60 12-15 水清洗 使用前搅拌 4个小时 十二水磷酸钠 硅酸钠 液体肥皂 50-70 25-35 3-5 75-85 3-5 水清洗 碳酸钠 磷酸钠 25-40 25-40 75-85 适当 水清洗 磷酸钠 碳酸钠 NaOH 20 10 6 45-65 3-5 水清洗 强碱阻化4070 5 水清洗 除油不净可延除油剂 -60 长处理时间 酸性溶液 硫酸 50-300 60-80 1-3 水清洗 硝酸 162-354 常温 3-5 水清洗 松化处理 磷酸 硫酸 表面活性剂 30 7 5 50-60 5-6 水清洗 磷酸(85%) 丁醇 异丙醇 水 100% 40% 30% 20% 常温 5-10 水清洗 溶液组成以体积记 电解溶液 阳极氧化用电解质 常温 适当 交流电或阴极电流电解 NaOH 100-200 常温 0.5-3 水清洗后中和 铝制品为阴极,电流密度为4-8A/dm2 乳化溶液 石蜡 三乙醇胺 油酸 松油 水 8.0% 0.25% 0.5% 2.25% 常温 适当...

1、当您付费下载文档后,您只拥有了使用权限,并不意味着购买了版权,文档只能用于自身使用,不得用于其他商业用途(如 [转卖]进行直接盈利或[编辑后售卖]进行间接盈利)。
2、本站所有内容均由合作方或网友上传,本站不对文档的完整性、权威性及其观点立场正确性做任何保证或承诺!文档内容仅供研究参考,付费前请自行鉴别。
3、如文档内容存在违规,或者侵犯商业秘密、侵犯著作权等,请点击“违规举报”。

碎片内容

实验一铝阳极氧化及着色

您可能关注的文档

小辰2+ 关注
实名认证
内容提供者

出售各种资料和文档

确认删除?
VIP
微信客服
  • 扫码咨询
会员Q群
  • 会员专属群点击这里加入QQ群
客服邮箱
回到顶部