电脑桌面
添加小米粒文库到电脑桌面
安装后可以在桌面快捷访问

排桩支护设计任务指导书

排桩支护设计任务指导书_第1页
1/9
排桩支护设计任务指导书_第2页
2/9
排桩支护设计任务指导书_第3页
3/9
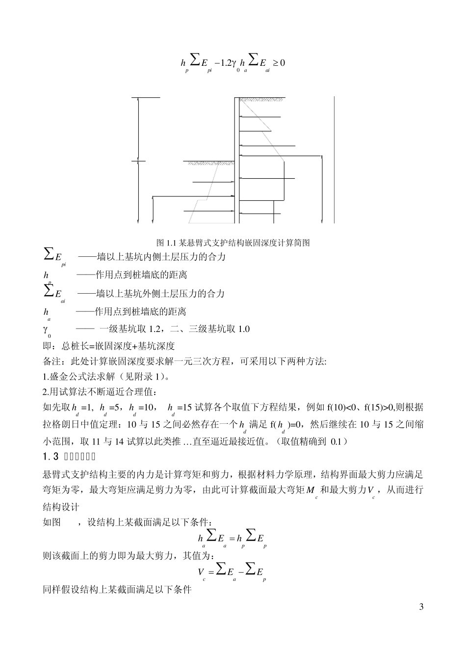
1 目 录 1 .基坑排桩支护设计基本理论 2 .基坑排桩护设计任务书 3 .基坑基坑排桩支护设计指导书 4 .本次设计的相关资料 2 1.基坑排桩支护设计基本理论 1.1 概述 1 .1 .1 基坑支护的作用 基坑开挖后,形成临空面,在基坑土体自身重量、地表荷载、地下水渗透作用下,可能产生破坏或过大变形,危及基础施工或周围建筑物的安全,因此,须对基坑侧壁采取一定的措施进行支护。 1 .1 .2 排桩支护的定义、支护原理 排桩:由连续的桩体(或地下连续墙体)或桩(墙)体与锚固结构共同组成的基坑支护结构,该支护结构适用性广泛在支护中能提供可靠的抗倾覆及抗滑移能力。 锚固设施:用来加固、锚固现场原位土体的细长杆件。通常采用岩土中钻孔,置入变形钢筋,并沿孔全长注浆的方法做成。 加固原理:基坑临空面形成后,由于边坡在自重应力下的内部材料抗剪强度不能维持自身稳定,侧壁土体有向临空面滑移的趋势,及沿某一圆弧破坏面破坏的趋势,打入排桩后,排桩作为挡土结构承受了来自侧向的主动土压力作用,从而阻止了侧壁土体向基坑方向的位移;而在排桩施加的锚固结构物进一步提供了张拉力,并由于锚杆的拉力,使潜在破坏面上的法向应力增大,因而摩擦力增大,阻止基坑侧壁沿某一潜在破坏面破坏。 1 .1 .3 排桩支护的主要设计内容 (1)桩体嵌固深度的计算 (2)桩(墙)体内力与截面承载力计算 (3)支撑体系设计计算 1.2 嵌固深度计算 对于开挖较浅的基坑,仅采用悬臂式支护,排桩的嵌固深度足够就能满足地基的侧向压力,从而使抗滑移及整体稳定性达到设计要求,而随着开挖深度的增长,还需要在排桩支护的基础上采用额外支护支点(即锚杆或锚杆群)。 在本次课程设计中,主要采用悬臂式支护,其主要嵌固深度计算方法如下: 对于基坑外侧受到的主动土压力: 2aaaphKc K 其中2tan452aK 对于基坑内侧受到的被动土压力 2pppphKc K 其中2tan452pK 由以上各式可作出基坑内外侧土压力分布图见图 1.1,其中aE ,pE 分别为内外侧土压力的合力,在数值上等于压力分布图的面积,作用位置位于图的型心到排桩的垂线的垂足处。 令悬臂式支护结构嵌固深度设计值为dh 根据抗倾覆稳定条件,考虑基坑重要性系数与分项系数,嵌固深度应满足下式: 3 01.20pp iaaihEhE dhhhppEp1Ep1EEaahEa4Ea3a2Ea1E 图1.1 某悬臂式支护结构嵌固深度计算简图 p iE...

1、当您付费下载文档后,您只拥有了使用权限,并不意味着购买了版权,文档只能用于自身使用,不得用于其他商业用途(如 [转卖]进行直接盈利或[编辑后售卖]进行间接盈利)。
2、本站所有内容均由合作方或网友上传,本站不对文档的完整性、权威性及其观点立场正确性做任何保证或承诺!文档内容仅供研究参考,付费前请自行鉴别。
3、如文档内容存在违规,或者侵犯商业秘密、侵犯著作权等,请点击“违规举报”。

碎片内容

排桩支护设计任务指导书

确认删除?
VIP
微信客服
  • 扫码咨询
会员Q群
  • 会员专属群点击这里加入QQ群
客服邮箱
回到顶部