电脑桌面
添加小米粒文库到电脑桌面
安装后可以在桌面快捷访问

板、次梁、主梁设计

板、次梁、主梁设计_第1页
1/7
板、次梁、主梁设计_第2页
2/7
板、次梁、主梁设计_第3页
3/7
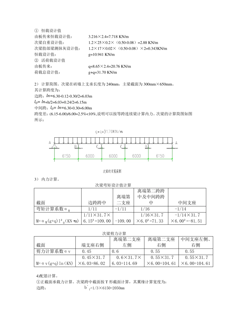
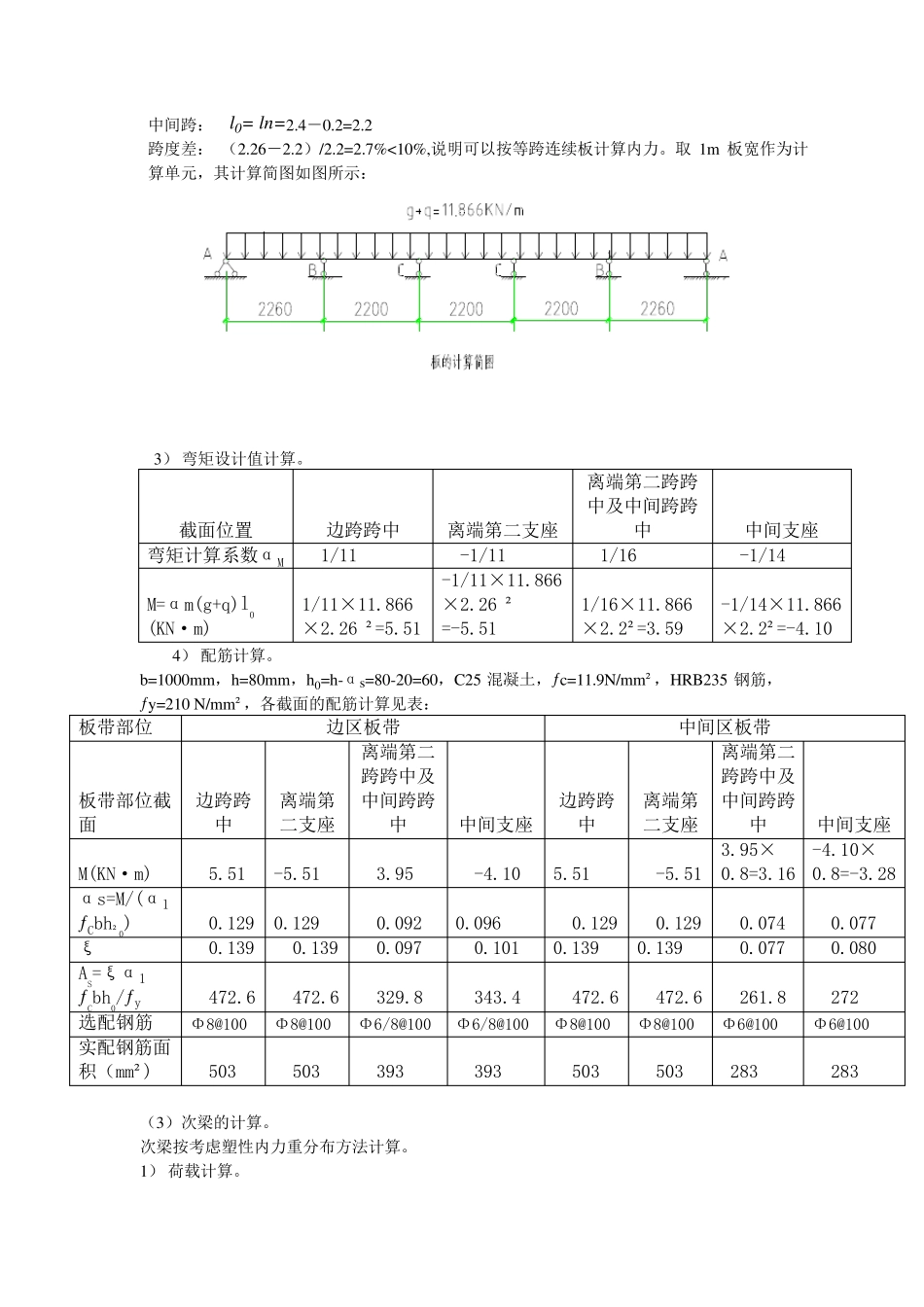
板、次梁、主梁设计 (1) 板、梁的截面尺寸的确定。板按考虑塑性内力重分布方法计算。 考虑刚度要求,板厚 h≥(1/35~1/40)×2400=69~60mm 考虑工业房屋楼盖最小板厚为 80mm,板厚确定为 80mm。 次梁截面高度根据一般要求 h=(1/12~1/18)l0=(1/12~1/18) ×6300=525~350mm b=(1/2~1/3)h=250~167mm 取 b×h=200 mm×500mm 主梁截面高度根据一般要求 h=(1/8~1/14)l0=(1/8~1/14) ×5600=700~400mm b=(1/2~1/3)h=325~217mm b×h=300 mm×650mm 板的尺寸及支撑情况如图所示。 (2) 板的设计。 1) 荷载计算 恒载标准值: 地砖面层 2.0KN/㎡ 20mm 厚混合砂浆找平 0.02×17=0.34 KN/㎡ 20mm 厚混合砂浆找底 0.02×17=0.34 KN/㎡ 恒载标准值: gk=2.68KN/m 恒载设计值: g=1.2×2.68=3.216 KN/m 厂房活载 ψc=0.9 检修活载:ψc=0.7 1.3×5+1.4×0.7×2.0=8.46 KN/m 1.4×2.0+1.3×0.9×5=8.65 KN/m 活荷载设计值: q=8.65 KN/m 总荷载设计值: g+q=11.866 KN/m 2)计算简图。 次梁截面为 200 mm×500mm,板在墙上的支承长度为 120 mm.。板的计算跨度: 边跨: l0= ln +h/2=2.4-0.12-0.12/2+0.08/2=2.26m 中间跨: l0= ln =2.4-0.2=2.2 跨度差: (2.26-2.2)/2.2=2.7%<10%,说明可以按等跨连续板计算内力。取1m 板宽作为计算单元,其计算简图如图所示: 3) 弯矩设计值计算。 截面位置 边跨跨中 离端第二支座 离端第二跨跨中及中间跨跨中 中间支座 弯矩计算系数αM 1/11 -1/11 1/16 -1/14 M=αm(g+q)l0 (KN·m) 1/11×11.866×2.26 ²=5.51 -1/11×11.866×2.26 ²=-5.51 1/16×11.866×2.2²=3.59 -1/14×11.866×2.2²=-4.10 4) 配筋计算。 b=1000mm,h=80mm,h0=h-αs=80-20=60,C25 混凝土,ƒc=11.9N/mm²,HRB235 钢筋,ƒy=210 N/mm²,各截面的配筋计算见表: 板带部位 边区板带 中间区板带 板带部位截面 边跨跨中 离端第二支座 离端第二跨跨中及中间跨跨中 中间支座 边跨跨中 离端第二支座 离端第二跨跨中及中间跨跨中 中间支座 M(KN·m) 5.51 -5.51 3.95 -4.10 5.51 -5.51 3.95×0.8=3.16 -4.10×0.8=-3.28 αs=M/(α1ƒCbh²0) 0.129 0.129 0.092 0.096 0.129 0.129 0.074 0.077 ξ 0.139 0.139 0.097 0.101 0.139 0.139 0.077 0.080 AS=ξα1 ƒCbh0/ƒy 472.6 472.6 329.8 343.4 472.6...

1、当您付费下载文档后,您只拥有了使用权限,并不意味着购买了版权,文档只能用于自身使用,不得用于其他商业用途(如 [转卖]进行直接盈利或[编辑后售卖]进行间接盈利)。
2、本站所有内容均由合作方或网友上传,本站不对文档的完整性、权威性及其观点立场正确性做任何保证或承诺!文档内容仅供研究参考,付费前请自行鉴别。
3、如文档内容存在违规,或者侵犯商业秘密、侵犯著作权等,请点击“违规举报”。

碎片内容

板、次梁、主梁设计

确认删除?
VIP
微信客服
  • 扫码咨询
会员Q群
  • 会员专属群点击这里加入QQ群
客服邮箱
回到顶部