电脑桌面
添加小米粒文库到电脑桌面
安装后可以在桌面快捷访问

步进电机三相六拍环形分配器

步进电机三相六拍环形分配器_第1页
1/6
步进电机三相六拍环形分配器_第2页
2/6
步进电机三相六拍环形分配器_第3页
3/6
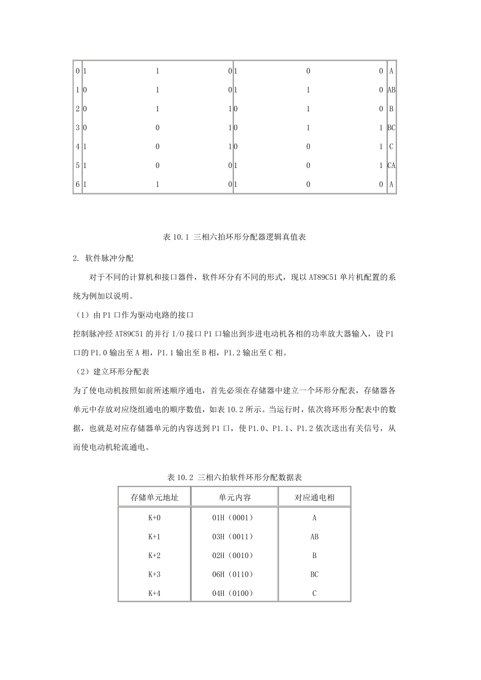
10.2 步进电动机位置控制系统 10.2.2 步进电动机的脉冲分配电路 1. 硬件脉冲分配器电路 步进电动机的脉冲分配可以由硬件和软件两种方法来实现。硬件环形分配器需要根据步进电动机的相数和要求的通电方式而设计专门的电路,图10.6 所示为一个三相六拍的环形分配器。 分配器的主体是三个J-K 触发器。三个J-K 触发器的Q 输出端分别经各自的功放线路与步进电动机A、B、C 三相绕组连接。当 QA=1 时,A 相绕组通电;QB=1 时,B 相绕组通电;QC=1 时,C 相绕组通电。DR+和DR-是步进电动机的正反转控制信号。 正转时,各相通电顺序:A-AB-B-BC-C-CA 反转时,各相通电顺序:A-AC-C-CB-B-BA 图10.6 三相六拍环形分配器 图10.6 所示为的三相六拍环形分配器逻辑真值表如表 10.1 所示。 序号 控制信号状态 输出状态 导电绕组 0 1 2 3 4 5 6 1 1 0 0 1 0 0 1 1 0 0 1 1 0 1 1 0 0 1 1 0 1 0 0 1 1 0 0 1 0 0 1 1 0 0 1 1 0 1 1 0 0 A AB B BC C CA A 表10.1 三相六拍环形分配器逻辑真值表 2. 软件脉冲分配 对于不同的计算机和接口器件,软件环分有不同的形式,现以AT89C51 单片机配置的系统为例加以说明。 (1)由P1 口作为驱动电路的接口 控制脉冲经AT89C51 的并行I/O 接口P1 口输出到步进电动机各相的功率放大器输入,设P1口的P1.0 输出至A 相,P1.1 输出至B 相,P1.2 输出至C 相。 (2)建立环形分配表 为了使电动机按照如前所述顺序通电,首先必须在存储器中建立一个环形分配表,存储器各单元中存放对应绕组通电的顺序数值,如表10.2 所示。当运行时,依次将环形分配表中的数据,也就是对应存储器单元的内容送到P1 口,使P1.0、P1.1、P1.2 依次送出有关信号,从而使电动机轮流通电。 表10.2 三相六拍软件环形分配数据表 存储单元地址 单元内容 对应通电相 K+0 K+1 K+2 K+3 K+4 01H(0001) 03H(0011) 02H(0010) 06H(0110) 04H(0100) A AB B BC C K+5 05H(0101) CA 表为三相六拍环形分配表,K 为存储器单元基地址(十六位二进制数),后面所加的数为地址的索引值。 可见,要是电动机正转,只需依次输出表中各单元的内容即可。当输出状态已是表底状态时,则修改索引值使下次输出重新为表首状态。如要使电动机反转,则只需反向依次输出各单元的内容。当输出状态达到表首状态时,则修改指针使...

1、当您付费下载文档后,您只拥有了使用权限,并不意味着购买了版权,文档只能用于自身使用,不得用于其他商业用途(如 [转卖]进行直接盈利或[编辑后售卖]进行间接盈利)。
2、本站所有内容均由合作方或网友上传,本站不对文档的完整性、权威性及其观点立场正确性做任何保证或承诺!文档内容仅供研究参考,付费前请自行鉴别。
3、如文档内容存在违规,或者侵犯商业秘密、侵犯著作权等,请点击“违规举报”。

碎片内容

步进电机三相六拍环形分配器

小辰+ 关注
实名认证
内容提供者

出售各种文档和资料

确认删除?
VIP
微信客服
  • 扫码咨询
会员Q群
  • 会员专属群点击这里加入QQ群
客服邮箱
回到顶部