电脑桌面
添加小米粒文库到电脑桌面
安装后可以在桌面快捷访问

水文地质钻探取费标准

水文地质钻探取费标准_第1页
1/6
水文地质钻探取费标准_第2页
2/6
水文地质钻探取费标准_第3页
3/6
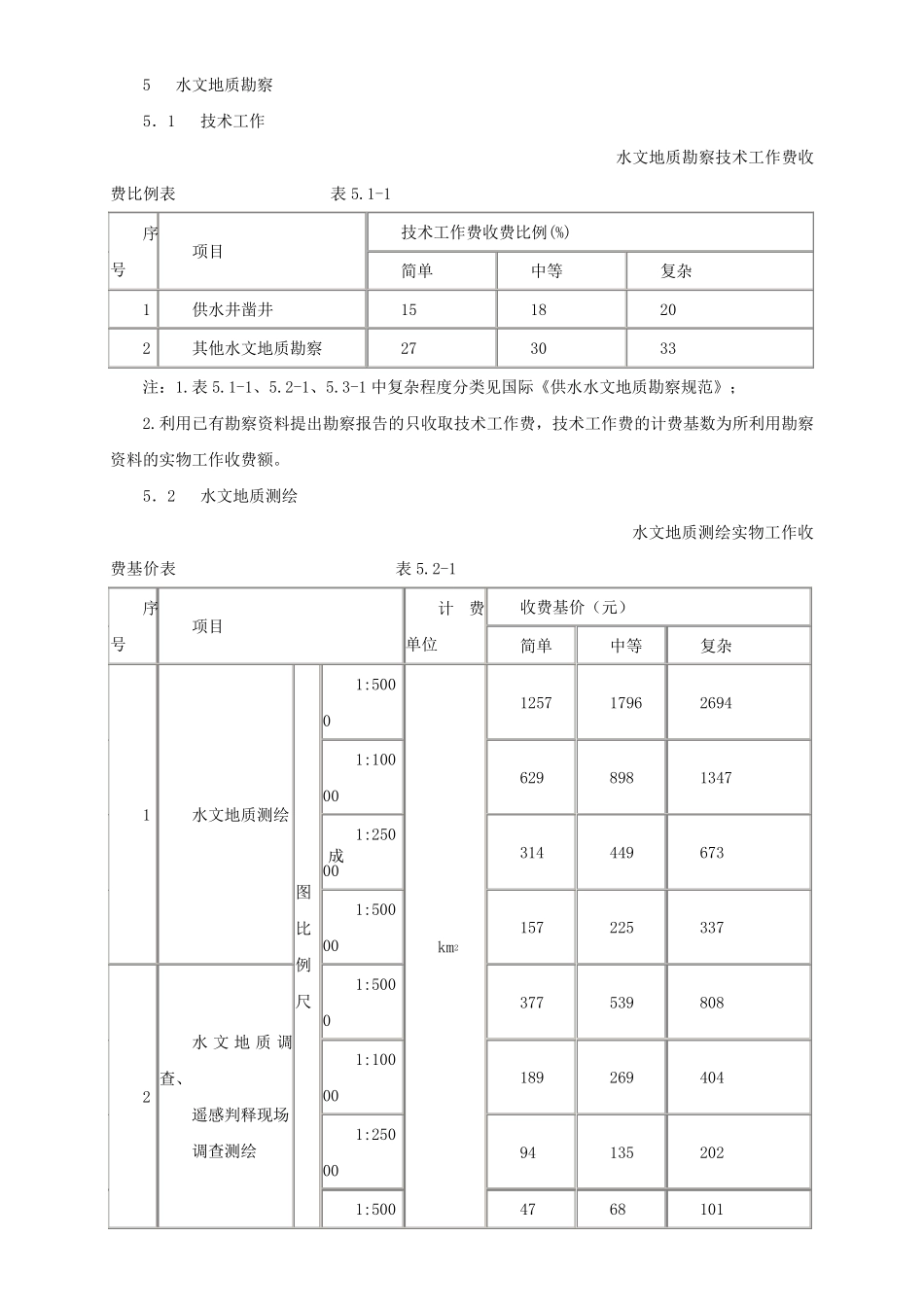
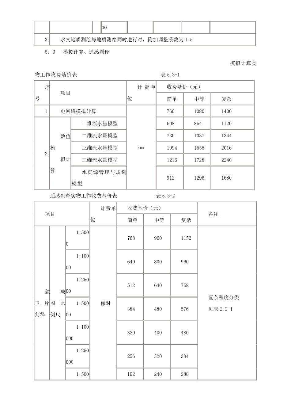
5 水文地质勘察 5.1 技术工作 水文地质勘察技术工作费收费比例表 表5.1-1 序号 项目 技术工作费收费比例(%) 简单 中等 复杂 1 供水井凿井 15 18 20 2 其他水文地质勘察 27 30 33 注:1.表5.1-1、5.2-1、5.3-1 中复杂程度分类见国际《供水水文地质勘察规范》; 2.利用已有勘察资料提出勘察报告的只收取技术工作费,技术工作费的计费基数为所利用勘察资料的实物工作收费额。 5.2 水文地质测绘 水文地质测绘实物工作收费基价表 表5.2-1 序号 项目 计费单位 收费基价(元) 简单 中等 复杂 1 水文地质测绘 成图比例尺 1:5000 km2 1257 1796 2694 1:10000 629 898 1347 1:25000 314 449 673 1:50000 157 225 337 2 水文地质调查、 遥感判释现场 调查测绘 1:5000 377 539 808 1:10000 189 269 404 1:25000 94 135 202 1:50047 68 101 00 3 水文地质测绘与地质测绘同时进行时,附加调整系数为1.5 5.3 模拟计算、遥感判释 模拟计算实物工作收费基价表 表 5.3-1 序号 项目 计费 单位 收费基价(元) 简单 中等 复杂 1 电网络模拟计算 km2 760 1080 1400 2 数值模 拟计算 二维流水量模型 608 864 1120 二维流水量模型 730 1037 1344 三维流水量模型 1094 1555 2016 三维流水量模型 1216 1728 2240 水资源管理与规划模型 912 1296 1680 遥感判释实物工作收费基价表 表 5.3-2 项目 计费单位 收费基价(元) 备注 简单 中等 复杂 航卫片判释 成图比例尺 1:5000 像对 768 960 1152 复杂程度分类 见表 2.2-1 1:10000 640 800 960 1:25000 512 640 768 1:50000 384 480 576 1:100000 320 400 480 1:250000 256 320 384 1:500192 240 288 000 5.4 水文地质钻探 水文地质钻探实物工作收费基价按所钻探地层分层计算,计算公式如下: 水文地质钻探实物工作收费基价=130(元/米)×自然进尺(米)×岩土类别系数×孔深系数×孔径系数 水文地质钻探复杂程度表 表 5.4-1 岩土类别 Ⅰ Ⅱ Ⅲ Ⅳ Ⅴ Ⅵ Ⅶ 松散地层 粒径≤0.5mm 含量≥50%、含圆砾(角砾)及硬杂质≤10%的各类砂土、粘性土 粒径≤2.0mm 含量≥50%、含圆砾(角砾)及硬杂质≤20%的各类砂土 粒径≤20mm 含量≥50%、含圆砾(角砾)及硬杂质≤30%的各类砂土 冻土层,粒径≤50mm 含量≥50%、含圆砾(角砾)及硬杂质≤5...

1、当您付费下载文档后,您只拥有了使用权限,并不意味着购买了版权,文档只能用于自身使用,不得用于其他商业用途(如 [转卖]进行直接盈利或[编辑后售卖]进行间接盈利)。
2、本站所有内容均由合作方或网友上传,本站不对文档的完整性、权威性及其观点立场正确性做任何保证或承诺!文档内容仅供研究参考,付费前请自行鉴别。
3、如文档内容存在违规,或者侵犯商业秘密、侵犯著作权等,请点击“违规举报”。

碎片内容

水文地质钻探取费标准

您可能关注的文档

确认删除?
VIP
微信客服
  • 扫码咨询
会员Q群
  • 会员专属群点击这里加入QQ群
客服邮箱
回到顶部