电脑桌面
添加小米粒文库到电脑桌面
安装后可以在桌面快捷访问

面积、体积计算公式

面积、体积计算公式_第1页
1/16
面积、体积计算公式_第2页
2/16
面积、体积计算公式_第3页
3/16
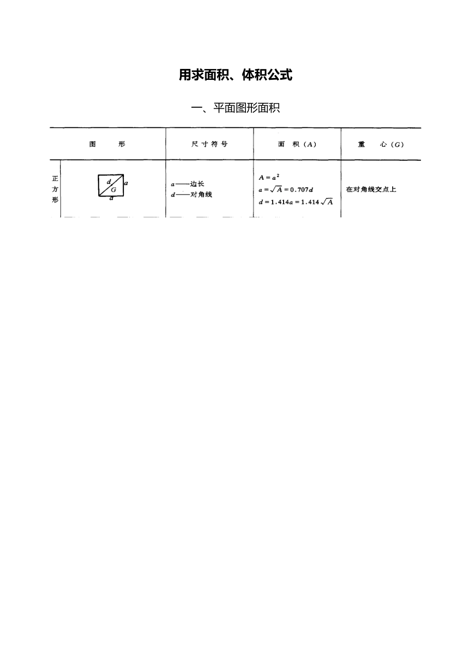
用求面积、体积公式一、平面图形面积二、多面体的体积和表面积三、物料堆体积计算四、壳体表面积、侧面积计算1、圆球形薄壳(图 1-1)图 1-1 圆球形薄壳计算图2、椭圆抛物面扁壳(图 1-2)图 1-2 椭圆抛物面扁壳计算图3、椭圆抛物面扁壳系数计算见图 1-2,壳表面积(A)计算公式:A=Sx·Sy=2a×系数 Ka×2b×系数 Kb式中 Ka、Kb——椭圆抛物面扁壳系数,可按表查得。椭圆抛物面扁壳系数表 查表说明[例]已知 2a=,2b=,hx=,hy=,试求椭圆抛物面扁壳表面积 A。先求出 hx/2a==hy/2b==分别查表得系数 Ka为和系数 Kb为,则扁壳表面积 A=×××=4、圆抛物面扁壳(图 1-3)图 1-3 圆抛物面扁壳计算图5、单、双曲拱展开面积1.单曲拱展开面积=单曲拱系数×水平投影面积。2.双曲拱展开面积=双曲拱系数(大曲拱系数×小曲拱系数)×水平投影面积。单、双曲拱展开面积系数见表 1-77。单双曲拱展开面积计算图见图 1-4。图 1-4 单、双曲拱展开面积计算图L-拱跨;F-拱高单、双曲拱展开面积系数表 表 1-77

1、当您付费下载文档后,您只拥有了使用权限,并不意味着购买了版权,文档只能用于自身使用,不得用于其他商业用途(如 [转卖]进行直接盈利或[编辑后售卖]进行间接盈利)。
2、本站所有内容均由合作方或网友上传,本站不对文档的完整性、权威性及其观点立场正确性做任何保证或承诺!文档内容仅供研究参考,付费前请自行鉴别。
3、如文档内容存在违规,或者侵犯商业秘密、侵犯著作权等,请点击“违规举报”。

碎片内容

面积、体积计算公式

人从众+ 关注
实名认证
内容提供者

欢迎光临小店,本店以公文和教育为主,希望符合您的需求。

相关文档

确认删除?
VIP
微信客服
  • 扫码咨询
会员Q群
  • 会员专属群点击这里加入QQ群
客服邮箱
回到顶部