电脑桌面
添加小米粒文库到电脑桌面
安装后可以在桌面快捷访问

完整静压桩机前期报验总表

完整静压桩机前期报验总表_第1页
1/21
完整静压桩机前期报验总表_第2页
2/21
完整静压桩机前期报验总表_第3页
3/21
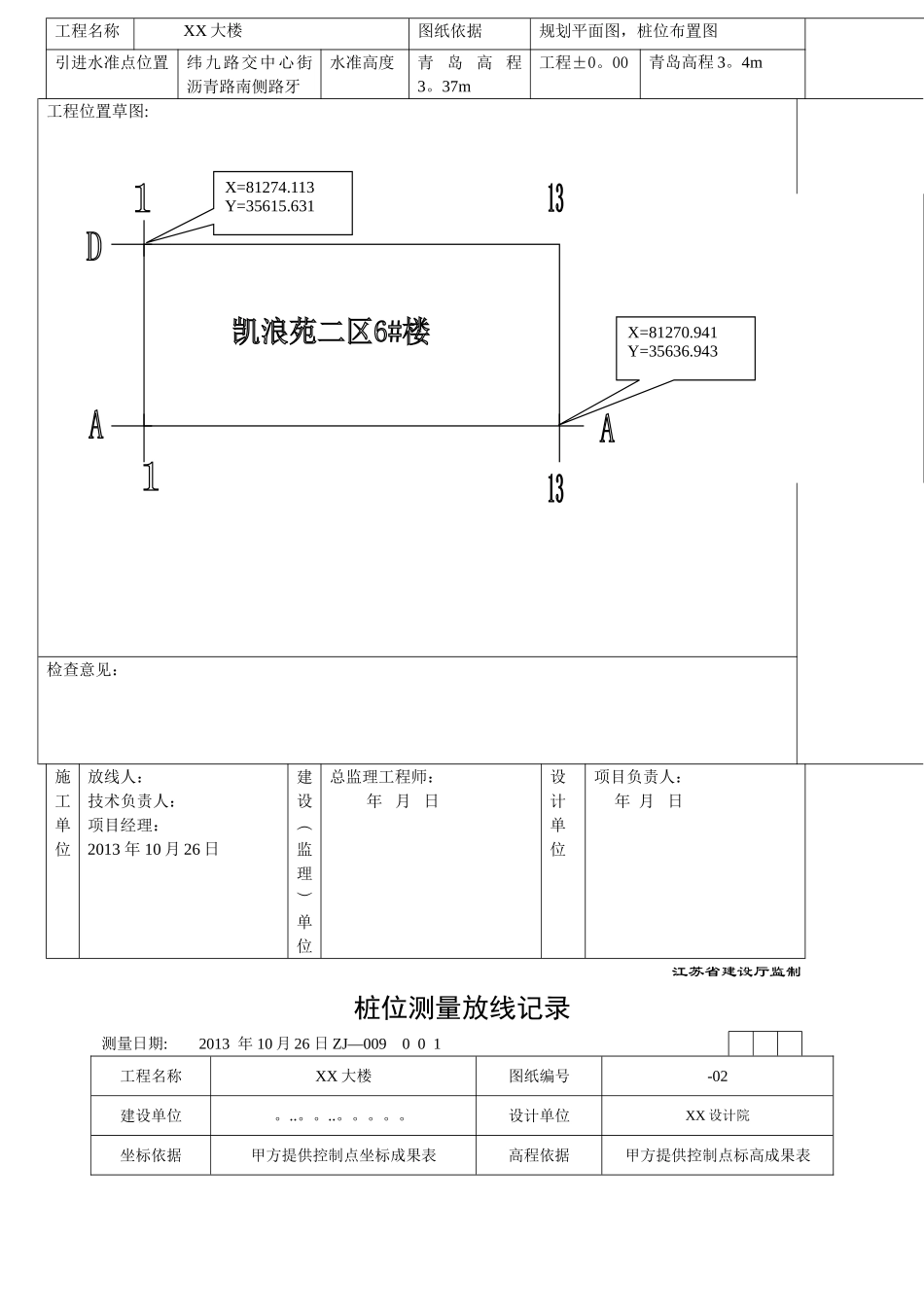
桩基工程概况ZJ—001工程名称XX 大楼工程地址XX 镇结构形式/层数框架建筑面积建设单位。。。.。.。。。.。.项目负责人设计单位XX 设计院资质等级级项目负责 人勘察单位常州市基础工程公司资质等级级项目负责 人监理单位XX 监理单位资质等级级总监理工程师桩基施工单位XX 地基公司资质等级级项目经理 人开工日期2013 年 10 月 27 日竣工日期2013 年 10 月 29 日桩基类型预应力管桩桩数45 支桩径400mm桩长19M桩基标价验收日期分包单位资格报验单 分包单位资格报验单 AA 33。。22工程名称: XX 大楼 编号:A 3 。 2 - 致:XX 监理单位 (监理单位)根据工程需要,我方拟选择江苏天腾建设有限公司京海分公司(分包单位)进行本工程(XX大楼 的基础工程 ) 的施工,分包后,我方应承担总包单位的全部责任。请予核查和批准.附件: 1.分包单位资质材料2。分包单位业绩材料承包单位项目经理部(章): 项目经理:时间:2013—10-27项目监理机构签收人姓名及时间承包单位签收人姓名及时间监理意见:□ 同意. □ 不同意。 项目监理机构(章): 专业监理工程师:日期注:1、承包单位项目经理部应提前提出本报验单,需复试合格才能使用的,应在复试合格后签批。江苏省建设厅监制施工测量报验单施工测量报验单工程名称: XX 大楼编号:A 3 。 5 1- 致:XX 监理单位 (监理单位)本项目经理部届时将完成 XX 大楼 轴线 的测量工作,完成自检, 测量成果符合设计和法律规范要求,并呈报相应资料。本次报验内容系第 1 次报验。承包单位项目经理部(章): 项目经理:日期:2024.10 。 27 项目监理机构签收人姓名及时间承包单位签收人姓名及时间监理核验结果及结论: 1、收到施工相应测量资料共页,收到时间:。 2、项目监理机构(章): 专业监理工程师:日期:注:承包单位项目经理部应提前 24 小时提出本报验单,并给予配合。 江苏省建设厅监制工程测量、定位放线记录 ZJ1。2建设单位。.。。。.。...。。设计单位XX 设计院工程名称XX 大楼图纸依据规划平面图,桩位布置图引进水准点位置纬九路交中心街沥青路南侧路牙水准高度青岛高程3。37m工程±0。00青岛高程 3。4m工程位置草图:检查意见:施工单位放线人:技术负责人:项目经理:2013 年 10 月 26 日建设︵监理︶单位总监理工程师: 年 月 日设计单位项目负责人: 年 月 日江苏省建设厅监制桩位测量放线记录测量日期: 2013 年 10...

1、当您付费下载文档后,您只拥有了使用权限,并不意味着购买了版权,文档只能用于自身使用,不得用于其他商业用途(如 [转卖]进行直接盈利或[编辑后售卖]进行间接盈利)。
2、本站所有内容均由合作方或网友上传,本站不对文档的完整性、权威性及其观点立场正确性做任何保证或承诺!文档内容仅供研究参考,付费前请自行鉴别。
3、如文档内容存在违规,或者侵犯商业秘密、侵犯著作权等,请点击“违规举报”。

碎片内容

完整静压桩机前期报验总表

您可能关注的文档

确认删除?
VIP
微信客服
  • 扫码咨询
会员Q群
  • 会员专属群点击这里加入QQ群
客服邮箱
回到顶部