电脑桌面
添加小米粒文库到电脑桌面
安装后可以在桌面快捷访问

自动重合闸前加速保护实验

自动重合闸前加速保护实验_第1页
1/6
自动重合闸前加速保护实验_第2页
2/6
自动重合闸前加速保护实验_第3页
3/6
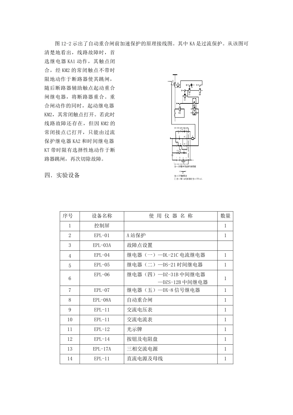
实验十七 自动重合闸前加速保护实验一.实验目的1.熟悉自动重合闸前加速保护的原理接线。2.理解自动重合闸前加速的组成形式,技术特性,掌握其实验操作方法。二.预习和思考1.图 12-2 中各个继电器的功用是什么?2.在重合闸动作前是由哪几个继电器及其触点共同作用,实现前加速保护。3.重合于永久性故障,保护再次起动,此时由哪几个继电器及其触点共同作用,恢复有选择地再次切除故障的?4.为什么加速继电器要具有延时返回的特点?5.在前加速保护电路中,重合闸装置动作后,为什么 KM2 继电器要通过 KA1 的常开触点,KM2 自身延时返回常开触点进行自保持?6.在输电线路重合闸电路中,采用前加速时,KM2 是由于什么触点起动的?7.请分析自动重合闸前加速保护的优缺点。8.分析自动重合闸合闸前加速度保护实验的原理和判断动作过程,并完成预习报告。三.实验原理如图 12-1 所示的网络接线,假定在每条线路上均装设过电流保护,其动作时限按阶梯型原则来配合。因而,在靠近电源端保护 3 处的时限就很长。为了能加速故障的切除,可在保护 3 处采用前加速的方式,即当任何一条线路上发生故障时,第一次都由保护 3 瞬时动作予以切除。如果故障是在线路 A-B 以外(如 d1 点),则保护 3 的动作都是无选择性的。但断路器 3 跳闸后,即起动重合闸重新恢复供电,从而纠正了上述无选择性的动作。如果此时的故障是瞬时性的,则在重合闸以后就恢复了供电。如果故障是永久性的,则故障由保护 1 或 2 切除,当保护 2 拒动时,则保护 3 第二次就按有选择性的时限 t3动作与跳闸。为了使无选择性的动作范围不扩展的太长,一般规定当变压器低压侧短路时保护 3 不应动作。因此,其起动电流还应按照躲开相邻变压器低压侧的短路(d2点)来整定。图 12-2 示出了自动重合闸前加速保护的原理接线图。其中 KA 是过流保护。从该图可清楚地看出,线路故障时,首选继电器 KA1 动作,其触点闭合,经 KM2 的常闭触点不带时限地动作于断路器使其跳闸,随后断路器辅助触点起动重合闸继电器,将断路器重合。重合闸动作的同时,起动继电器KM2,其常闭触点打开。若此时线路故障还存在,但因 KM2 的常闭接点已打开,只能由过流保护继电器 KA2 和时间继电器KT 带时限有选择性地动作于断路器跳闸,再次切除故障。四.实验设备序号设备名称使 用 仪 器 名 称数量1控制屏12EPL-01A 站保护13EPL-03A故障点设置4EPL-04继电...

1、当您付费下载文档后,您只拥有了使用权限,并不意味着购买了版权,文档只能用于自身使用,不得用于其他商业用途(如 [转卖]进行直接盈利或[编辑后售卖]进行间接盈利)。
2、本站所有内容均由合作方或网友上传,本站不对文档的完整性、权威性及其观点立场正确性做任何保证或承诺!文档内容仅供研究参考,付费前请自行鉴别。
3、如文档内容存在违规,或者侵犯商业秘密、侵犯著作权等,请点击“违规举报”。

碎片内容

自动重合闸前加速保护实验

您可能关注的文档

文章天下+ 关注
实名认证
内容提供者

各种文档应有尽有

确认删除?
VIP
微信客服
  • 扫码咨询
会员Q群
  • 会员专属群点击这里加入QQ群
客服邮箱
回到顶部